lemon-mirror:
Home >> Chrysler >> 2008 >> 300 V6-2.7L >> Repair and Diagnosis >> Power and Ground Distribution >> Power Distribution Module >> Service and Repair >> Installation

Installation







INSTALLATION





NOTE: A battery reconnect procedure must be performed anytime the battery has been disconnected. Battery Reconnection.

1. Position Integrated Power Module (IPM) to vehicle. Engage the three retaining clips.




2. Disengage the outboard retaining clip and rotate the IPM to access wire harness connectors.
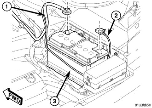
3. Connect electrical harness connectors to IPM.




4. Connect battery cable to IPM.
5. Install and tighten retaining nut.
6. Close the battery cable nut cover.




7. Connect battery negative cable (2).