lemon-mirror:
Home >> Chrysler >> 2008 >> 300 V6-2.7L >> Repair and Diagnosis >> Maintenance >> Alignment >> Service and Repair >> Wheel Alignment

Wheel Alignment







WHEEL ALIGNMENT

NOTE: If the vehicle is equipped with Adaptive Cruise Control (ACC), the ACC module must be realigned following any wheel alignment changes. Procedures

PRE-WHEEL ALIGNMENT INSPECTION


Before any attempt is made to change or correct the wheel alignment, the following inspection and necessary corrections must be made to ensure proper alignment.

1. Verify that the fuel tank is full of fuel. If the tank is not full, the reduction in weight will affect the curb height of the vehicle and the alignment angles.
2. The vehicle's passenger and luggage compartments should be free of any load that is not factory equipment.
3. Check the tires on the vehicle. All tires must be the same size and in good condition with approximately the same amount of tread wear. Inflate all the tires to the recommended air pressure.
4. Check the wheel and tire assemblies for excessive radial runout.
5. Inspect lower ball joints and all steering linkage for looseness, binding, wear or damage. Repair as necessary.
6. Check suspension fasteners for proper torque and tighten as necessary.
7. Inspect all suspension component rubber bushings for signs of wear or deterioration. Replace any faulty bushings or components before aligning the vehicle.
8. Check the vehicle's curb height to verify it is within specifications. Service and Repair

WHEEL ALIGNMENT SETUP

1. Position the vehicle on an alignment rack.
2. Install all required alignment equipment on the vehicle per the alignment equipment manufacturer's instructions. On this vehicle, a four-wheel alignment is recommended.

NOTE: Prior to reading the vehicle's alignment readouts, the front and rear of vehicle should be jounced (suspension compressed/released). Induce jounce (rear first, then front) by grasping the center of the bumper and jouncing each end of vehicle an equal number of times. The bumper should always be released when vehicle is at the bottom of the jounce cycle.

3. Read the vehicle's current front and rear alignment settings. Compare the vehicle's current alignment settings to the vehicle specifications for camber, caster and toe-in. Specifications
4. If front camber and caster are not within specifications, proceed to CAMBER AND CASTER below. If caster and camber are within specifications, proceed to TOE which can be found following CAMBER AND CASTER. Rear camber and caster are not adjustable. If found not to be within specifications, reinspect for damaged suspension or body components and replace as necessary. If rear toe is not within specifications, adjust rear toe before proceeding to adjust front toe.


CAMBER AND CASTER


Camber and caster settings on this vehicle are determined at the time the vehicle is designed, by the location of the vehicle's suspension components. This is referred to as NET BUILD. The result is no required adjustment of camber and caster after the vehicle is built or when servicing the suspension components. Thus, when performing a wheel alignment, caster and camber are not normally considered adjustable angles. Camber and caster should be checked to ensure they meet vehicle specifications.

If individual front camber or caster is found not to meet alignment specifications, each can be adjusted by shifting the engine cradle if cross-camber and cross-caster are within specifications, or by using an available service adjustment bolt package. Always try to shift the cradle first (if camber and caster are off slightly) to correct the misalignment before installing an adjustment bolt package. If an adjustment bolt package installation is necessary, inspect the suspension components for any signs of damage or bending first.

CAUTION: Do not attempt to adjust the vehicles wheel alignment by heating, bending or by performing any other modification to the vehicle's front suspension components or body.

ADJUSTMENT BY SHIFTING CRADLE


CAUTION: Always use care when shifting cradle to avoid damaging other components on the vehicle.





1. Loosen the four bolts (1) fastening the engine cradle (2) to the frame just enough to allow movement of the cradle.
2. Shift cradle as necessary to bring camber or caster into specifications. When shifting cradle, use care not to move other angles (camber or caster) that are within specifications, out of specifications.
3. Tighten the four bolts (1) fastening the engine cradle (2) to the frame to specifications.
4. Jounce the rear, then front of the vehicle an equal amount of times.
5. Measure camber and caster. If camber and caster are within specifications, proceed to TOE. If camber or caster cannot be brought into specifications, perform the ADJUSTMENT BOLT PACKAGE INSTALLATION below.
ADJUSTMENT BOLT PACKAGE INSTALLATION - AWD






NOTE: Adjustment bolts for AWD and RWD are not interchangeable.

The adjustment bolt package contains 2 special bolts (1). These bolts can be identified by the offset grooves cut into the thread section (2). These bolts are designed to replace the inboard mounting bolts of the lower control arm at the engine cradle. Each bolt allows approximately 0.3 degrees of movement. To adjust camber only, use both bolts, one at each leg of the control arm. To adjust caster only, use one bolt at the front leg only.

6. Raise the vehicle by the frame until the tires are not supporting the weight of the vehicle.
7. Remove the belly pan as necessary. Belly Pan - Removal
8. Lower control arm rear bolt only:
a. Remove the screws fastening the heat shields covering the steering gear inner tie rod boots. Remove the heat shields.
b. Loosen (do not remove) the steering gear mounting bolt furthest from the side of adjustment bolt installation.
c. Remove the two remaining steering gear mounting bolts and allow steering gear to relax on the side of adjustment bolt installation, giving access to the lower control arm rear mounting bolt.




CAUTION: Wheel alignment adjustment bolts have offset grooves cut into the length of the bolt (2). If removing or installing lower control arm or tension strut mounting bolts that have these grooves, DO NOT ROTATE THE BOLT. To remove the bolt, hold the bolt head stationary and rotate the nut, then slide the bolt straight out of the bushing. This is necessary to avoid damaging the bat wings in the bushing inner metal or cradle.

9. Hold the head of the control arm or tension strut mounting bolt stationary and remove the nut. Slide the bolt straight out of the bushing and discard.

CAUTION: When installing an adjustment bolt, be sure to install it in the correct direction. Lower control arm rear mounting bolts must be installed from the rear-forward and lower control arm front mounting bolts must be installed from the front-rearward.

NOTE: The grooves on the adjustment bolts are off-center forcing the bolt to be installed in one of two ways depending on whether more positive or negative camber or caster is necessary. The Bolts must be rotated 180° to achieve either more positive or negative camber or caster. DO NOT force the adjustment bolt.





NOTE: The original (non-grooved) mounting bolt (3) lies through the center of the hole (1), between the "bat wings" as shown in (c).

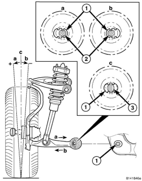
10. Camber Adjustment - The adjustment bolts are designed to work in conjunction with "bat wing" holes that are formed into the engine cradle (1) allowing for lower control arm movement approximately 0.3° in either direction.
- To achieve more positive camber, refer to (a) in the figure. Move the control arm in the desired direction, then insert the adjustment bolt (2) with a washer installed through the bat wing hole in the engine cradle (1) and round hole in the bushing inner metal.
- To achieve more negative camber, refer to (b) in the figure. Move the control arm in the desired direction, then insert the adjustment bolt (2) with a washer installed through the bat wing hole in the engine cradle (1) and round hole in the bushing inner metal.





NOTE: The original (non-grooved) mounting bolt (3) lies through the center of the hole (1), between the "bat wings" as shown in (c).

11. Caster Adjustment - The adjustment bolts are designed to work in conjunction with "bat wings" that are formed into the engine cradle (1) allowing for lower control arm movement approximately 0.3° in either direction.
- To achieve more positive caster, refer to (a) in the figure. Move the lower control arm in the desired direction, then insert the adjustment bolt (2) with a washer installed through the bat wing hole in the engine cradle (1) and the round hole in the bushing inner metal.
- To achieve more negative caster, refer to (b) in the figure. Move the lower control arm in the desired direction, then insert the adjustment bolt (2) with a washer installed through the bat wing hole in engine cradle (1) and round hole in the bushing inner metal.

12. Start a NEW nut on the end of the mounting bolt by hand, then while holding the head of the bolt stationary, install the nut. Do not tighten the nut at this time.
13. Rear adjustment bolt only - Reinstall the steering gear and heat shields. Steering Gear - Installation
14. Lower the vehicle to curb position. Jounce the rear, then the front of the vehicle an equal amount of times.
15. Using a crowfoot wrench, tighten the adjustment bolt nut to 176 Nm (130 ft. lbs.) torque while holding the bolt stationary. A socket on the end of a breaker bar works well for holding the rear bolt stationary with the steering gear is installed.
16. Measure camber and caster. If camber and caster are not within specifications, inspect the suspension components for any signs of damage or bending. If camber and caster (and cross-camber and cross-caster) are within specifications, proceed with TOE to check and adjust toe.
17. Install the belly pan. Belly Pan - Installation
ADJUSTMENT BOLT PACKAGE INSTALLATION - RWD






NOTE: Adjustment bolts for AWD and RWD are not interchangeable.

The adjustment bolt package contains 2 special bolts (1). These bolts can be identified by the offset grooves cut into the thread section (2). These bolts are designed to replace the inboard mounting bolts of the lower control arm and tension strut. Each bolt allows approximately 0.3 degrees of movement. To adjust camber only, use both bolts, one at the tension strut and the other at the lower control arm. To adjust caster only, use one bolt at the tension strut only.

18. Raise the vehicle by the frame until the tires are not supporting the weight of the vehicle.
19. Remove the belly pan as necessary. Belly Pan - Removal
20. Lower control arm bolt only:
a. Remove the screws fastening the heat shields covering the stabilizer bar bushing retainers to the cradle. Remove the heat shields.
b. Remove the four bolts (two each) fastening the stabilizer bar bushing retainers to the cradle.
c. Swing the stabilizer bar rearward and down out of the way of the control arm mounting bolts.




CAUTION: Wheel alignment adjustment bolts have offset grooves cut into the length of the bolt (2). If removing or installing lower control arm or tension strut mounting bolts that have these grooves, DO NOT ROTATE THE BOLT. To remove the bolt, hold the bolt head stationary and rotate the nut, then slide the bolt straight out of the bushing. This is necessary to avoid damaging the bat wings in the bushing inner metal or cradle.

21. Hold the head of the control arm or tension strut mounting bolt stationary and remove the nut. Slide the bolt straight out of the bushing and discard.

CAUTION: When installing an adjustment bolt, be sure to install it in the correct direction. Lower control arm bolts must be installed from the rear-forward to avoid contact with the stabilizer bar upon installation. Tension strut bolts must be installed from the front-rearward.

NOTE: The grooves on the adjustment bolts are off-center forcing the bolt to be installed in one of two ways depending on whether more positive or negative camber or caster is necessary. The Bolts must be rotated 180° to achieve either more positive or negative camber or caster. DO NOT force the adjustment bolt.





NOTE: The original (non-grooved) mounting bolt (3) lies through the center of the hole (1), between the "bat wings" (c).

22. Camber Adjustment - The adjustment bolts are designed to work in conjunction with "bat wing" holes that are formed into the inner metal of the lower control arm bushing (1) allowing for lower control arm movement approximately 0.3° in either direction.
- To achieve more positive camber, refer to (a) in the figure. Move the control arm or tension strut in the desired direction, then insert the adjustment bolt (2) with a washer installed through the round hole in the engine cradle and bat wing hole (1) in the bushing inner metal.
- To achieve more negative camber, refer to (b) in the figure. Move the control arm or tension strut in the desired direction, then insert the adjustment bolt (2) with a washer installed through the round hole in the engine cradle and bat wing hole (1) in the bushing inner metal.





NOTE: The original (non-grooved) mounting bolt (3) lies through the center of the hole (1), between the "bat wings" (c).

23. Caster Adjustment - The adjustment bolts are designed to work in conjunction with "bat wings" that are formed into the engine cradle (1) allowing for tension strut movement approximately 0.3° in either direction.
- To achieve more positive caster, refer to (a) in the figure. Move the tension strut in the desired direction, then insert the adjustment bolt (2) with a washer installed through the bat wing hole in the engine cradle (1) and the round hole in the bushing inner metal.
- To achieve more negative caster, refer to (b) in the figure. Move the tension strut in the desired direction, then insert the adjustment bolt (2) with a washer installed through the bat wing hole in the engine cradle (1) and the round hole in the bushing inner metal.

24. Start a NEW nut and a washer (on RWD vehicles) on the end of the mounting bolt by hand, then while holding the head of the bolt stationary, install the nut. Do not tighten the nut at this time.
25. Lower the vehicle to curb position. Jounce the rear, then the front of the vehicle an equal amount of times.
26. Using a crowfoot wrench, tighten the adjustment bolt nut to 176 Nm (130 ft. lbs.) torque while holding the bolt stationary.
27. Lower control arm adjustment bolt only - Reinstall the stabilizer bar and heat shields.
28. Measure camber and caster. If camber and caster are not within specifications, inspect the suspension components for any signs of damage or bending. If camber and caster (and cross-camber and cross-caster) are within specifications, proceed with TOE to check and adjust toe.
29. Install the belly pan. Belly Pan - Installation


TOE


CAUTION: If the steering wheel is excessively off-center while driving, outside of Chassis specifications, inadvertent ESP activations may occur on a vehicle so equipped.

1. Center the steering wheel and lock in place using a steering wheel clamp.

NOTE: When performing the toe adjustment procedure, set rear toe to specifications before setting front toe.

2. If rear toe is not within specifications, perform the REAR TOE procedure below.
3. If front toe is not within specifications, perform the FRONT TOE procedure below.
4. Remove the steering wheel clamp.
5. Remove the alignment equipment.
6. Road test the vehicle to verify the steering wheel is straight and the vehicle does not wander or pull.
REAR TOE


NOTE: Perform the following procedure to each side of the vehicle as necessary.





7. Loosen the cam bolt nut securing the toe link to the rear crossmember (front of rear crossmember) just enough to rotate the cam bolt (1).




NOTE: When adjusting rear toe, the eccentric lobes on the toe adjustment cam bolts and washers are not to be facing downward. The lobes should only be facing upward or up to 90° to one side or the other from the 12 O'clock position.

8. Rotate the cam bolt head on the opposite side (rear) of the crossmember in either direction until the preferred specification is obtained. Specifications
9. While holding the cam bolt (1) from turning, tighten the cam bolt nut to specifications.
10. Adjust rear toe on opposite side of vehicle using above procedure as necessary.
11. Once rear toe is set, proceed to FRONT TOE to set the vehicle's front toe.
FRONT TOE


NOTE: Perform the following procedure to each side of the vehicle as necessary.





CAUTION: Do not twist the inner tie rod-to-steering gear boots during front wheel Toe adjustment. Remove the boot clamps (2) at the inner tie rods and make sure the boots move freely on the inner tie rods.

12. AWD - Loosen the jam nut (1) at the inner-to-outer tie rod (3-4) connection.




13. RWD - Loosen the jam nut (3) at the inner-to-outer tie rod (4-5) connection.




14. Grasp the inner tie rod at the hex and rotate as necessary to adjust front toe to the preferred toe specification. Specifications




15. AWD - Tighten the tie rod jam nut (3) to 75 Nm (55 ft. lbs.) torque using care not to lose adjustment.




16. RWD - Tighten the tie rod jam nut (3) to 75 Nm (55 ft. lbs.) torque using care not to lose adjustment.
17. Make sure the inner tie rod-to-steering gear boot is not twisted, then reinstall the boot clamp at the inner tie rod.
18. Adjust front toe on opposite side of vehicle using the above procedure as necessary.