lemon-mirror:
Home >> Chrysler >> 2008 >> 300 V6-2.7L >> Repair and Diagnosis >> Cruise Control >> Cruise Control Switch >> Service and Repair >> Installation >> Police Package Speed Control Switch

Police Package Speed Control Switch







POLICE PACKAGE SPEED CONTROL SWITCH





1. Install the speed control switch (1) to steering column control module (2) (SCCM).




2. If equipped with ESP , install the steering angle sensor (1) and phillips head screw (2) to SCCM. Tighten phillips head screw to.7 Nm (6 in. lbs.). If not equipped with ESP , install the plastic insert and phillips head screw to steering column. Tighten phillips head screw to.7 Nm (6 in. lbs.).




CAUTION: DO NOT fully install one of the clockspring T10 Torx screws. Leave one clockspring T10 Torx screw out far enough to stop the clockspring from rotating. This is necessary to keep the clockspring centered when installing to the steering shaft. Torque is critical on the clockspring T10 torx screws, make sure the clockspring T10 Torx screws are torqued to specification.

3. Install the clockspring and two T10 Torx screws (1), leave the remaining screw out far enough to stop the clockspring from rotating. Tighten T10 Torx screws to.7 Nm (6 in. lbs.).




WARNING: To service the speed control switch, the entire assembly that houses the speed control switch must be removed from the column. This must be done due to the clockspring passing through the assembly and into the self docking connector. Failure to remove the this assembly could damage the pins of the clockspring during installation and prevent the airbag system from operating properly.

4. Connect the electrical connector (2).
5. Install the SCCM assembly (1) onto the steering column.
6. Tighten the set screw (3) securing the SCCM assembly (1) to the steering column. Tighten screw to 4 Nm (35 in. lbs.).




7. Tighten the remaining clockspring T10 Torx screw to.7 Nm (6 in. lbs.).




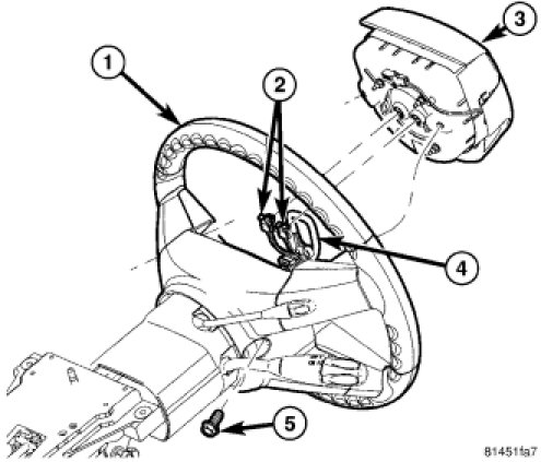
8. Align the spline on the steering wheel hub to shaft and install the steering wheel (1).
9. Install a NEW retaining bolt (2). Tighten the bolt to 75 Nm (55 ft. lbs.).




10. Install the driver airbag (3), Driver Airbag - Installation.
11. Connect the negative battery cable, tighten the nut to 5 Nm (45 in. lbs.).
12. If equipped with Electronic Stability Program (ESP), the steering angle sensor must be calibrated Battery Reconnection.