lemon-mirror:
Home >> Chrysler >> 2008 >> 300 V6-2.7L >> Repair and Diagnosis >> Application and ID >> Body Code Plate

Body Code Plate







DESCRIPTION

LOCATION AND DECODING





BODY CODE PLATE







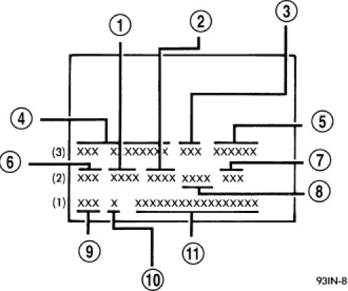
The Body Code Plate is located in the engine compartment on the front right side shock tower mounting front panel.



BODY CODE PLATE LINE 3






There are seven lines of information on the body code plate. Lines 4, 5, 6, and 7 are not used to define service information. Information reads from left to right, starting with line 3 in the center of the plate to line 1 at the bottom of the plate.

DIGITS 1, 2, AND 3


Paint procedure

DIGIT 4


Open Space

DIGITS 5 THROUGH 7


Primary Paint

DIGIT 8 AND 9


Open Space

DIGITS 10 THROUGH 12


Secondary Paint

DIGIT 13 AND 14


Open Space

DIGITS 15 THROUGH 18


Interior Trim Code

DIGIT 19


Open Space

DIGITS 20, 21, AND 22


Engine Code

- EER = 2.7 L, V-6 Cylinder, 24 Valve, DOHC, Gasoline, Aluminum Block (MPI)
- EGG = 3.5 L, V -6 Cylinder, 24 Valve, High Output, Gasoline, Aluminum Block (MPI)
- ESF = 6.1 L, V-8 Cylinder, HEMI, Gasoline (SMPI)
- EZB = 5.7 L, V-8 Cylinder, HEMI, Multi-Displacement, Gasoline,

DIGIT 23


Open Space



BODY CODE PLATE - LINE 2


DIGITS 1 THROUGH 12


Vehicle Order Number

DIGITS 13, THROUGH 15


Vinyl Roof Code

DIGITS 16 AND 17


Open space

DIGITS 18 AND 19


Vehicle Shell Line

- LX

DIGITS 20


Carline

- C = Chrysler
- D = Dodge

DIGIT 21


Price Class

- E = Economy
- H = High Line
- L = Low Line
- M = Medium
- P = Premium
- S = Sport
- X = Special

DIGITS 22 AND 23


Body Type

- 48 = Four Door Sedan Tall
- 49 =Hatchback Tall



BODY CODE PLATE LINE 1


DIGITS 1, 2, AND 3


Transmission Codes

- DG6 = 4-Speed Electronic Automatic Transmission
- DGJ = 5-Speed Automatic Transmission

DIGIT 4


Open Space

DIGIT 5


Market Code

- C = Canada
- B = International
- M = Mexico
- U = United States

DIGIT 6


Open Space

DIGITS 7 THROUGH 23


Vehicle Identification Number

- Vehicle Identification Number for proper breakdown of VIN code.



IF TWO BODY CODE PLATES ARE REQUIRED


The last code shown on either plate will be followed by END. When two plates are required, the last code space on the first plate will indicate (CTD)

When a second plate is required, the first four spaces of each line will not be used due to overlap of the plates.