lemon-mirror:
Home >> Chrysler >> 2007 >> Sebring Sedan L4-2.4L >> Repair and Diagnosis >> Powertrain Management >> Computers and Control Systems >> Main Relay (Computer/Fuel System) >> Locations

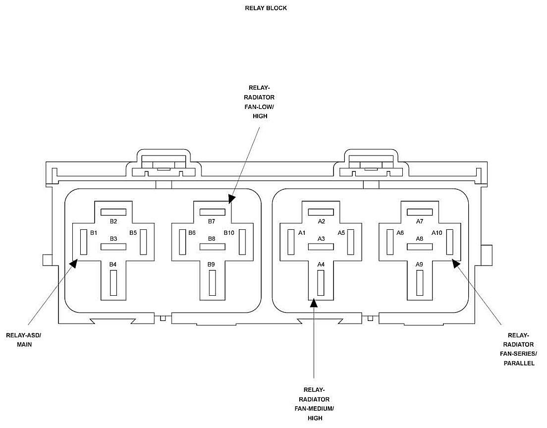
Main Relay (Computer/Fuel System): Locations



Relay Block:





Auto Shut Down (ASD)/Main Relay is located in the Relay Block.