lemon-mirror:
Home >> Chrysler >> 2006 >> Crossfire V6-3.2L VIN L >> Repair and Diagnosis >> Diagrams >> Electrical Diagrams >> Powertrain Management >> Computers and Control Systems >> Engine Control Module

Engine Control Module

SCHEMATICS AND DIAGRAMS











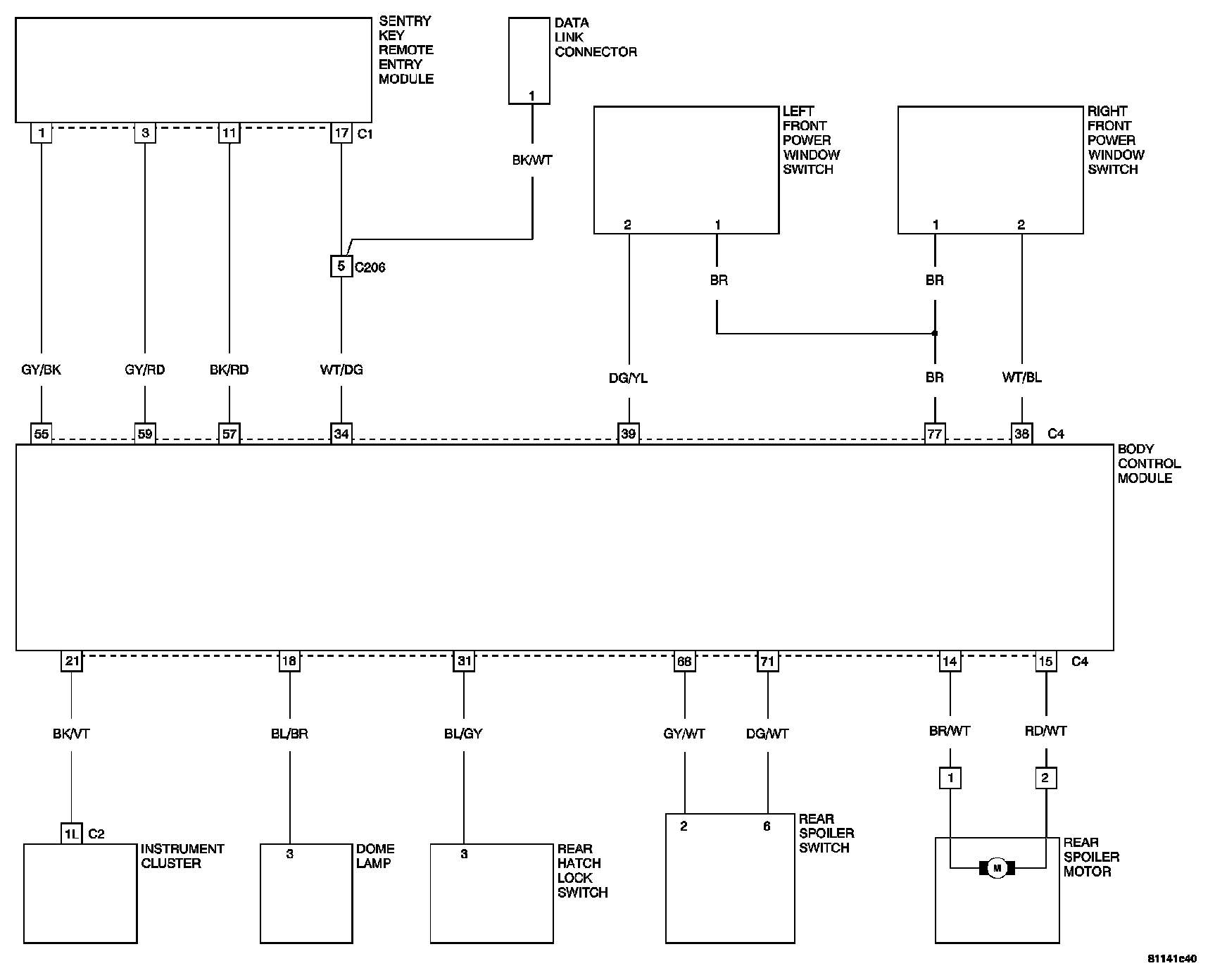
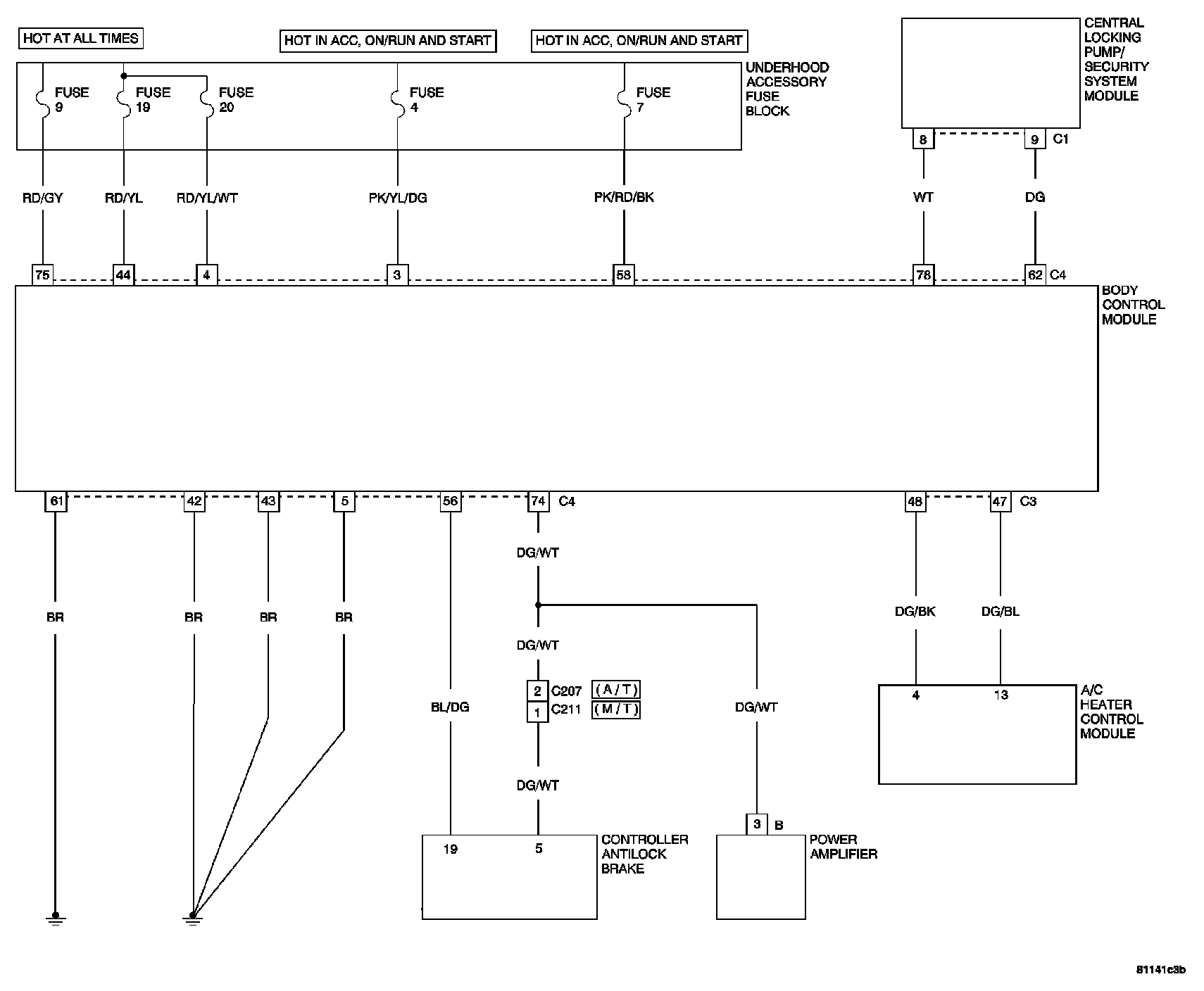
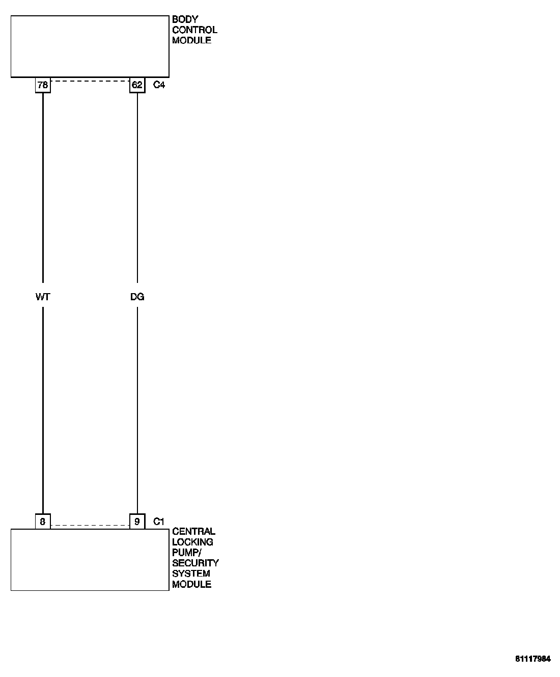
Data Link Connector Circuit Diagram: