lemon-mirror:
Home >> Chrysler >> 2005 >> Sebring Convertible V6-2.7L VIN R >> Repair and Diagnosis >> Powertrain Management >> Computers and Control Systems >> Engine Control Module >> Locations >> Component Locations

Component Locations

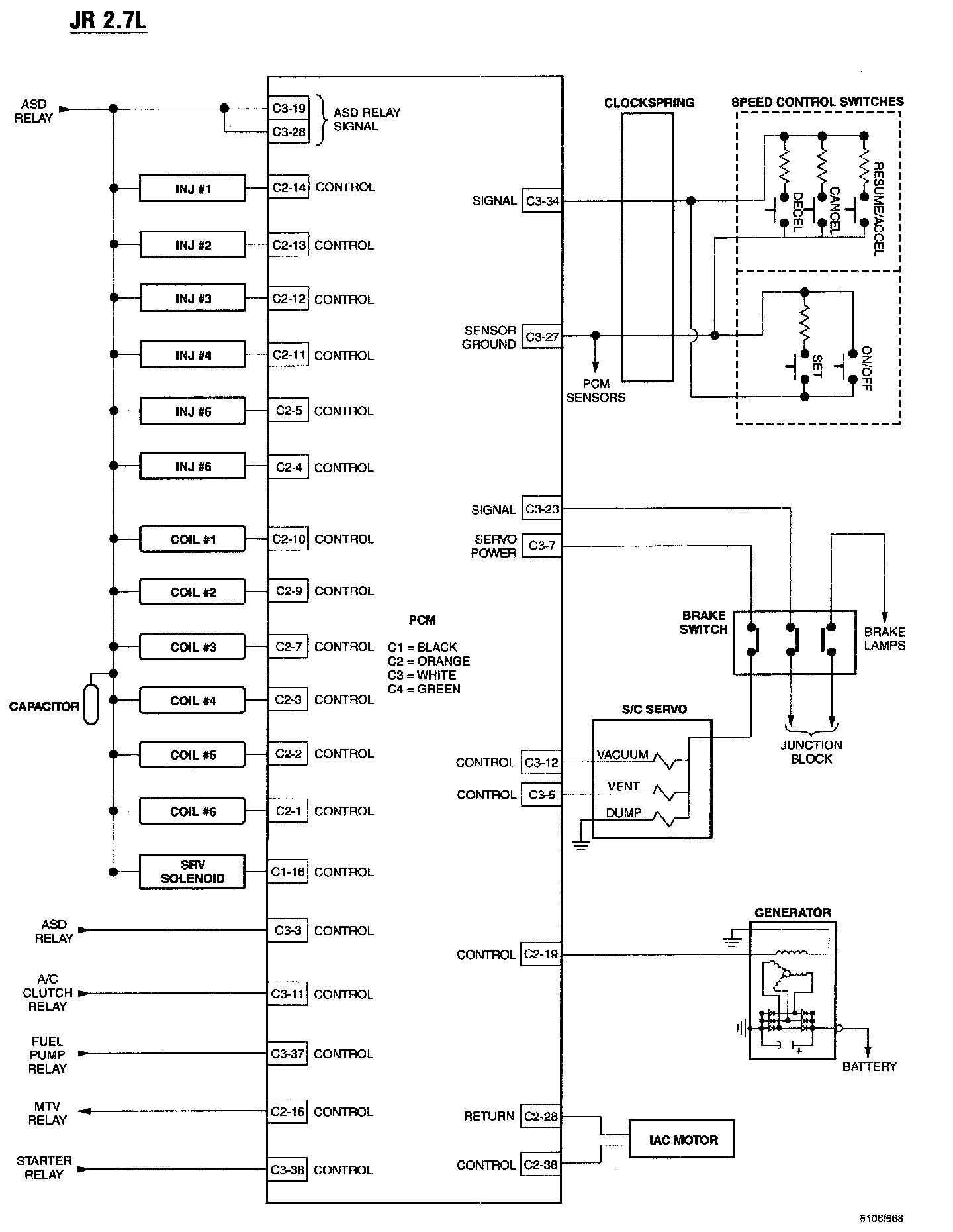
JR 2.7L:



JR 2.7L: