lemon-mirror:
Home >> Chrysler >> 2005 >> Sebring Convertible L4-2.4L VIN X >> Repair and Diagnosis >> Powertrain Management >> Computers and Control Systems >> Engine Control Module >> Locations >> Component Locations

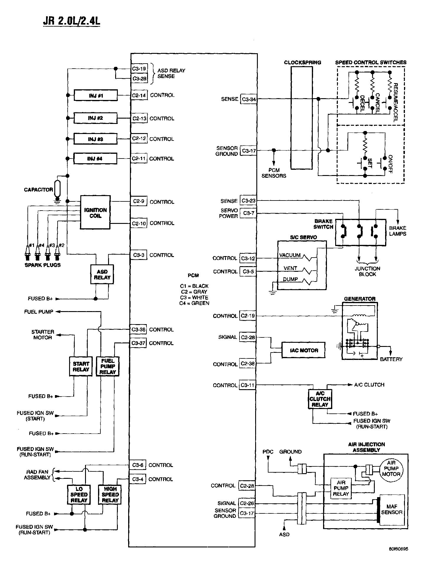
Component Locations

JR 2.0L/2.4L:



JR 2.0L/2.4L: