lemon-mirror:
Home >> Chrysler >> 2005 >> Pacifica V6-3.8L VIN L >> Repair and Diagnosis >> Powertrain Management >> Computers and Control Systems >> Body Control Module >> Diagrams >> Electrical Diagrams

Electrical Diagrams

Adjustable Pedal System:



Occupant Restraint Controller:



Occupant Classification System:



Radio, Amplifier, Speakers:



CD/DVD Changer:



Remote Radio Controls:



Satellite Digital Audio Receiver (SDAR) System:



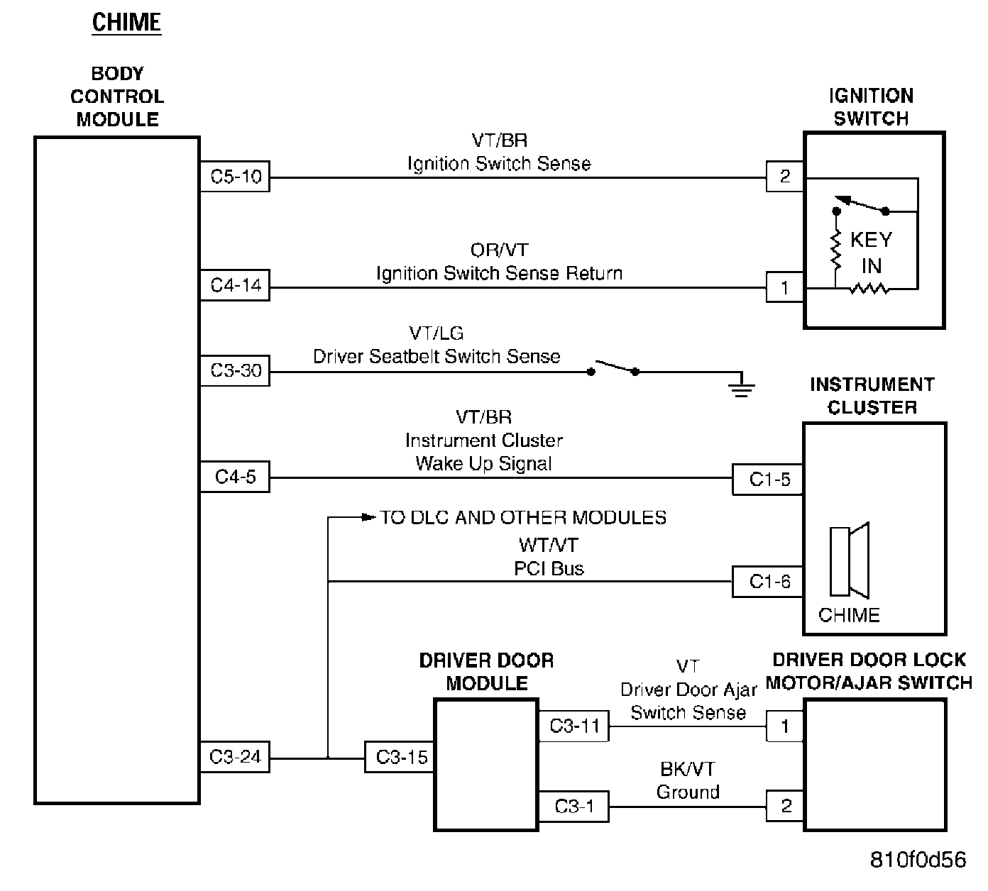
Chime:



Vehicle Communication:



PCM Communication:



Door Ajar System:



Heated Seats - Front:



Rear Window Defogger:



Exterior Lights/Front Lighting:



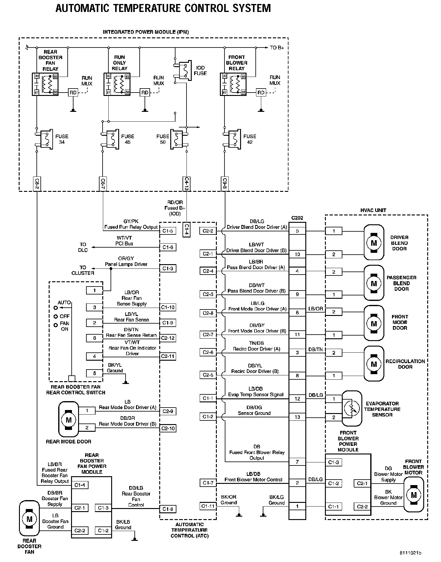
Automatic Temperature Control System:



Manual Temperature Control System:



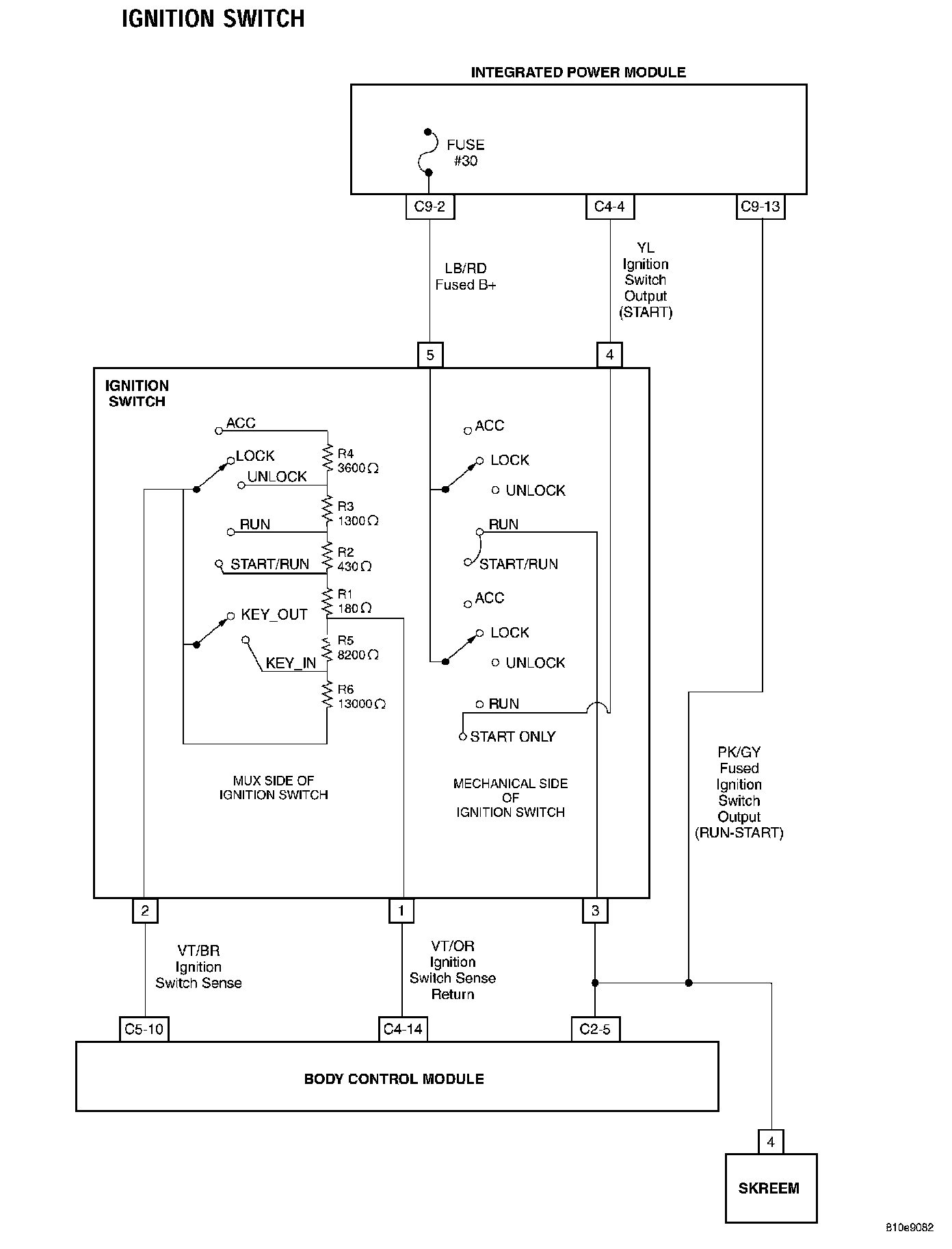
Ignition Switch:



Navigation, BCM, Switch POD:



Fuel Level Sensors:



Interior Lighting:



Navigation System:



Overhead Console:



Park Assist System:



Power Door Locks/RKE:



Liftgate:



Liftgate Release:



Driver Mirror:



Passenger Mirror:



Power Seat System:



Power Window System:



Telecommunications - Hands Free System:



Vehicle Theft Security System:



Front Wiper/Washer:



Rear Wiper/Washer: