lemon-mirror:
Home >> Chrysler >> 2005 >> Crossfire V6-3.2L VIN L >> Repair and Diagnosis >> Powertrain Management >> Computers and Control Systems >> Engine Control Module >> Diagrams >> Electrical Diagrams

Electrical Diagrams







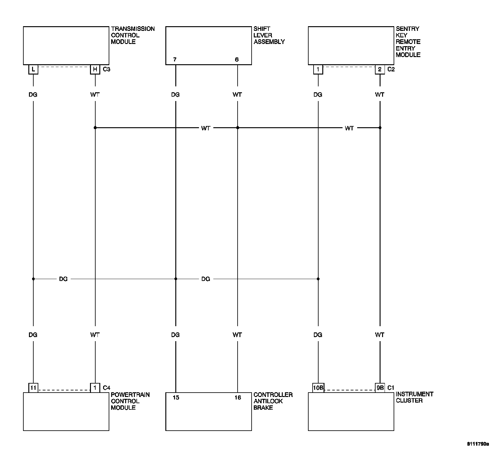
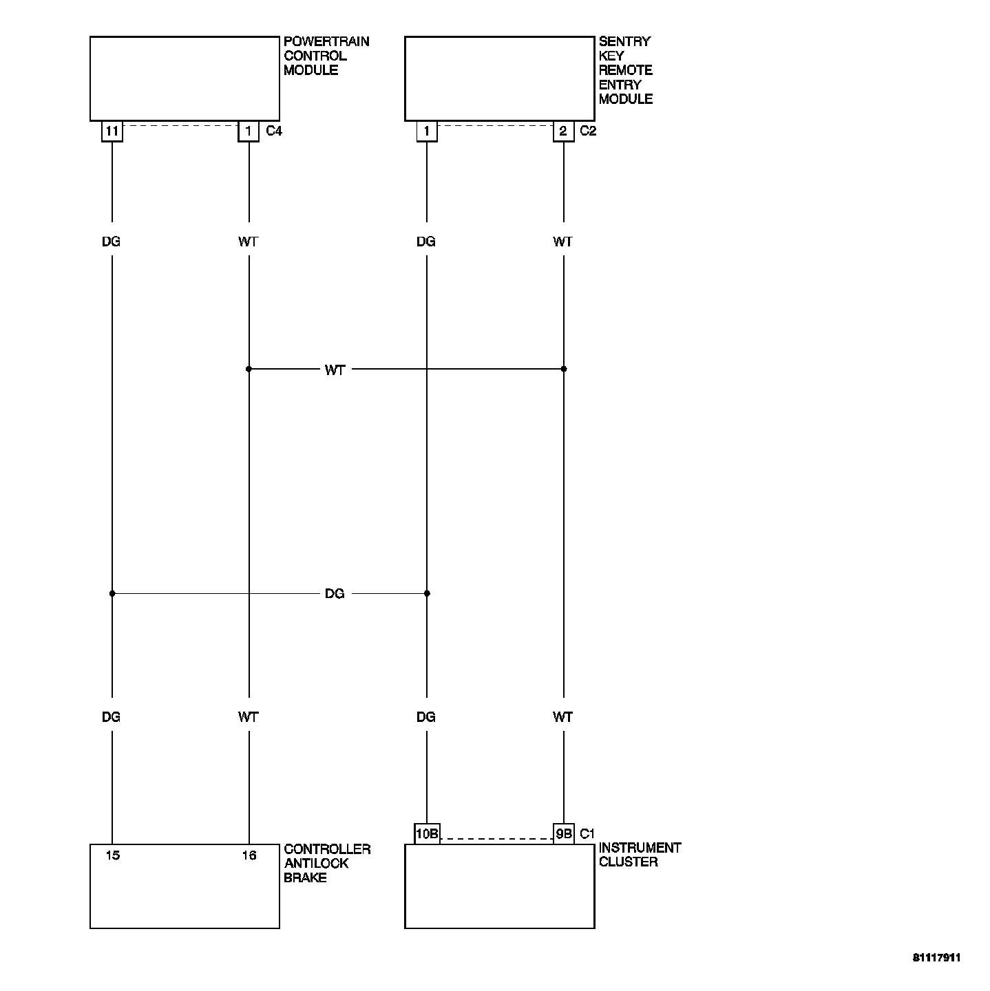
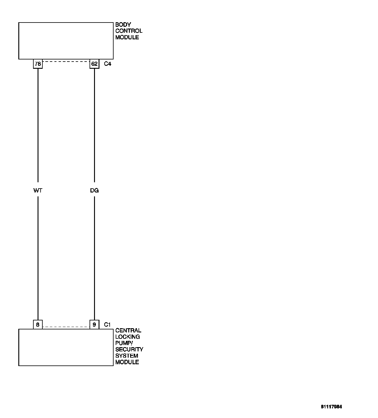
Data Link Connector Circuit Diagram: