lemon-mirror:
Home >> Chrysler >> 2005 >> Crossfire V6-3.2L VIN L >> Repair and Diagnosis >> Diagrams >> Exploded Views >> Automatic Transmission/Transaxle

Automatic Transmission/Transaxle

Automatic Transmission





The NAG1 automatic transmission








First Gear Powerflow








Second Gear Powerflow








Third Gear Powerflow








Fourth Gear Powerflow








Fifth Gear Powerflow








Reverse Gear Powerflow

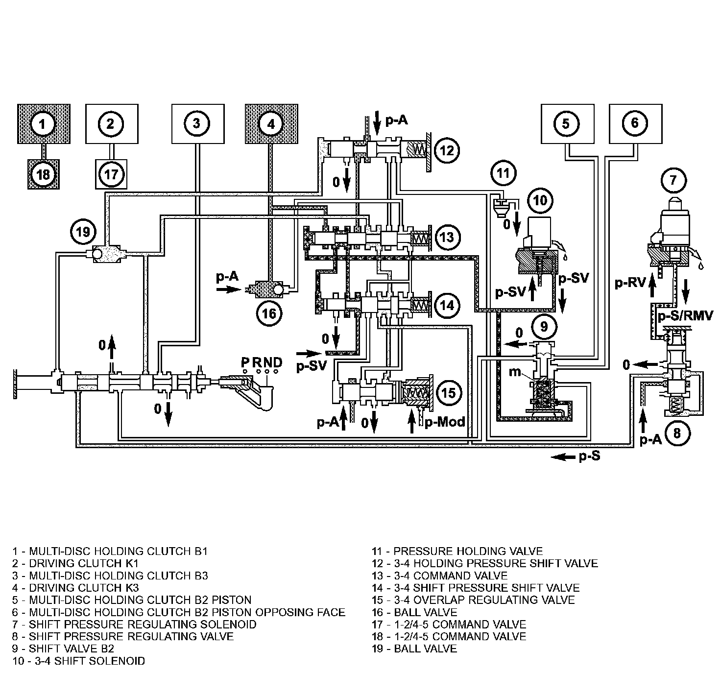
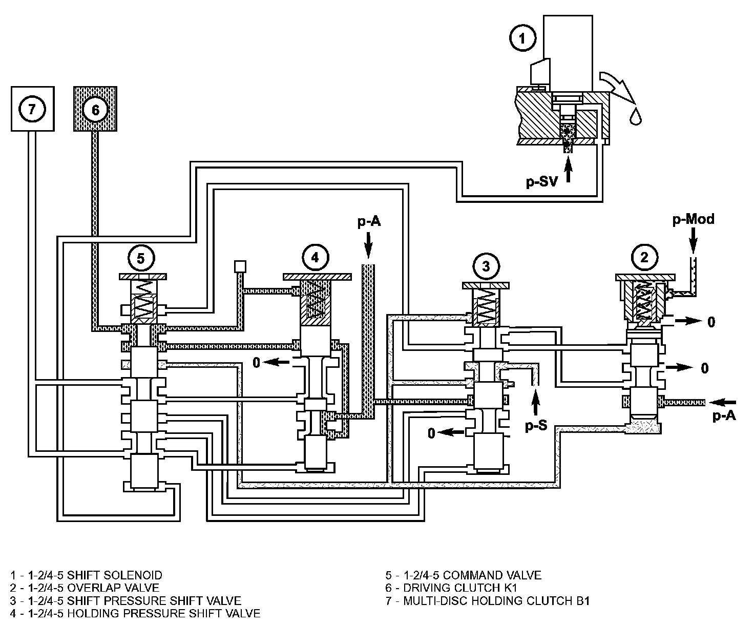
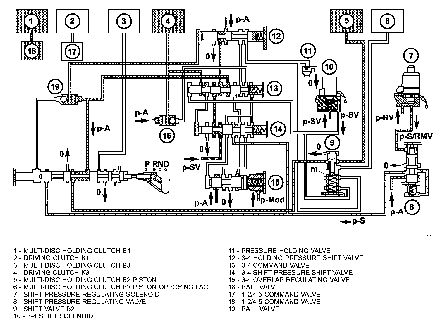
Shift Groups/Shift Sequence





1-2 Shift - First Gear Engaged





Shift Phase





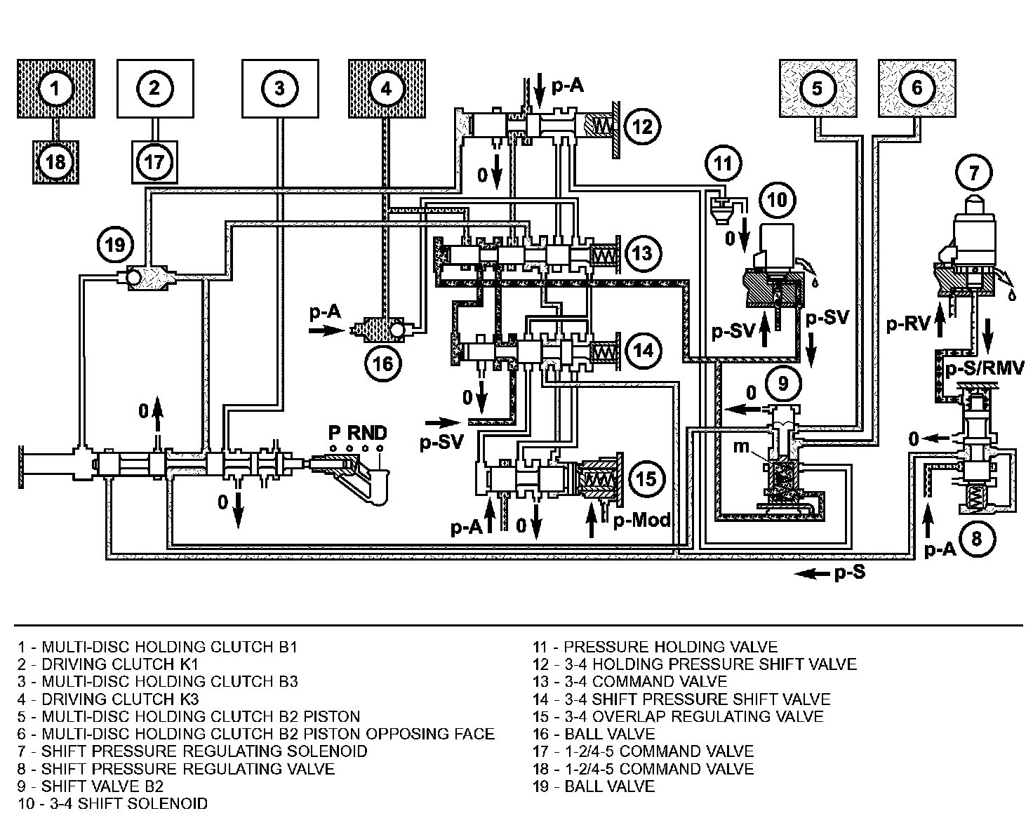
Second Gear Engaged





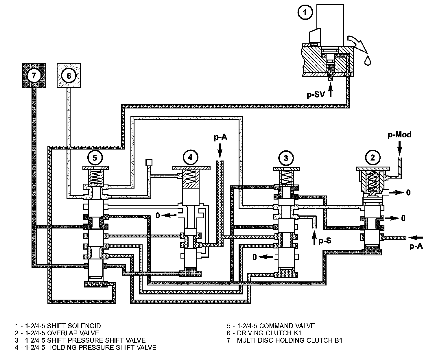
Gear Shift N to D (1st gear) - Engine Started









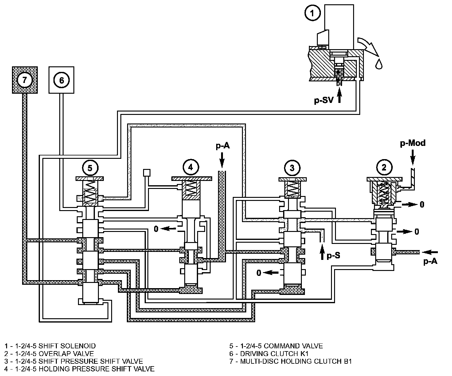
First Gear Engaged