lemon-mirror:
Home >> Chrysler >> 2004 >> Intrepid (CANADA) V6-2.7L >> Repair and Diagnosis >> Power and Ground Distribution >> Relay Box >> Locations >> Police Fuse/Relay Block

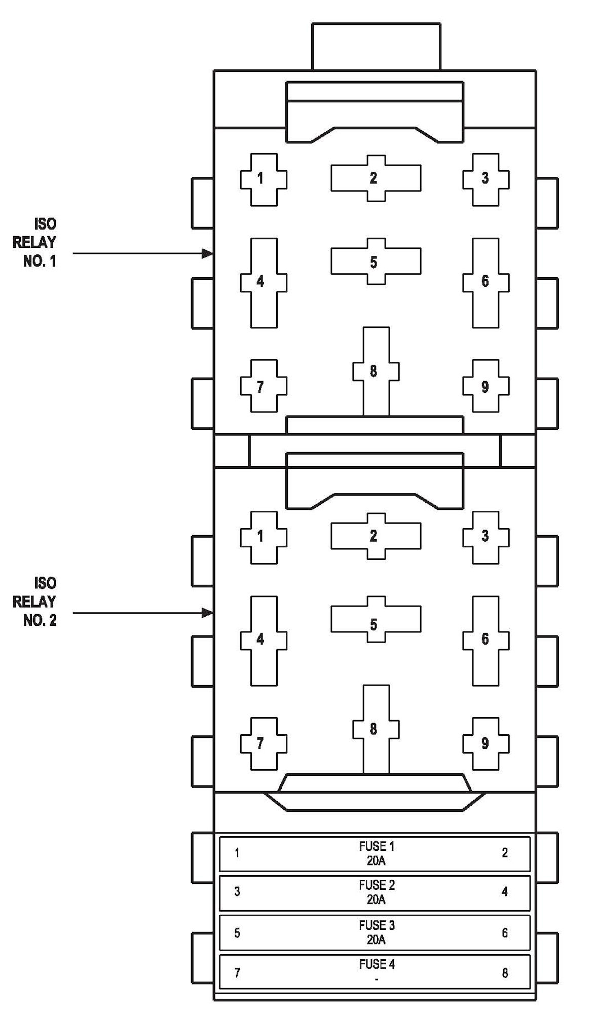
Police Fuse/Relay Block