lemon-mirror:
Home >> Chrysler >> 2004 >> Crossfire V6-3.2L VIN L >> Repair and Diagnosis >> Diagrams >> Exploded Views >> Drive/Propeller Shaft

Drive/Propeller Shaft

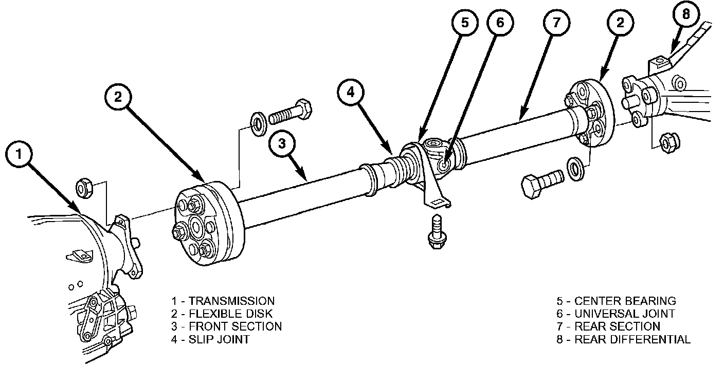
PROPELLER SHAFT

DESCRIPTION





A two-piece driveshaft links the transmission and rear axle through two flexible disks and one universal joint to minimize driveline vibrations.