lemon-mirror:
Home >> Chrysler >> 2003 >> Voyager L4-2.4L VIN B >> Repair and Diagnosis >> Diagrams >> Electrical Diagrams >> Powertrain Management >> Engine Control Module

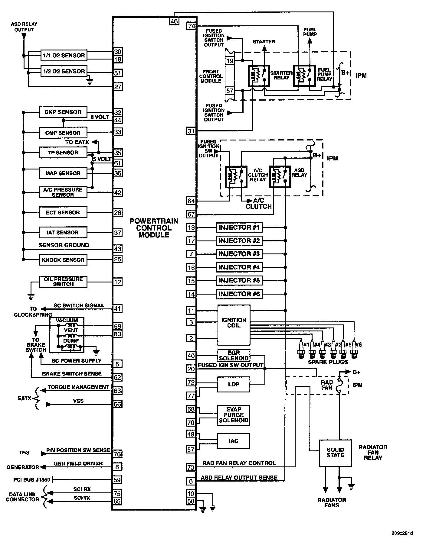
Engine Control Module

2001 and 2002 RS 2.4L:



2001 and 2002 RS 3.3L/3.8L: