lemon-mirror:
Home >> Chrysler >> 2003 >> Sebring Convertible L4-2.4L VIN X >> Repair and Diagnosis >> Powertrain Management >> Computers and Control Systems >> Body Control Module >> Diagrams >> Electrical Diagrams

Electrical Diagrams

Airbag System - Base:




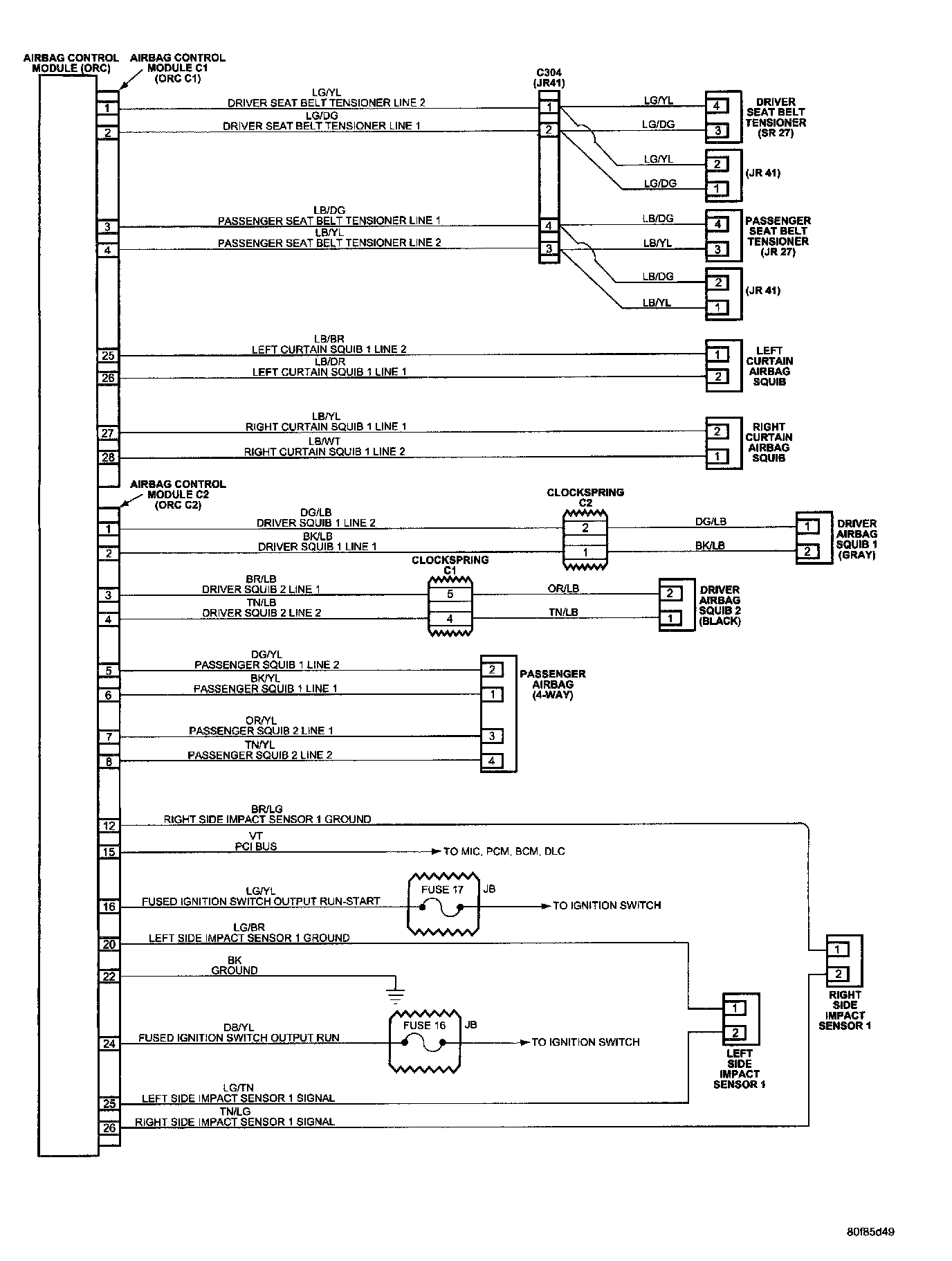
Airbag System - Premium:




Base Radio - JR41:




Base Radio - JR27:




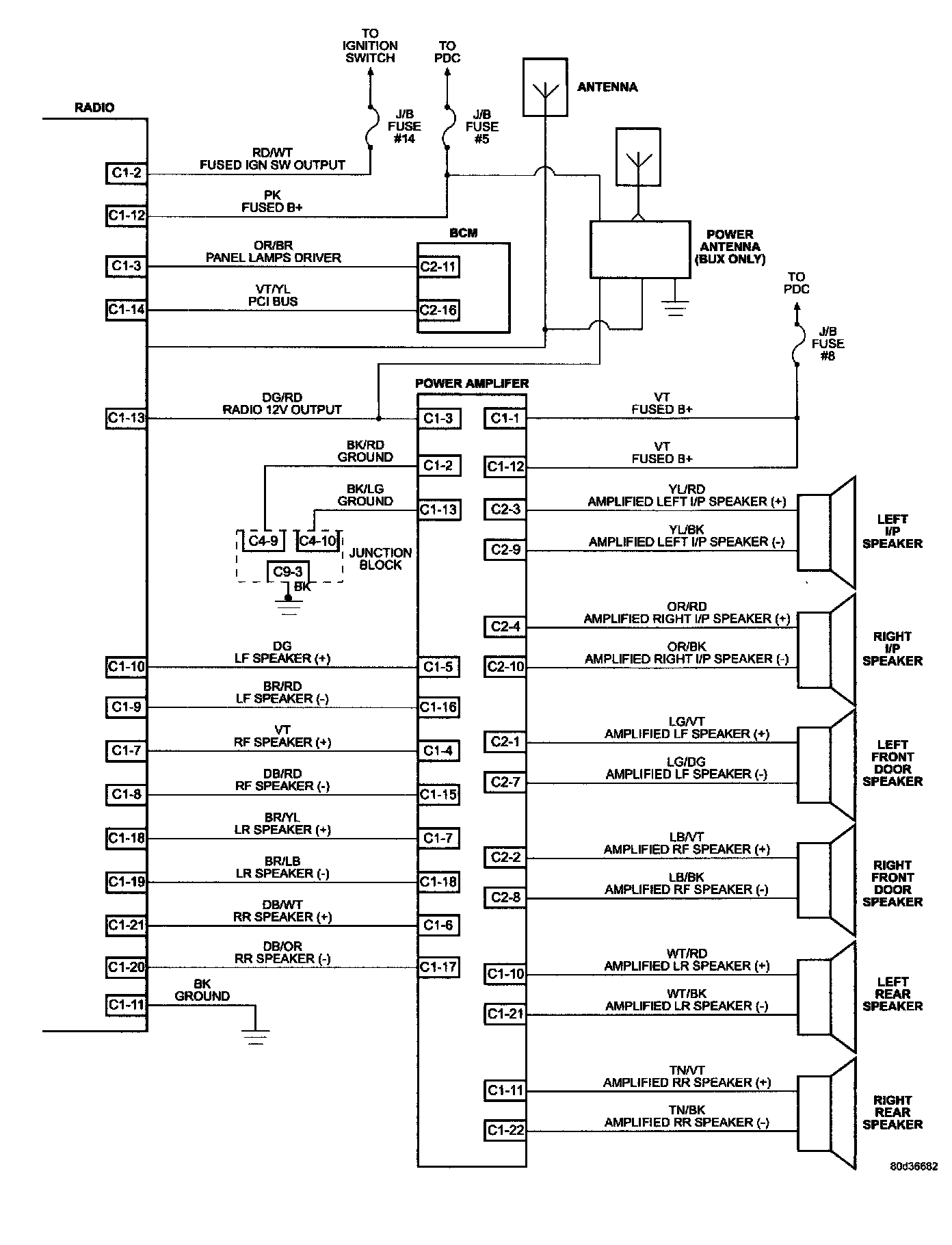
Premium Radio - JR41:




Premium Radio - JR27:




CD Changer:




Chime System:




Compass/Mini-Trip Computer (CMTC):




Door Ajar:




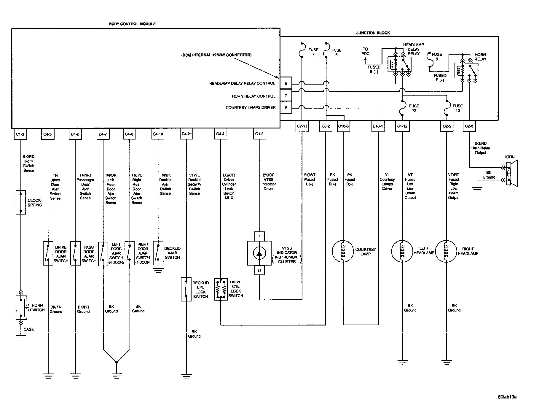
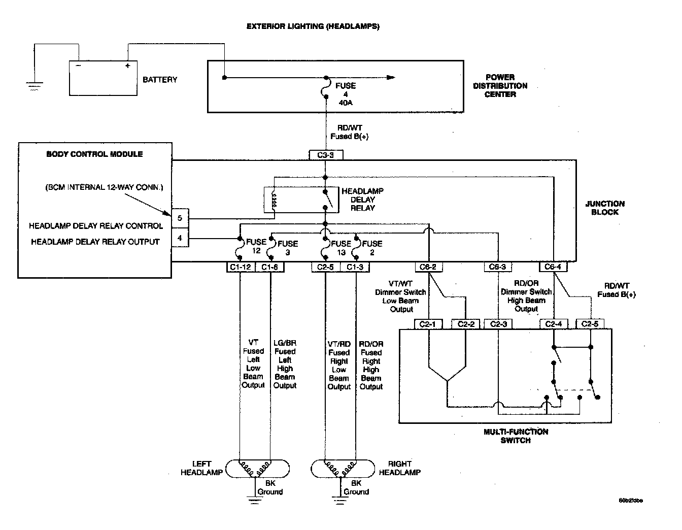
Exterior Lighting (Headlamps):




A/C-Heater Control:




HVAC Actuators & Evaporator Temperature Sensor:




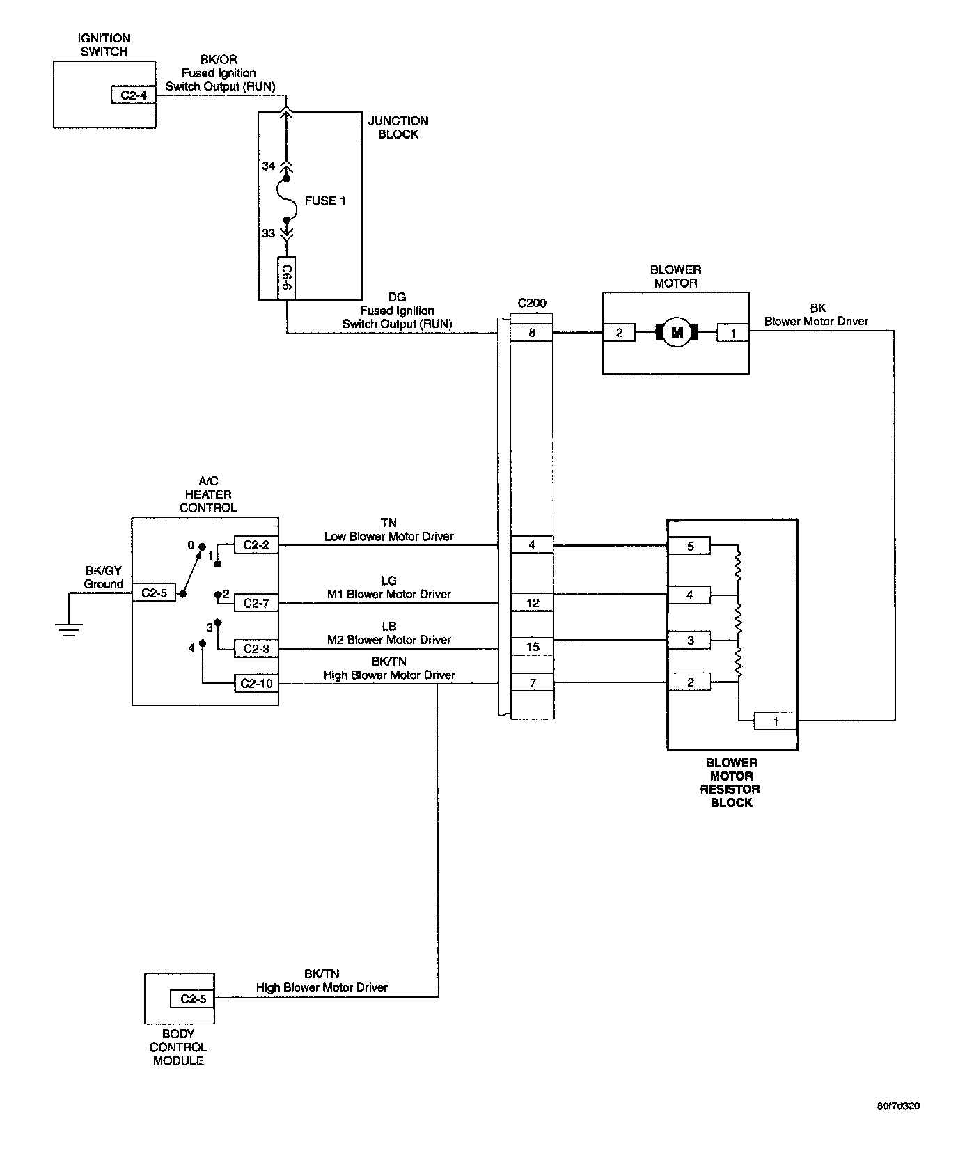
Blower Motor:




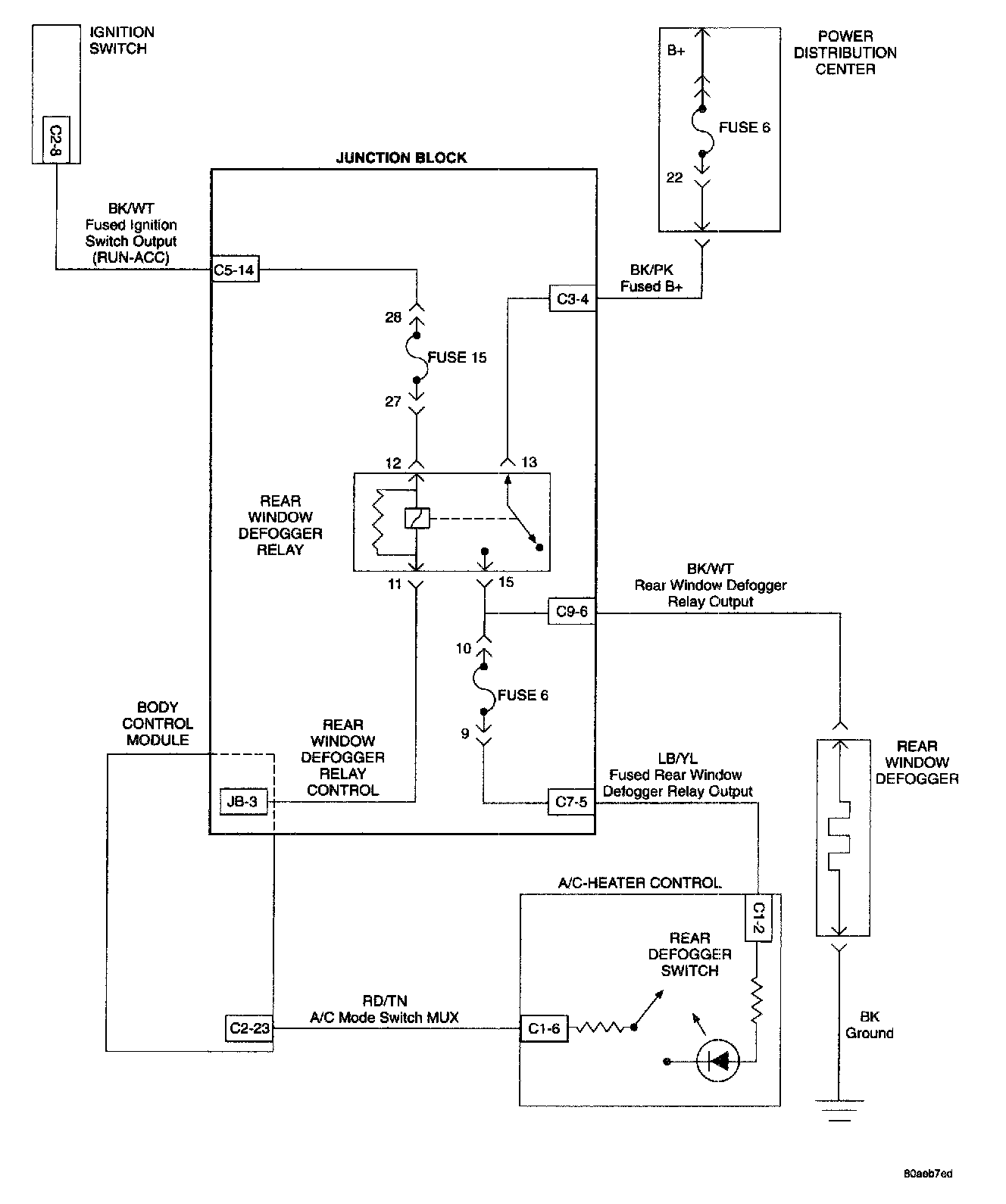
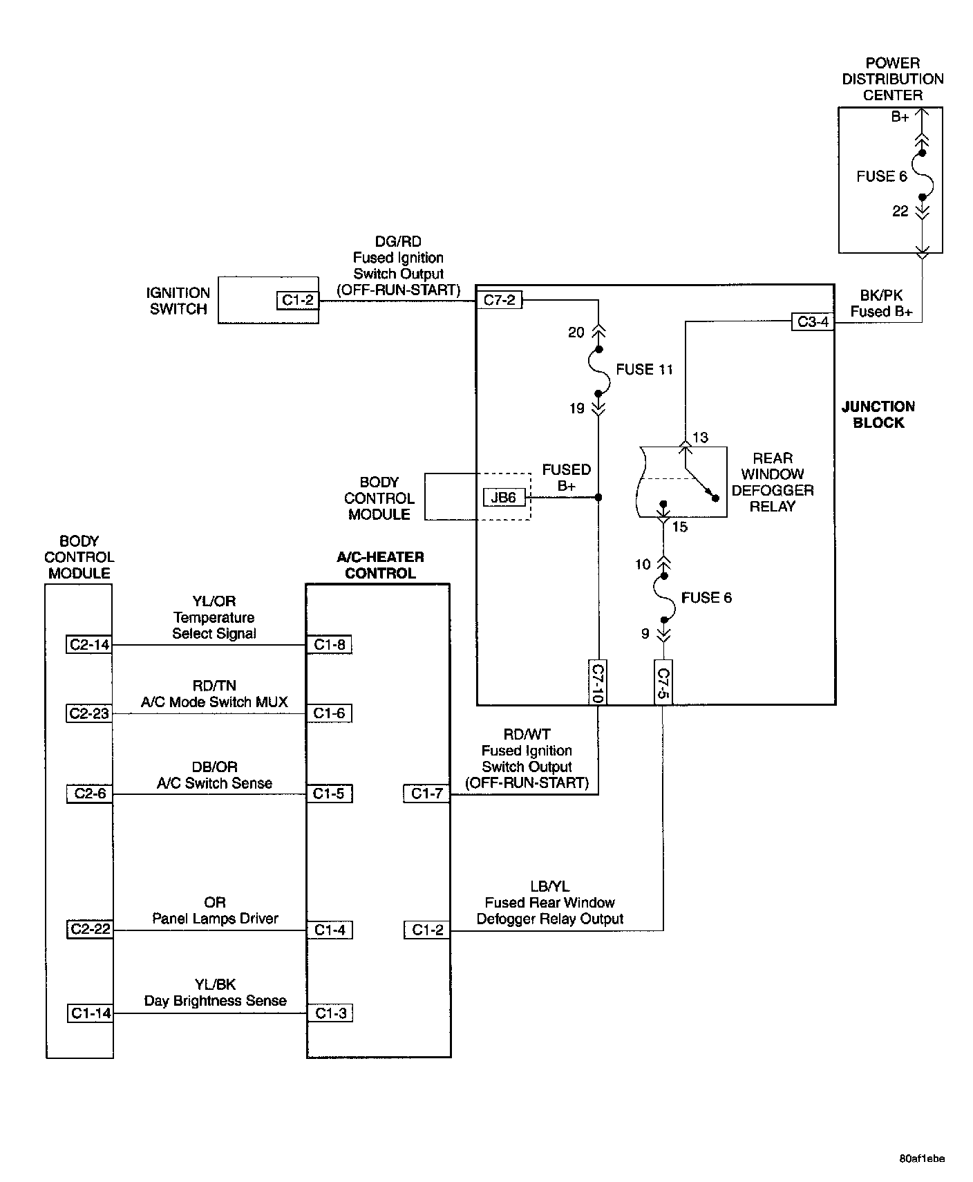
Rear Window Defogger:




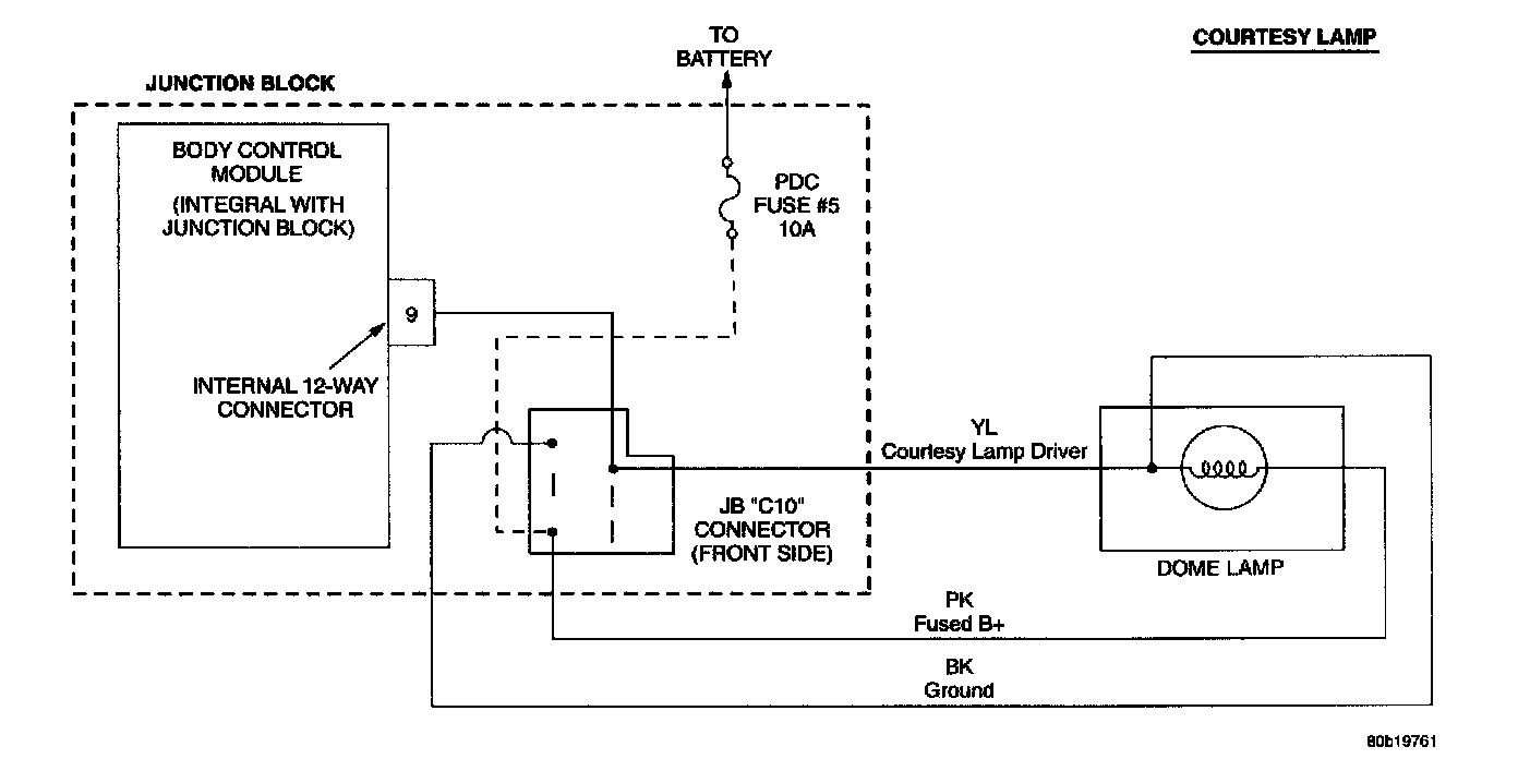
Courtesy Lamps:




Panel Lamps:




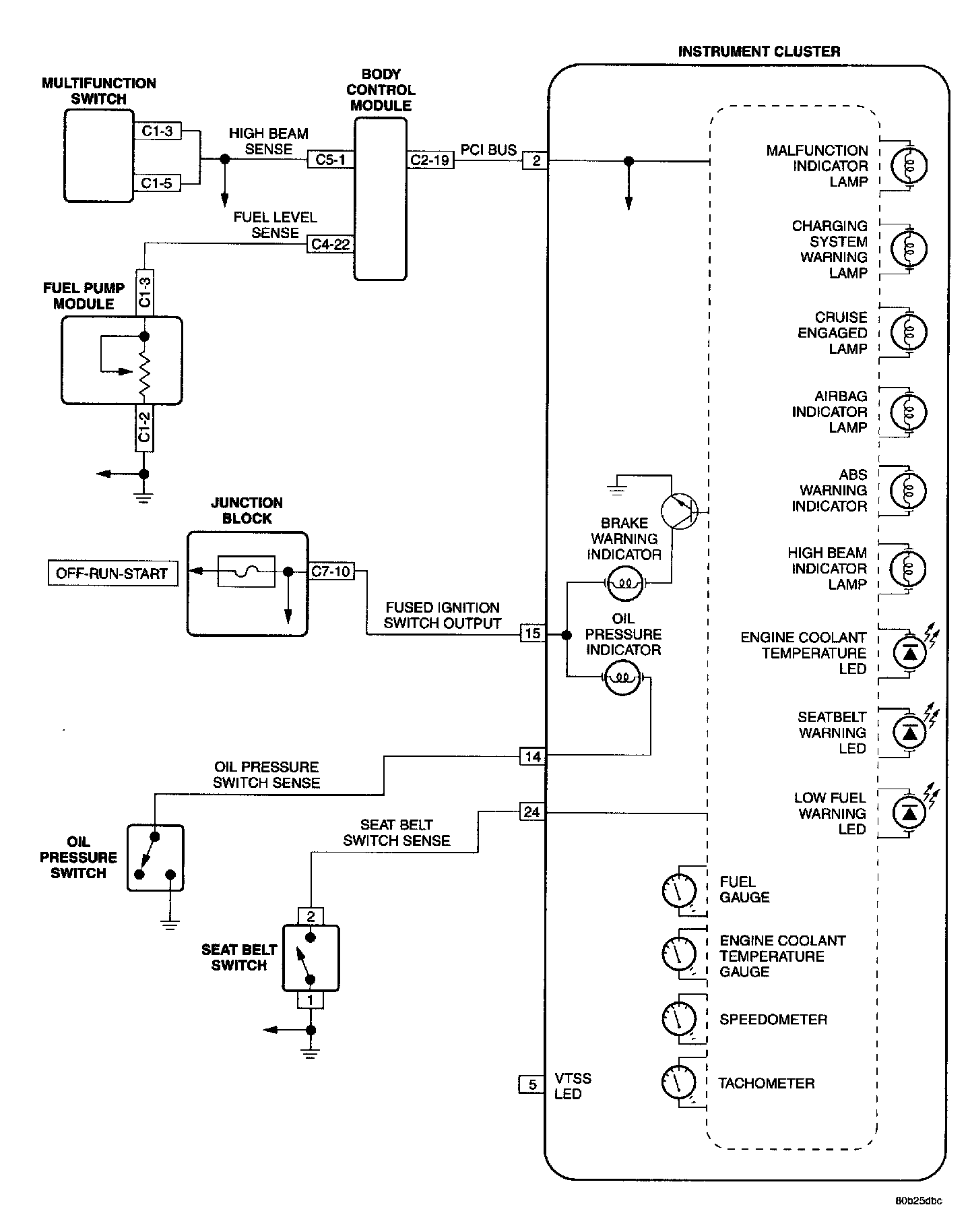
Mechanical Instrument Cluster:




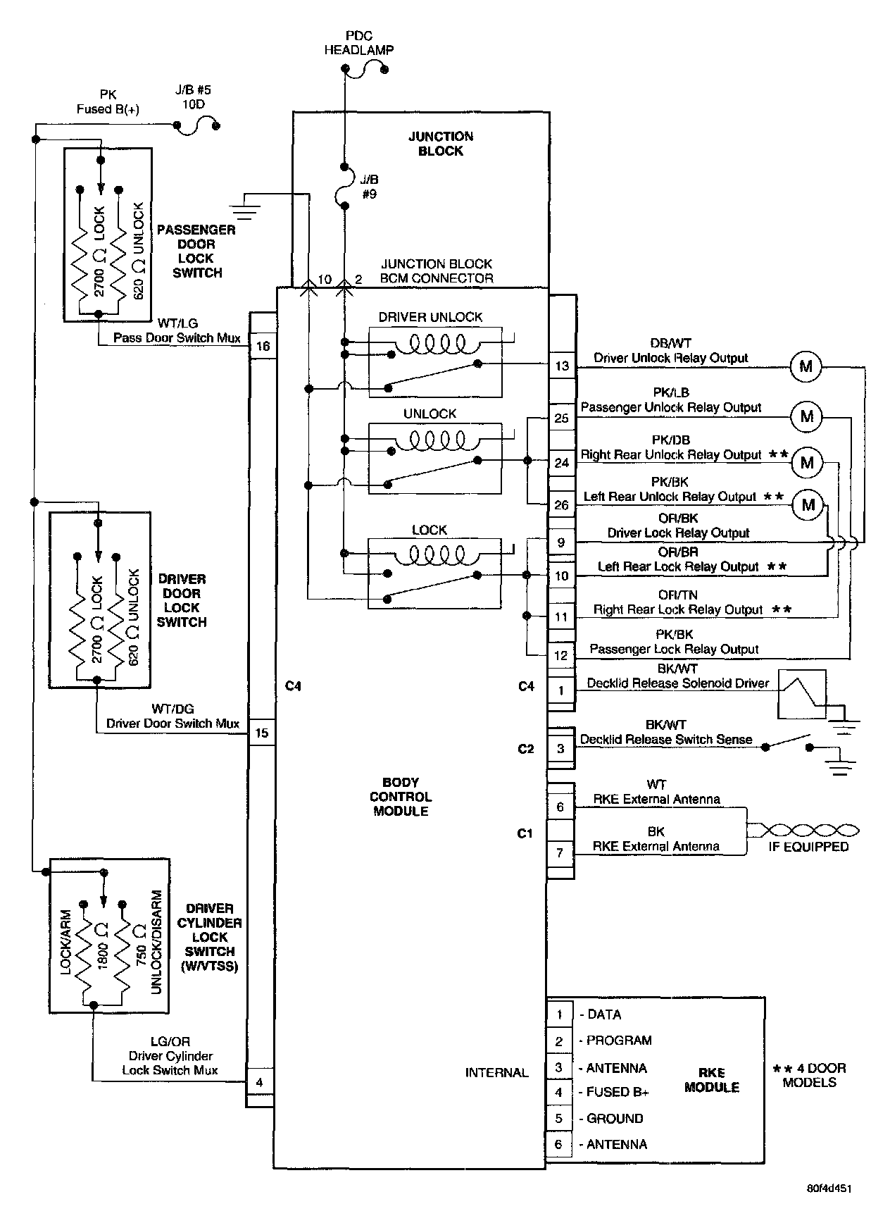
Power Door Locks/RKE:




Convertible Top:




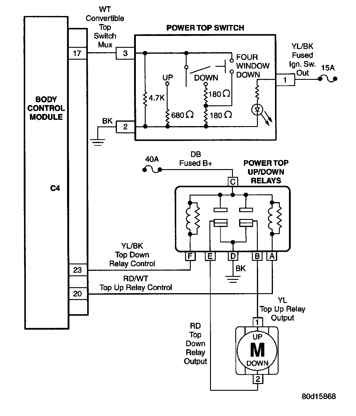
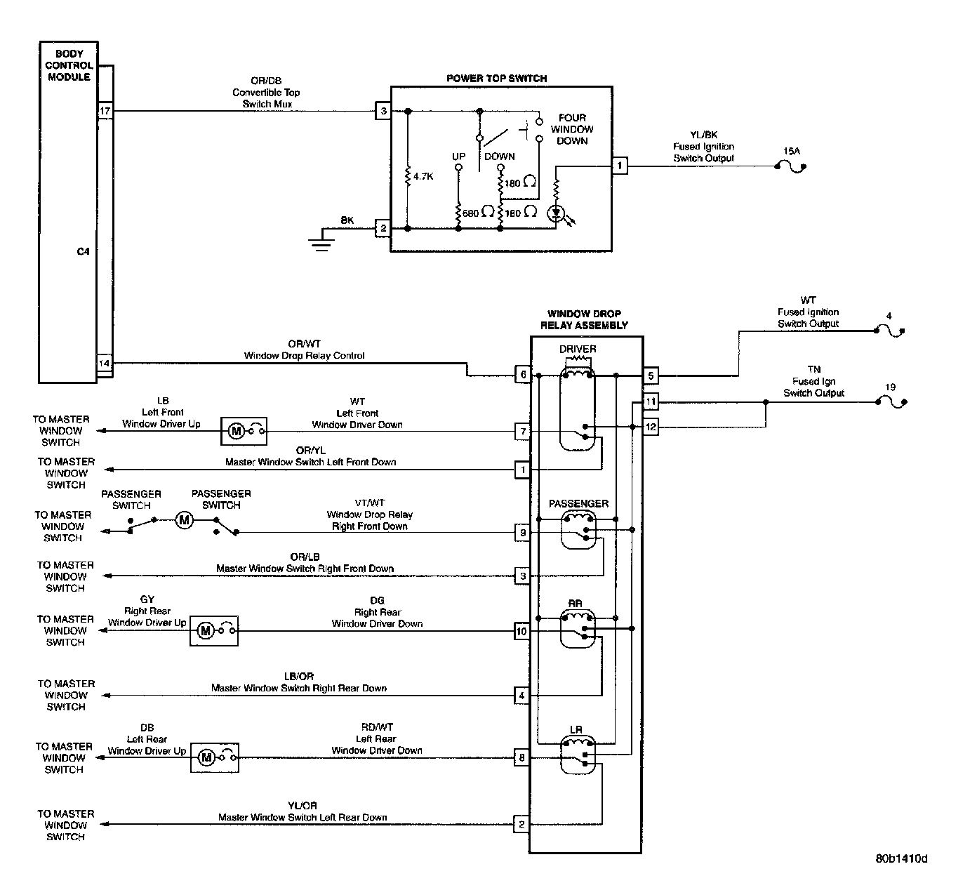
Power Top/4 Window Drop:




PCI Bus Communication:




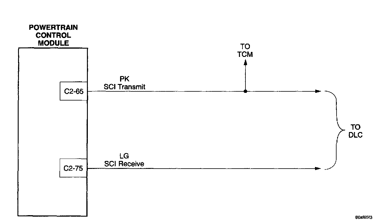
PCM Communication:




PCM Communication - NGC:




Vehicle Theft Security System:




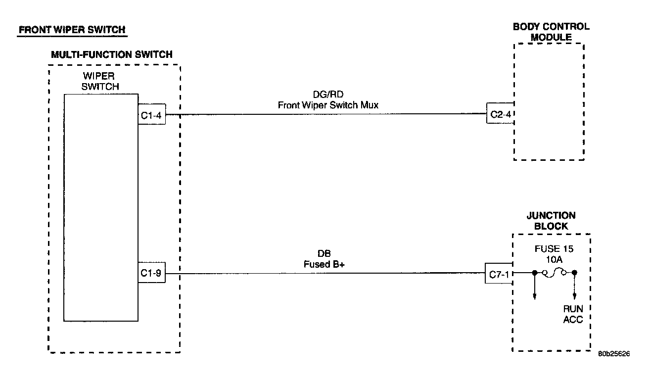
Wiper Switch:




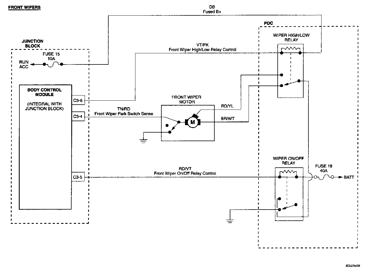
Front Wipers: