lemon-mirror:
Home >> Chrysler >> 2003 >> Sebring Convertible L4-2.4L VIN X >> Repair and Diagnosis >> Diagrams >> Electrical Diagrams >> Powertrain Management >> Engine Control Module

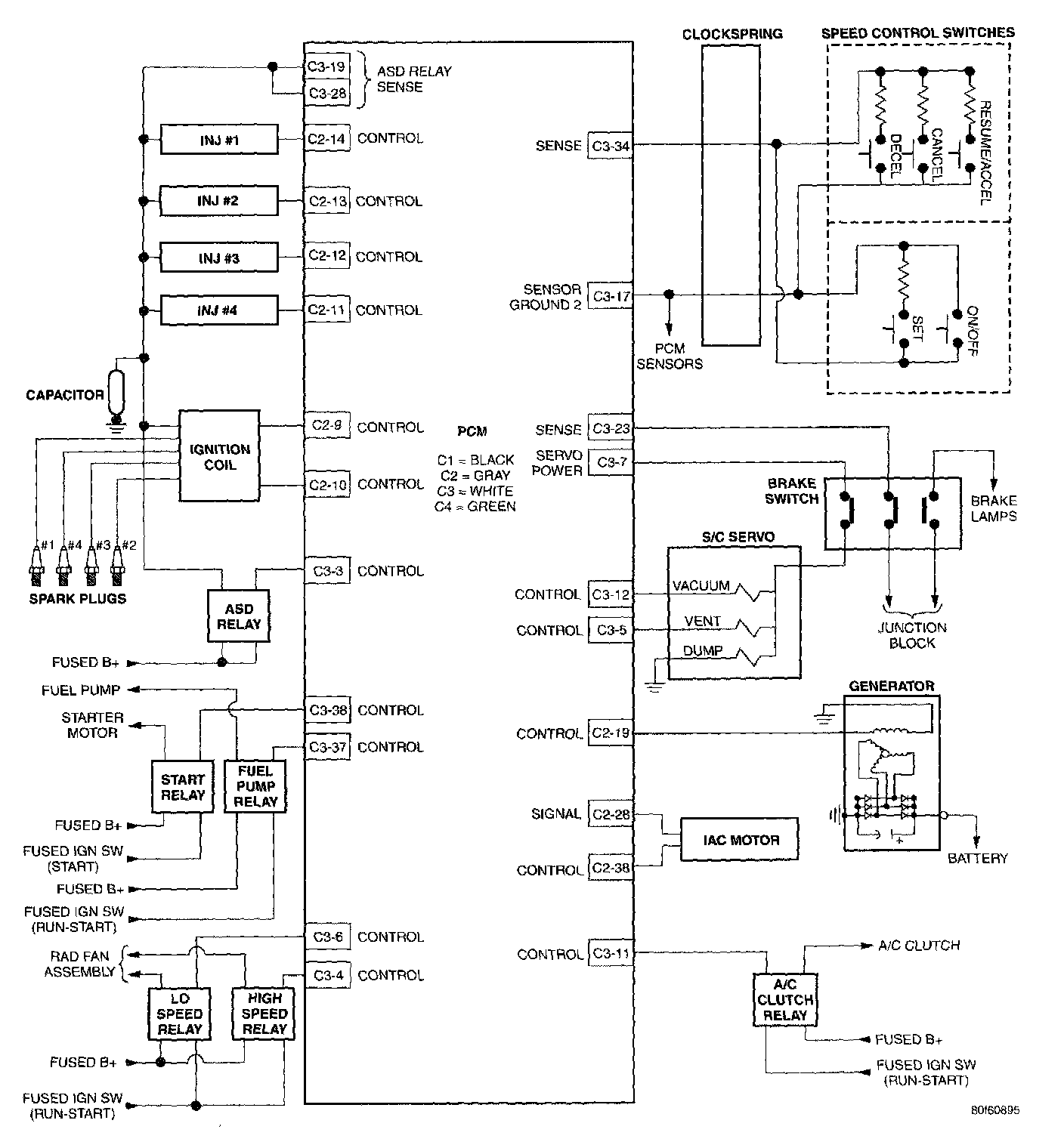
Engine Control Module

2003 JR 2.0L/2.4L NGC:



2003 JR 2.0L/2.4L NGC: