lemon-mirror:
Home >> Chrysler >> 2003 >> Intrepid (CANADA) V6-2.7L >> Repair and Diagnosis >> Diagrams >> Electrical Diagrams >> Powertrain Management >> Body Control Module >> System Schematic

System Schematic

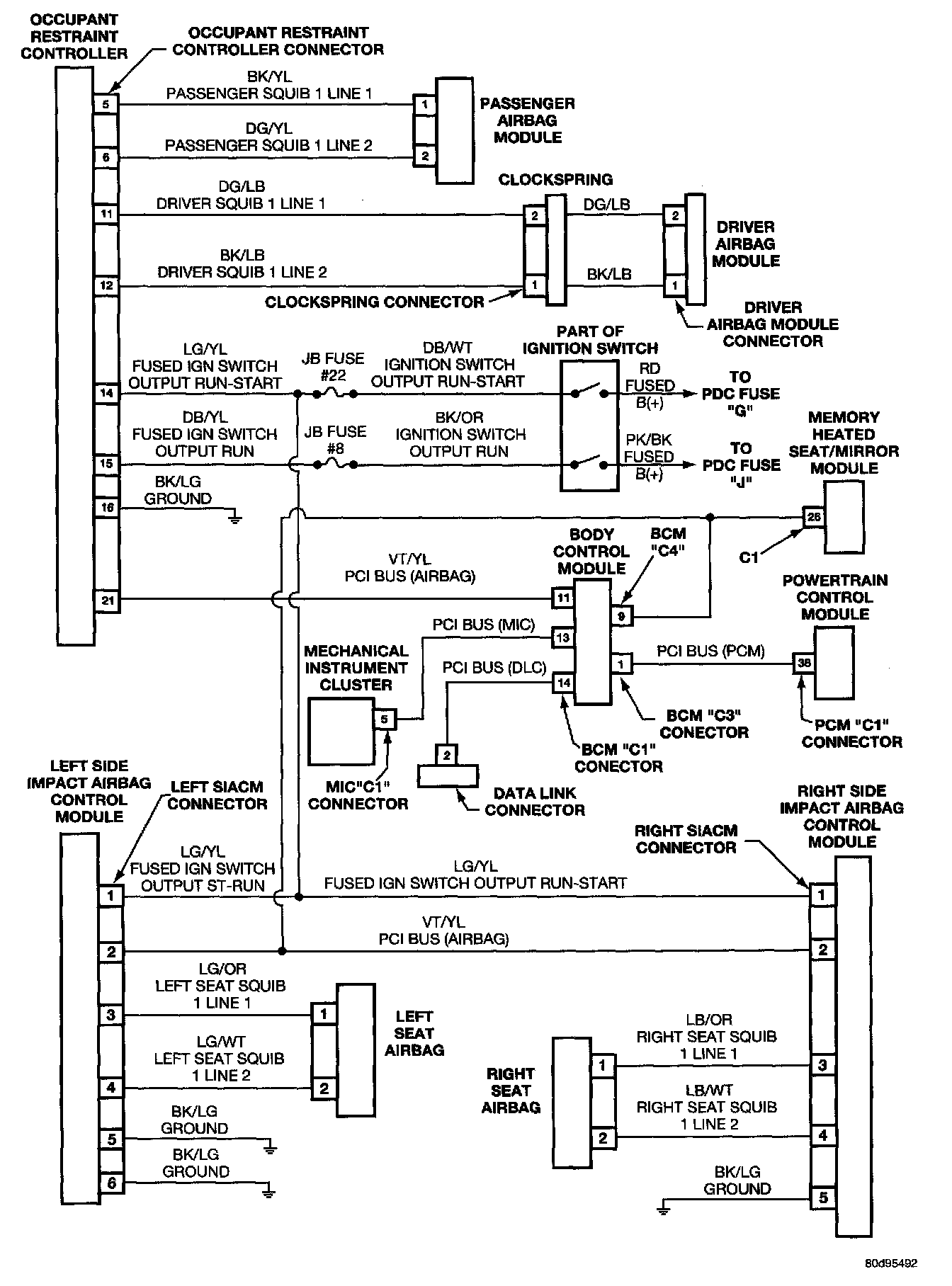
Airbag Systems:




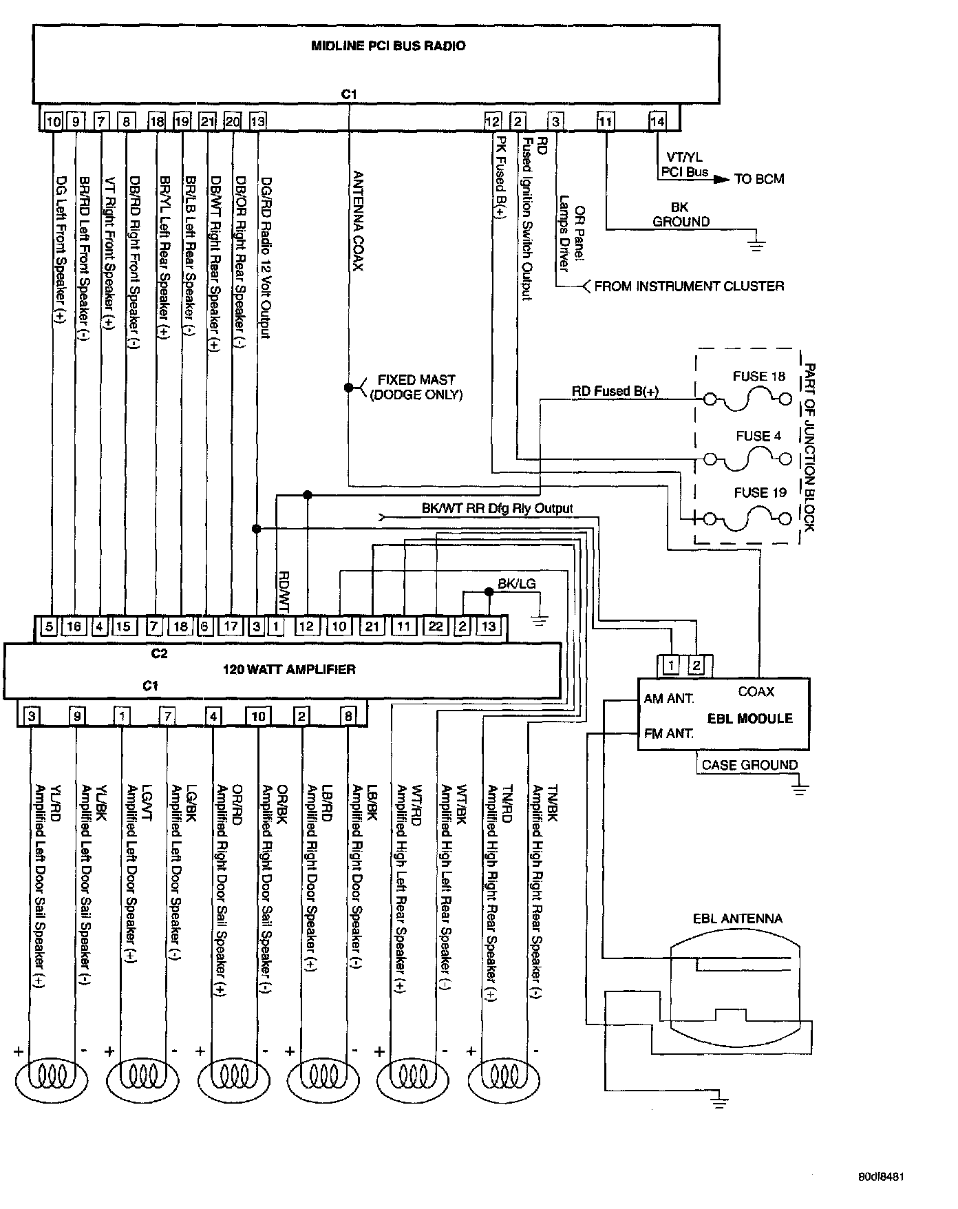
Audio System - Midline:




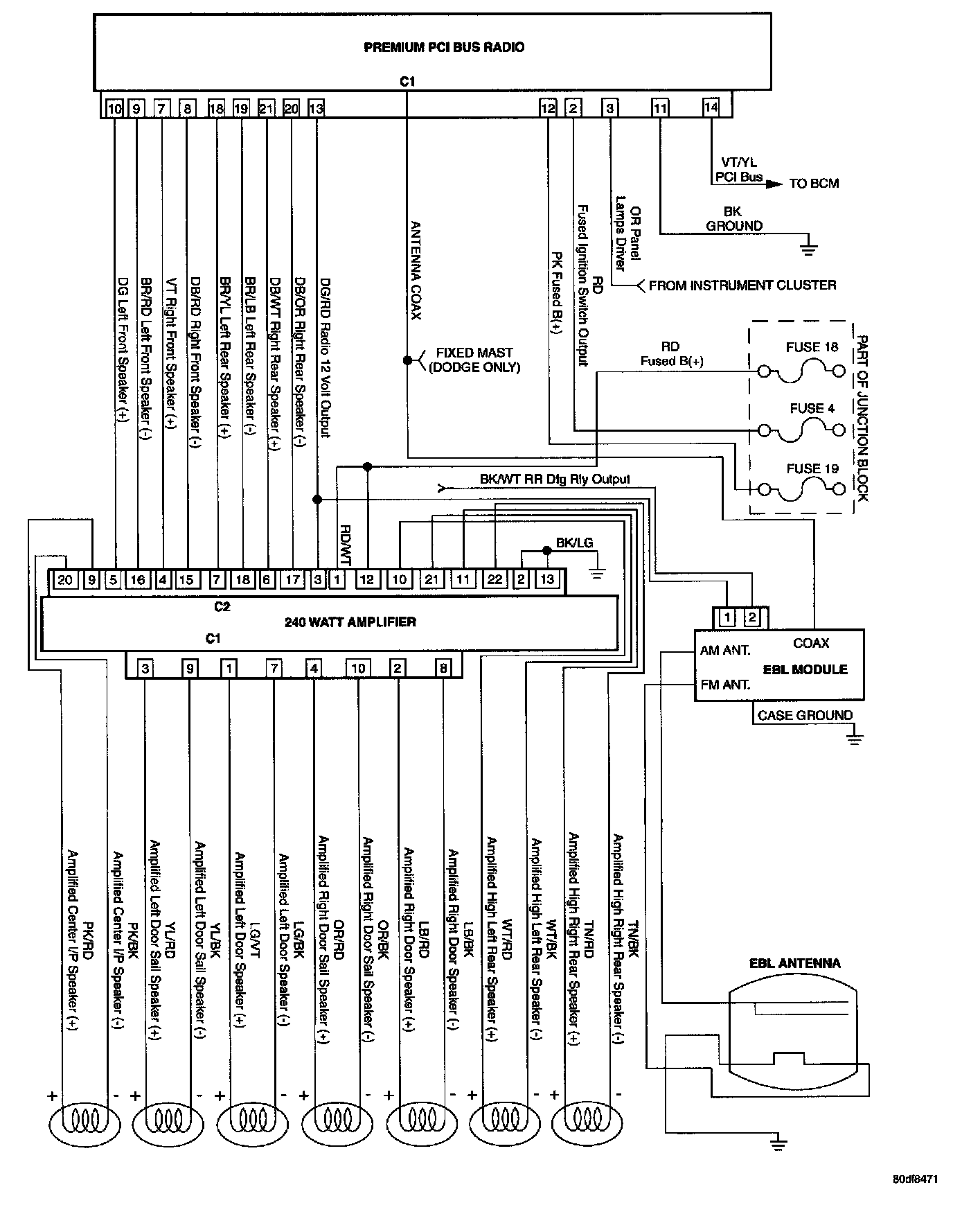
Audio System - Premium Infinity I:




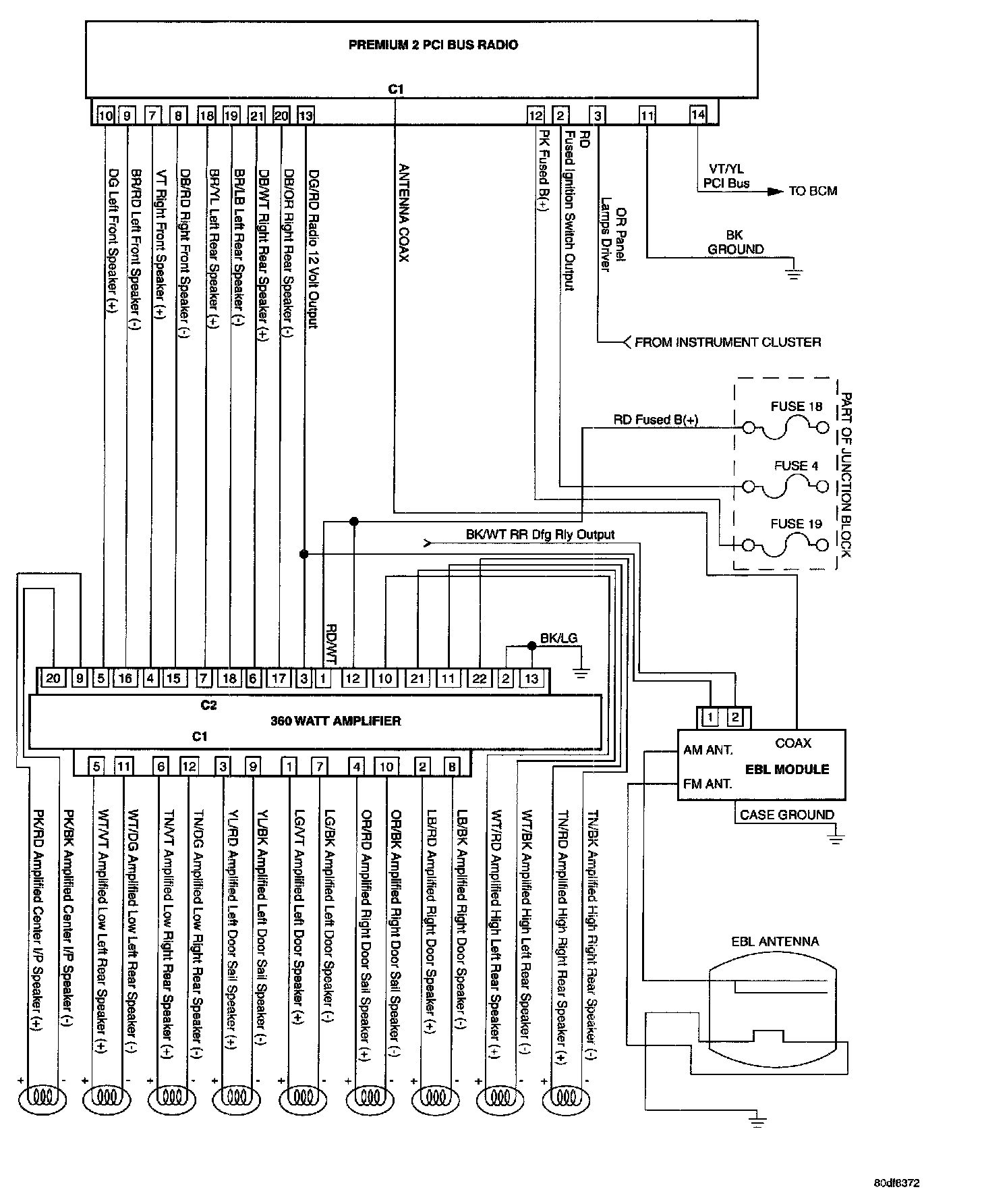
Audio System - Premium 2 Infinity II:




CD Changer:




Remote Radio Switches:




Chime Warning System:




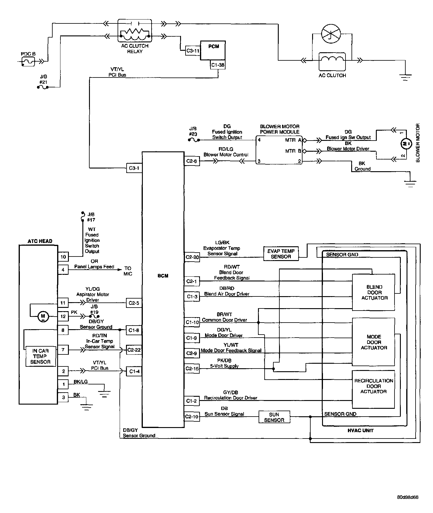
Climate Control - Automatic Temperature Control:




Climate Control - Manual Temperature Control:




Communications:




PCM Communication:




Door Ajar:




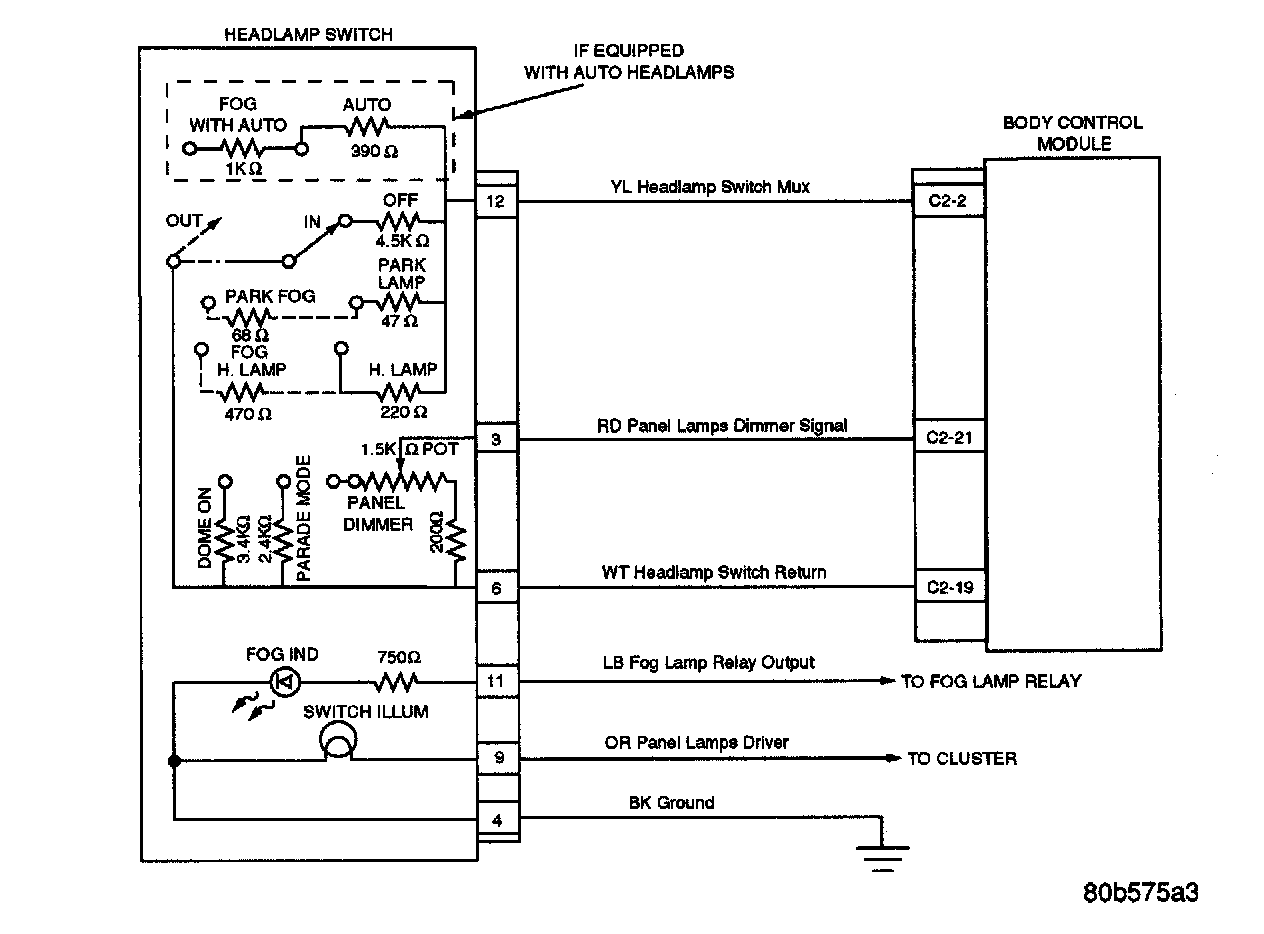
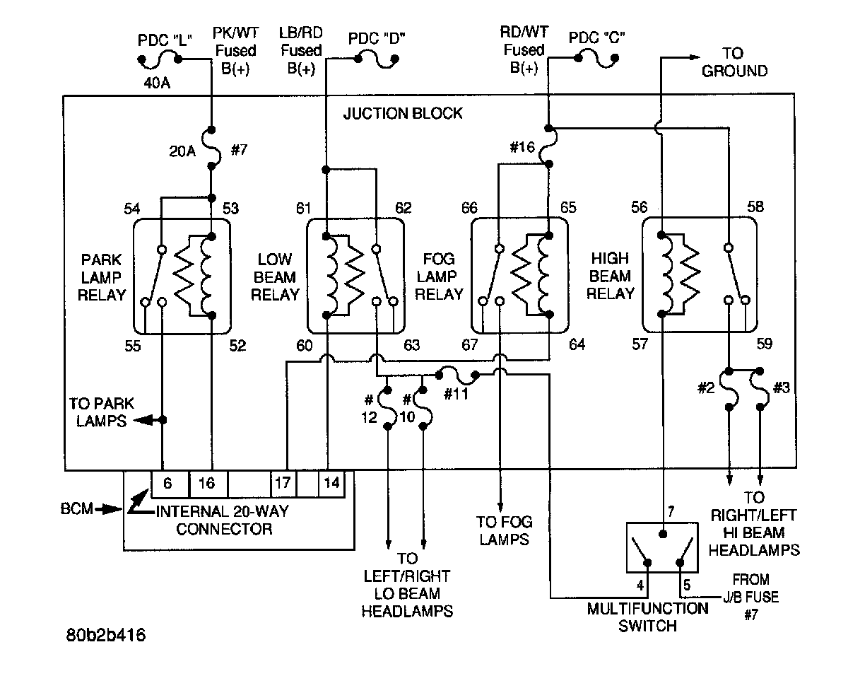
Exterior Lighting:




Exterior Lighting:




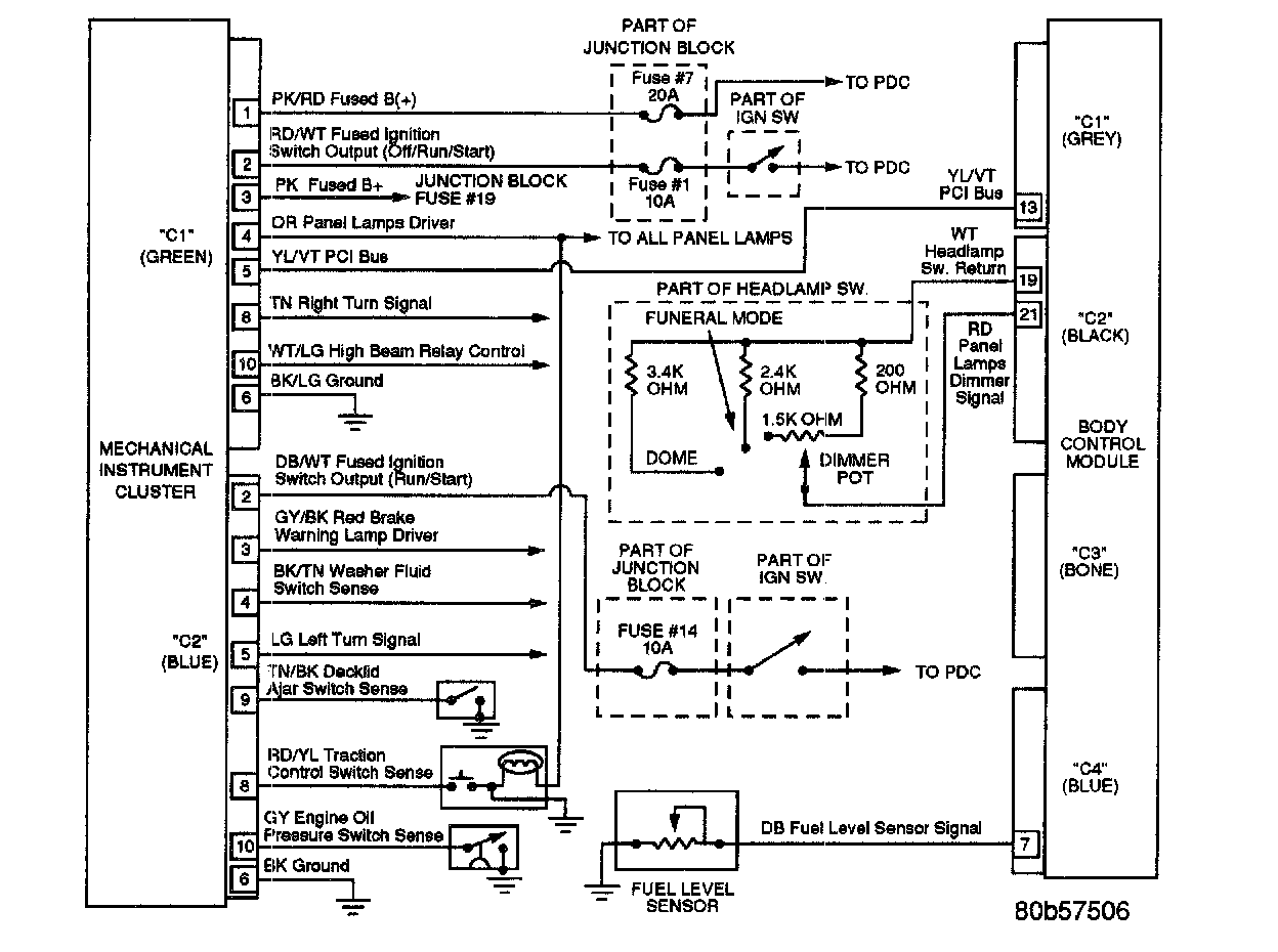
Instrument Cluster:




Instrument Cluster:




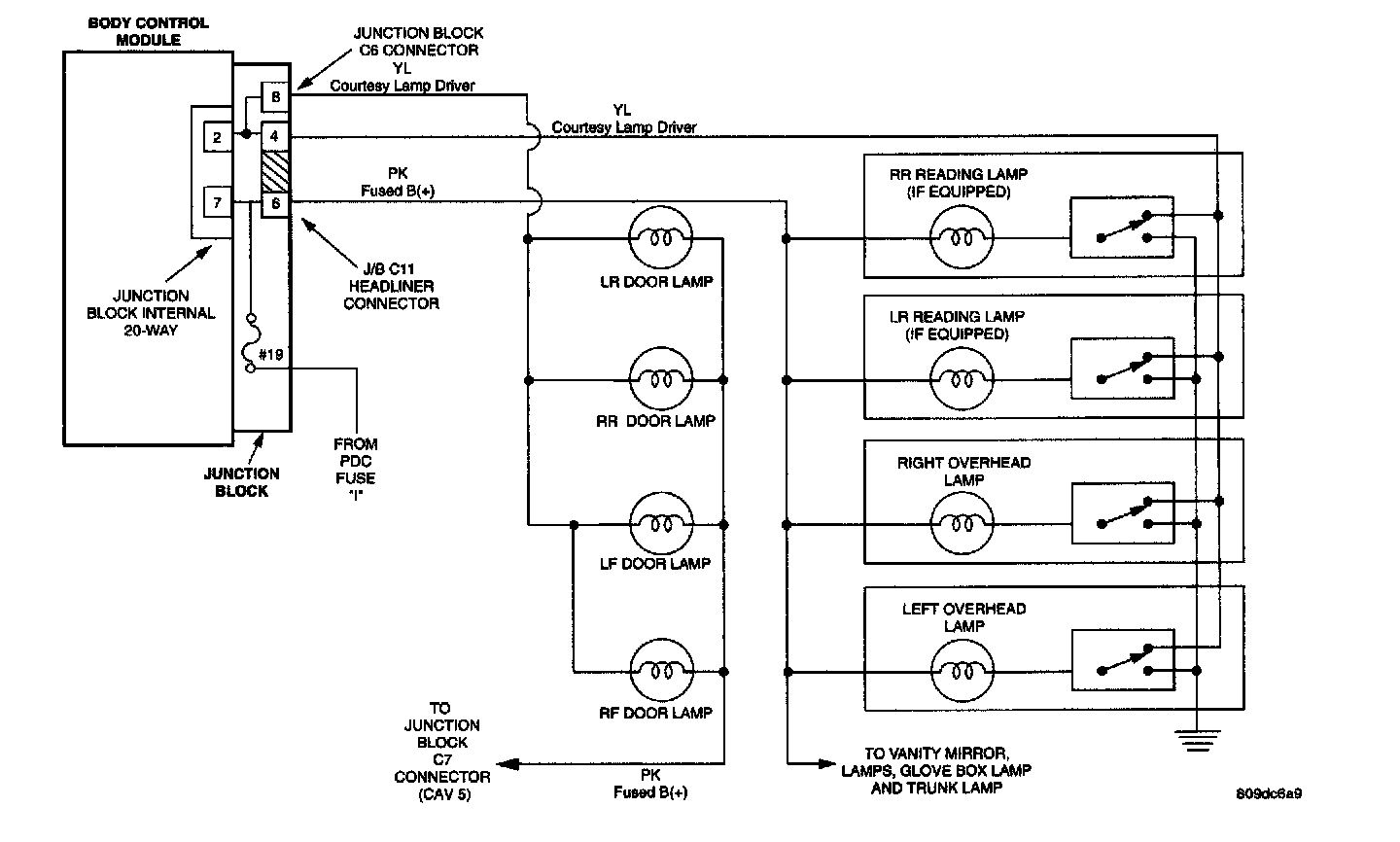
Interior Lighting:




Interior Lighting:




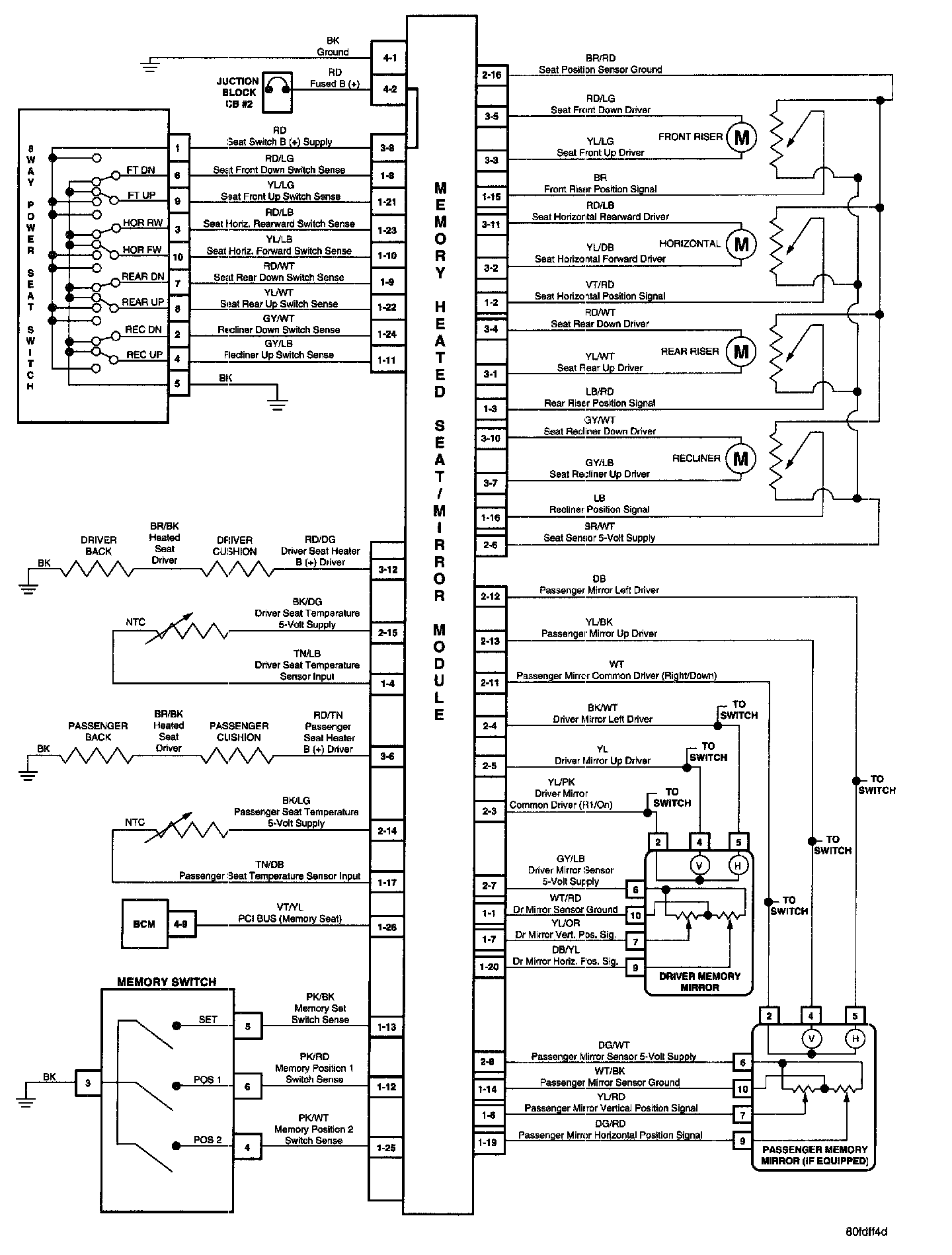
Memory System:




OTIS:




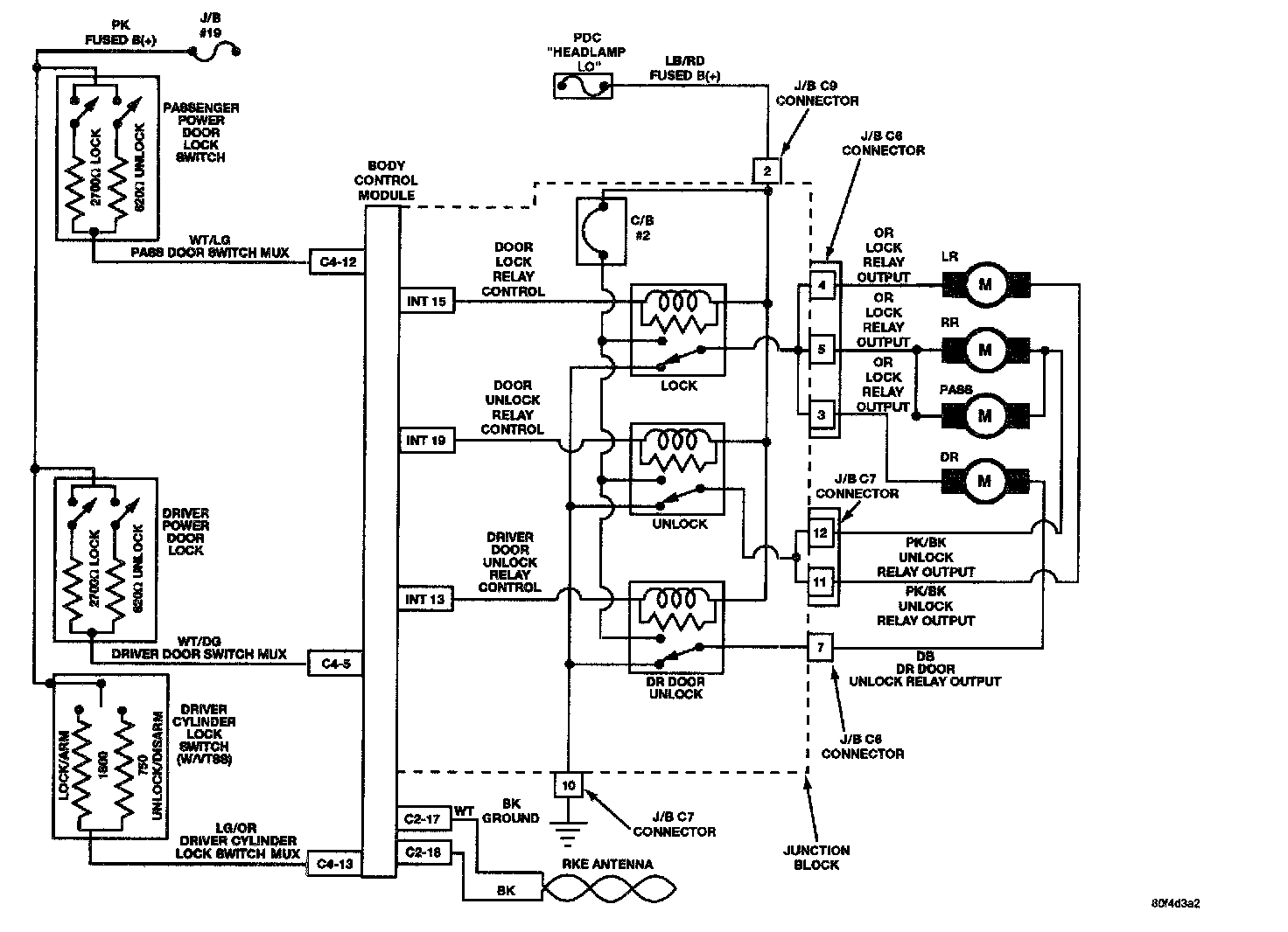
Door Locks:




Decklid Release:




Sentry Key Immobilizer:




Speed Proportional Steering:




Vehicle Theft Security System:




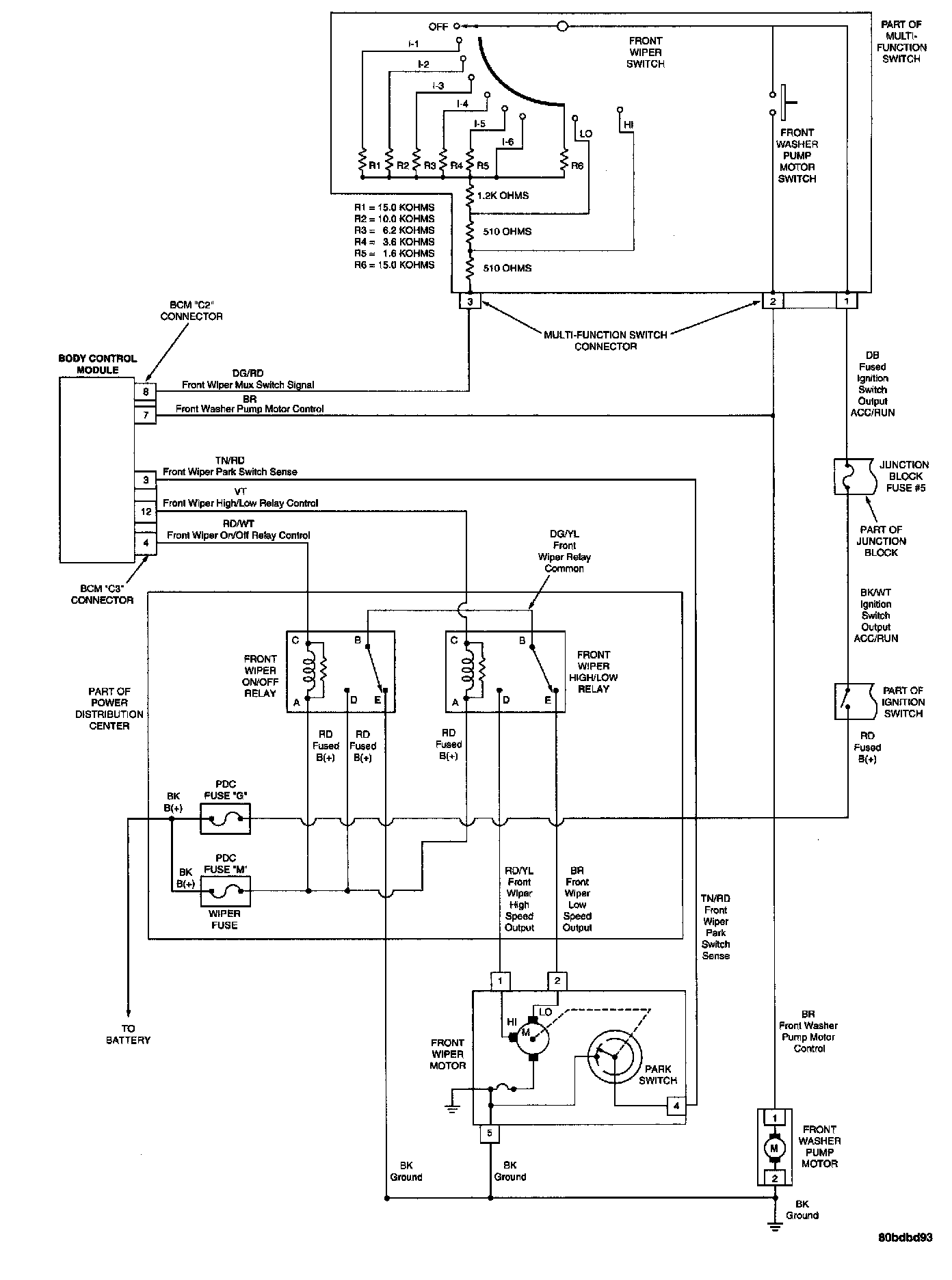
Wiper System: