lemon-mirror:
Home >> Chrysler >> 2003 >> Intrepid (CANADA) V6-2.7L >> Repair and Diagnosis >> Diagrams >> Connector Views >> Relay Box

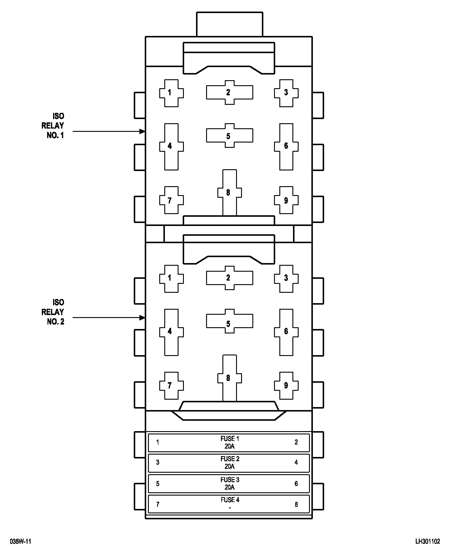
Relay Box

8w-11-2 Rear Fuse Block (Police Package):



8w-11-3 Fuses (Rear Fuse Block - Police Package):