lemon-mirror:
Home >> Chrysler >> 2002 >> Voyager L4-2.4L VIN B >> Repair and Diagnosis >> Diagrams >> Electrical Diagrams >> Powertrain Management >> Computers and Control Systems >> Engine Control Module >> System Schematic

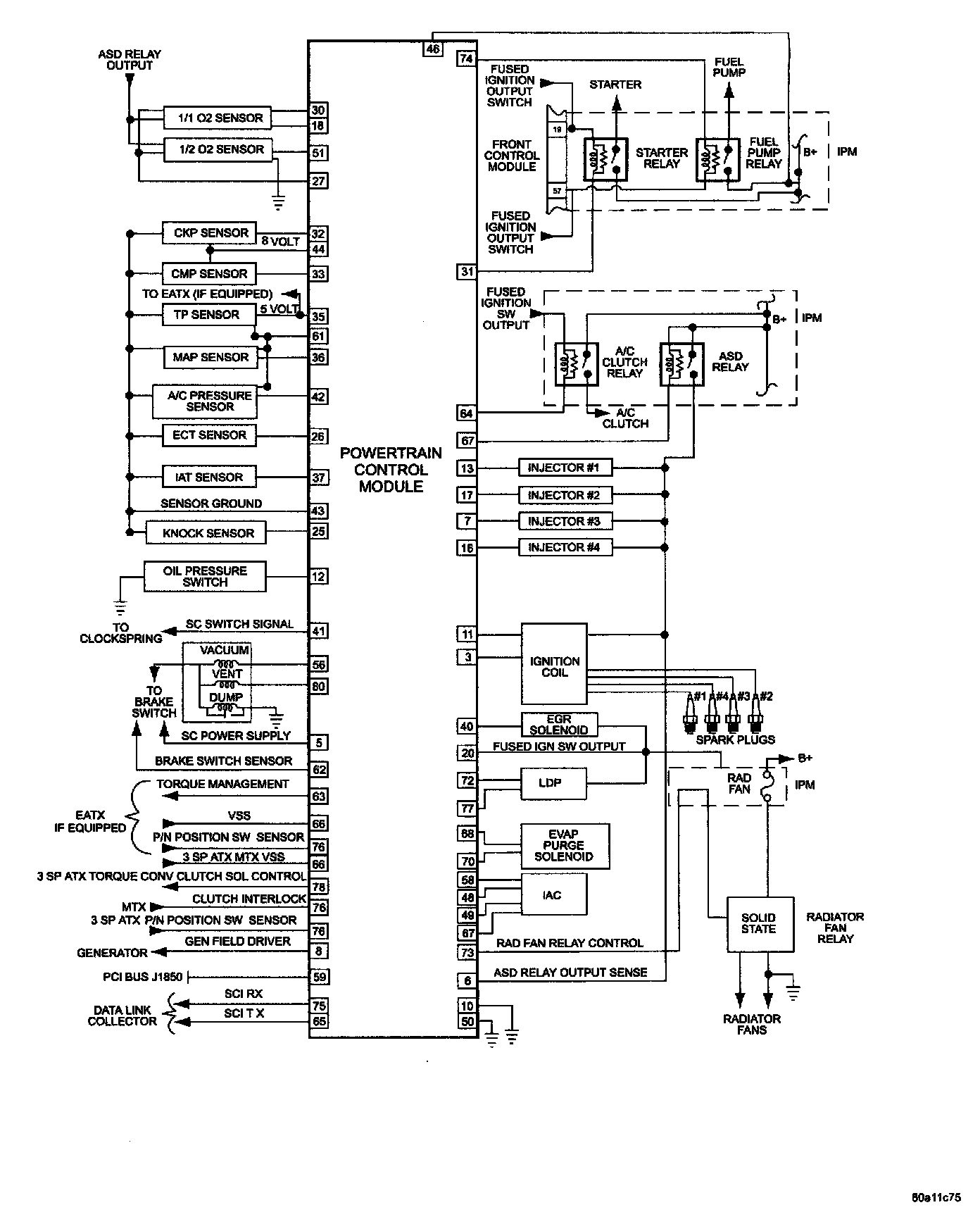
System Schematic

2001 and 2002 RS 2.4L: