lemon-mirror:
Home >> Chrysler >> 2002 >> Prowler V6-3.5L VIN G >> Repair and Diagnosis >> Diagrams >> Electrical Diagrams >> Powertrain Management >> Computers and Control Systems >> Engine Control Module >> System Schematic

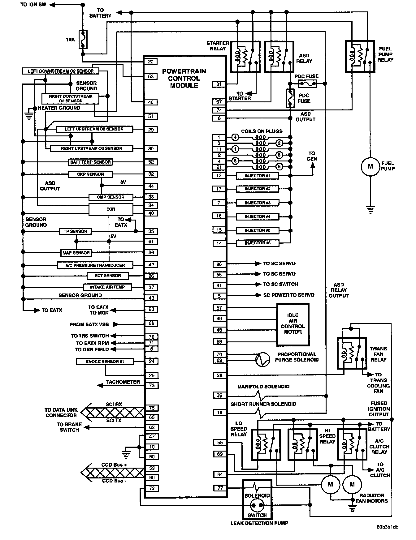
System Schematic

2002 PR 3.5L Engine: