lemon-mirror:
Home >> Chrysler >> 2002 >> PT Cruiser L4-2.4L VIN B >> Repair and Diagnosis >> Diagrams >> Electrical Diagrams >> Powertrain Management >> Computers and Control Systems >> Engine Control Module >> System Schematic

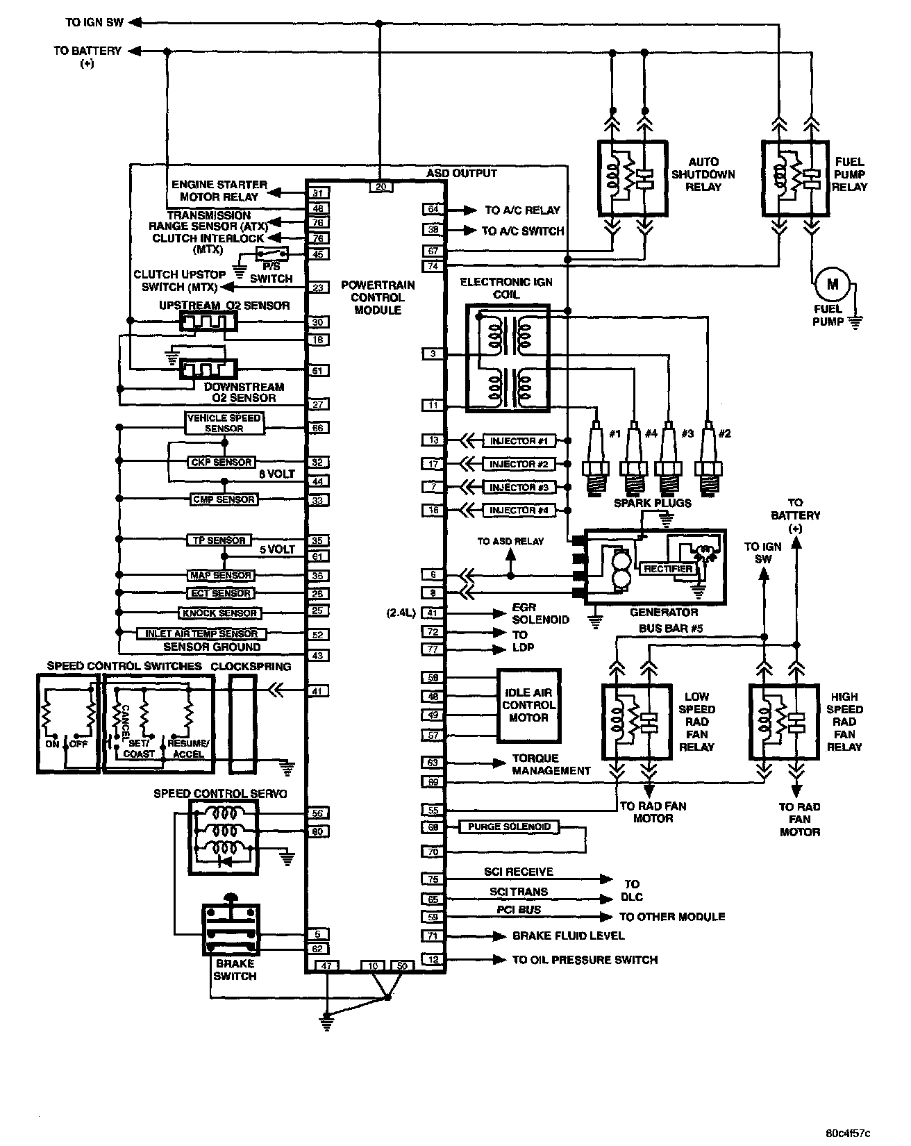
System Schematic

2002 PT 2.0L And 2.4L Engines: