lemon-mirror:
Home >> Chrysler >> 2002 >> PT Cruiser L4-2.4L VIN B >> Repair and Diagnosis >> Diagrams >> Connector Views >> Power Distribution Module

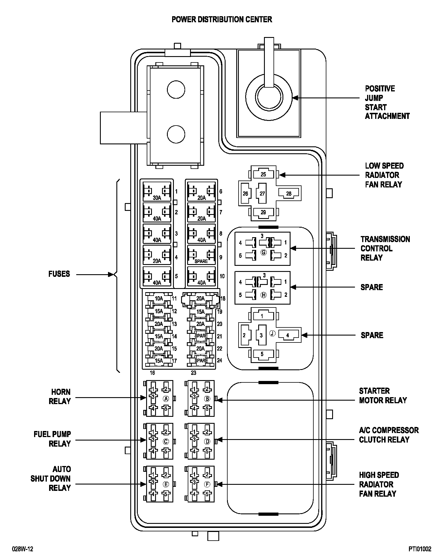
Power Distribution Module

Power Distribution Center:




Fuses:




A/C Compressor Clutch Relay:




Auto Shut Down Relay:




Fuel Pump Relay:




High Speed Radiator Fan Relay:




Horn Relay:




Low Speed Radiator Fan Relay:




Starter Motor Relay:




Transmission Control Relay: