lemon-mirror:
Home >> Chrysler >> 2002 >> Intrepid (CANADA) V6-2.7L >> Repair and Diagnosis >> Diagrams >> Exploded Views >> Rear Door

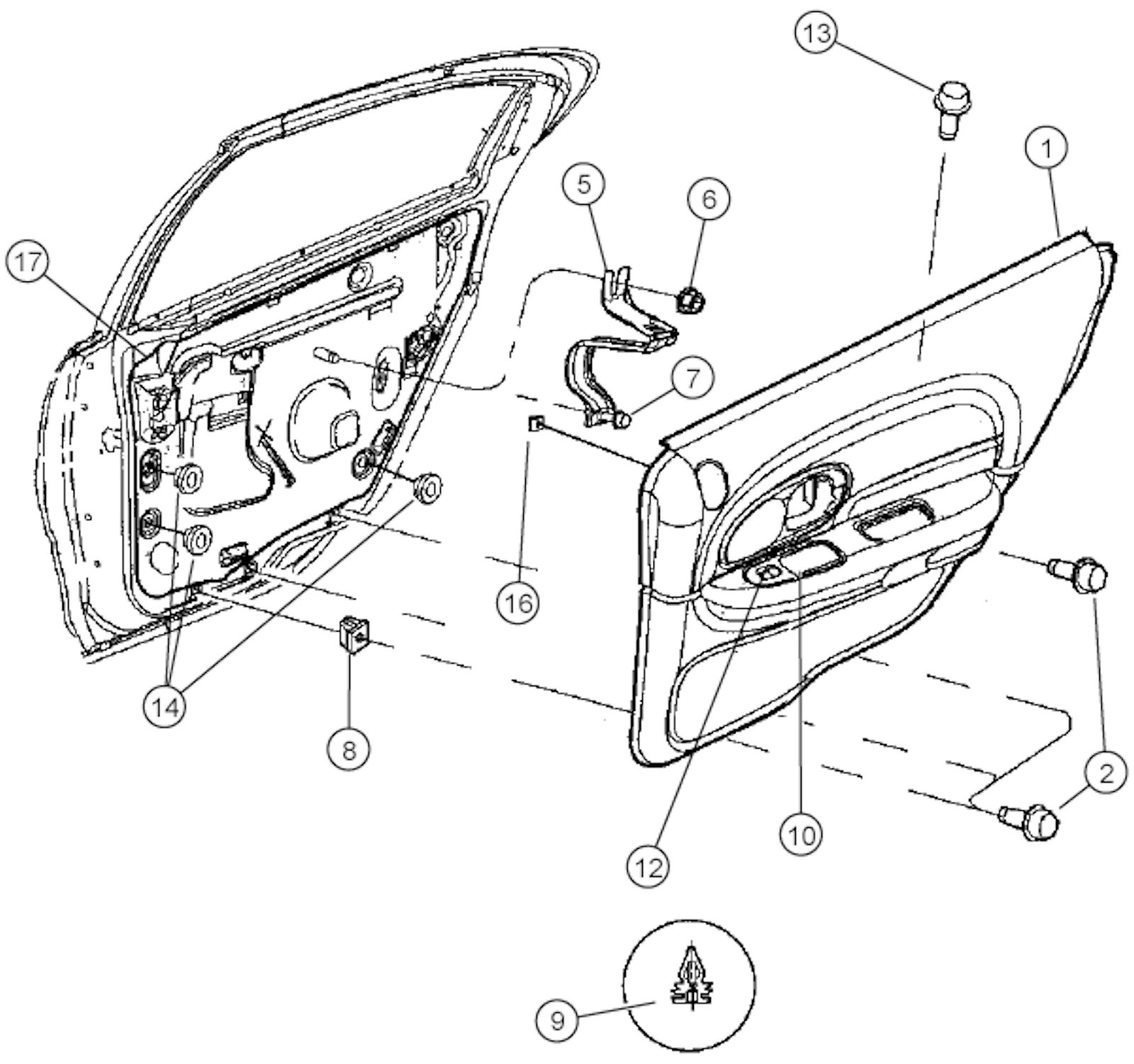
Rear Door