lemon-mirror:
Home >> Chrysler >> 2002 >> Intrepid (CANADA) V6-2.7L >> Repair and Diagnosis >> Diagrams >> Electrical Diagrams >> Power Distribution Module >> Power Distribution

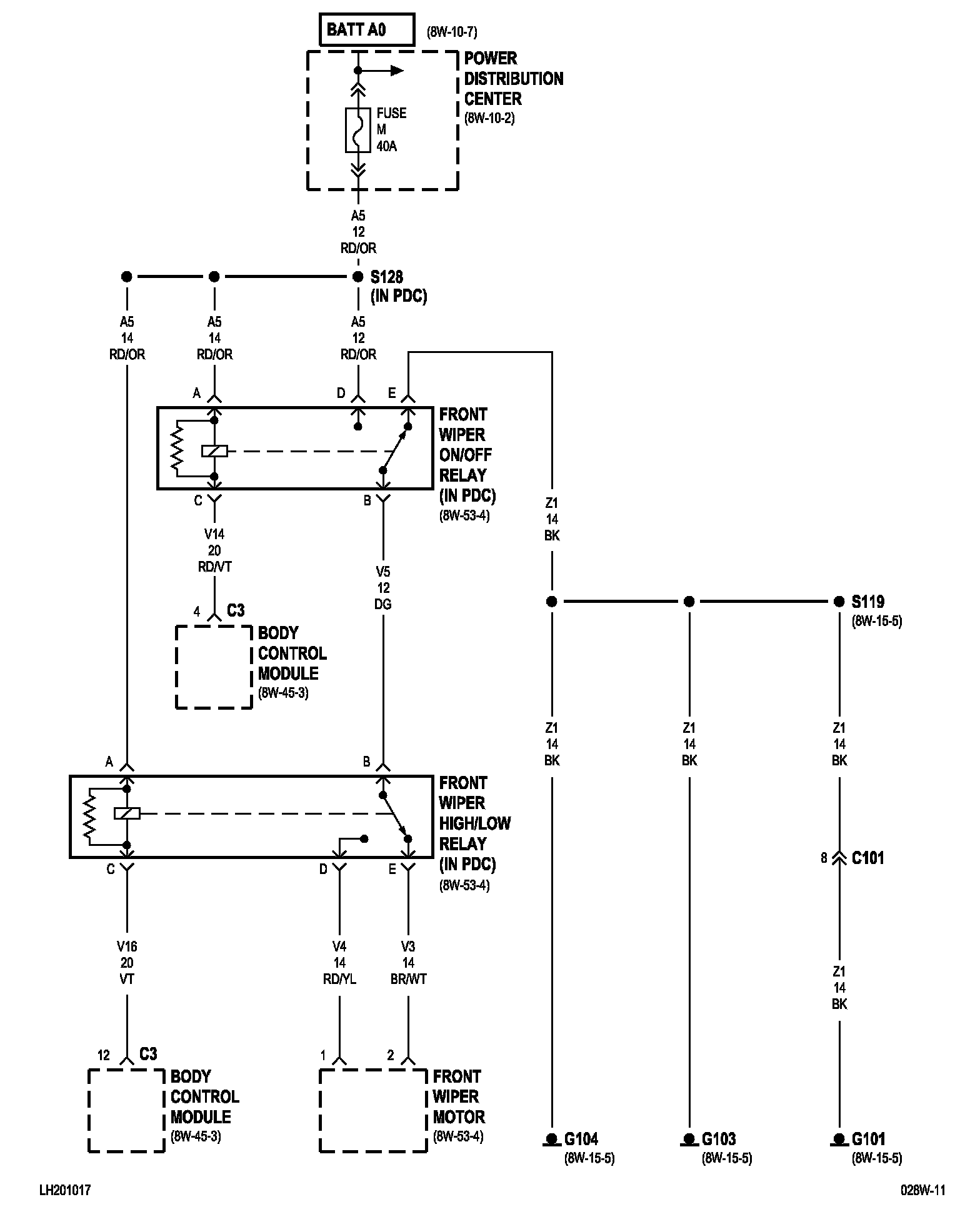
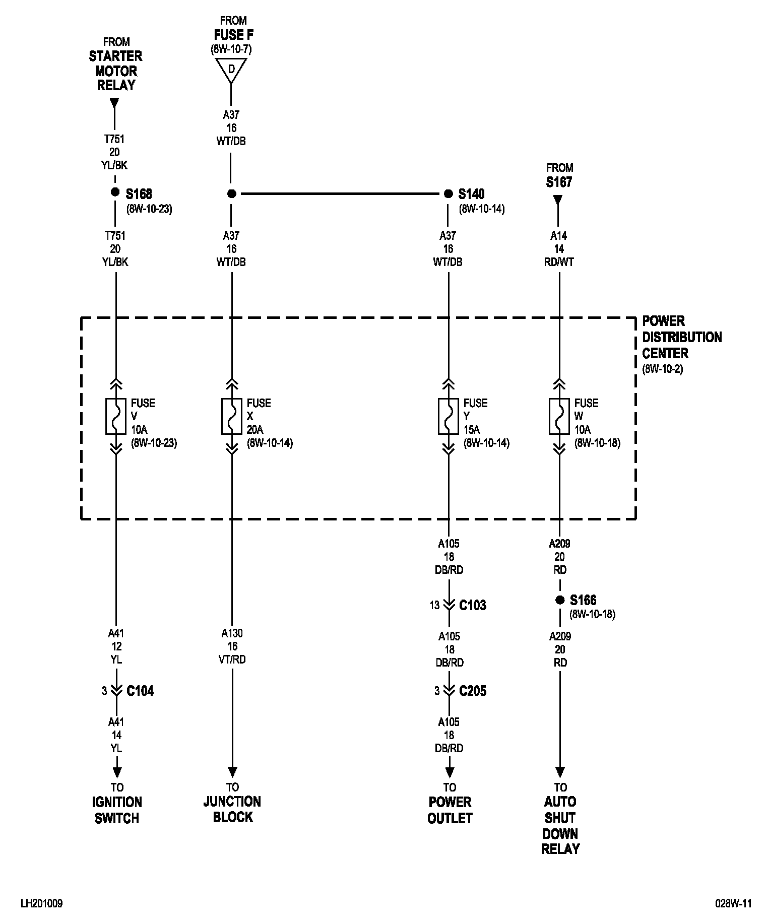
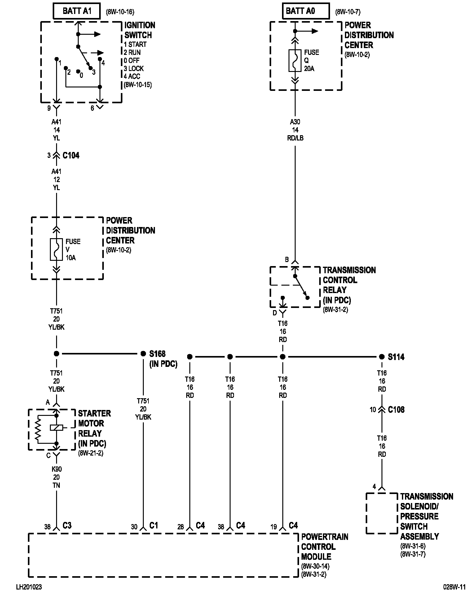
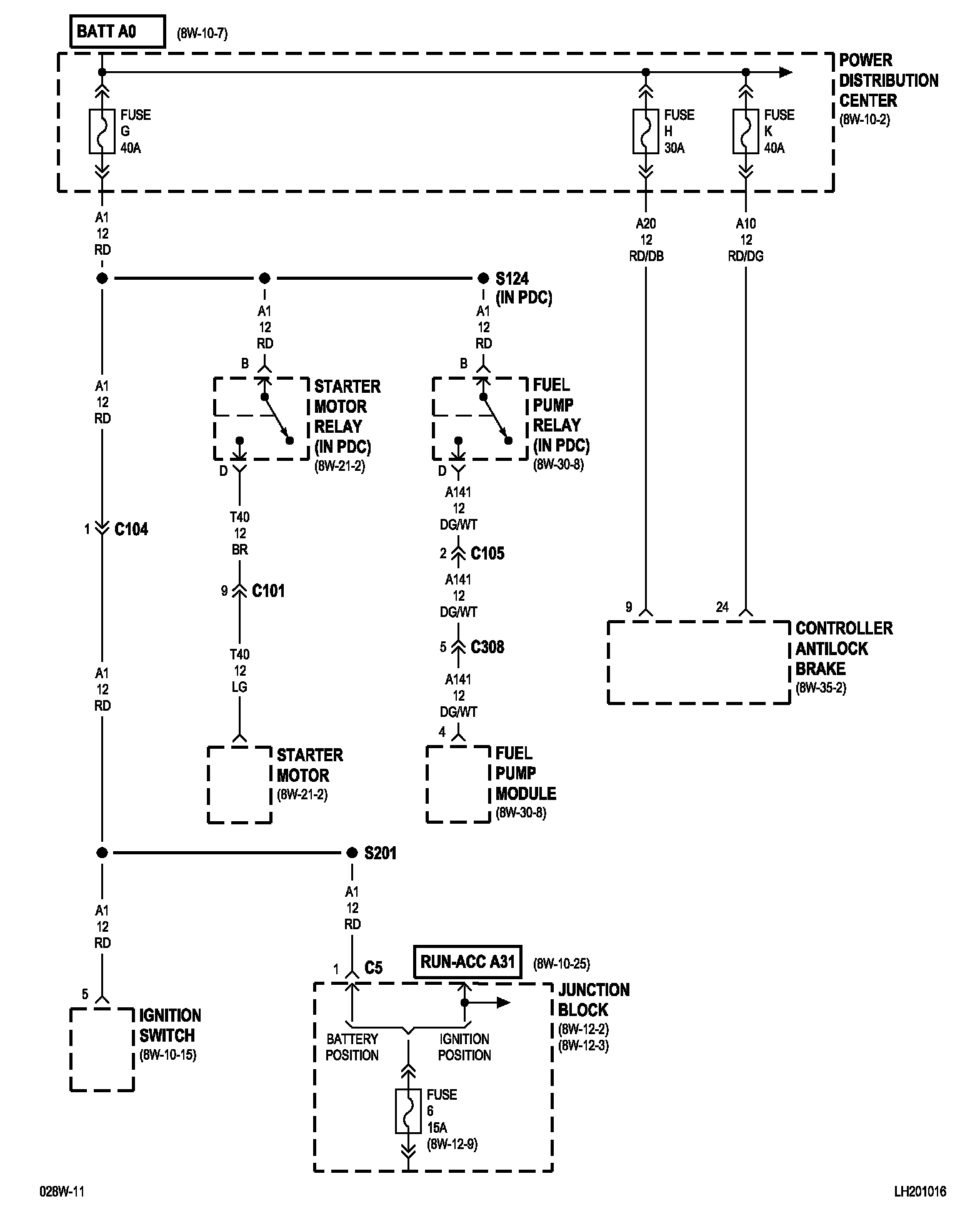
Power Distribution

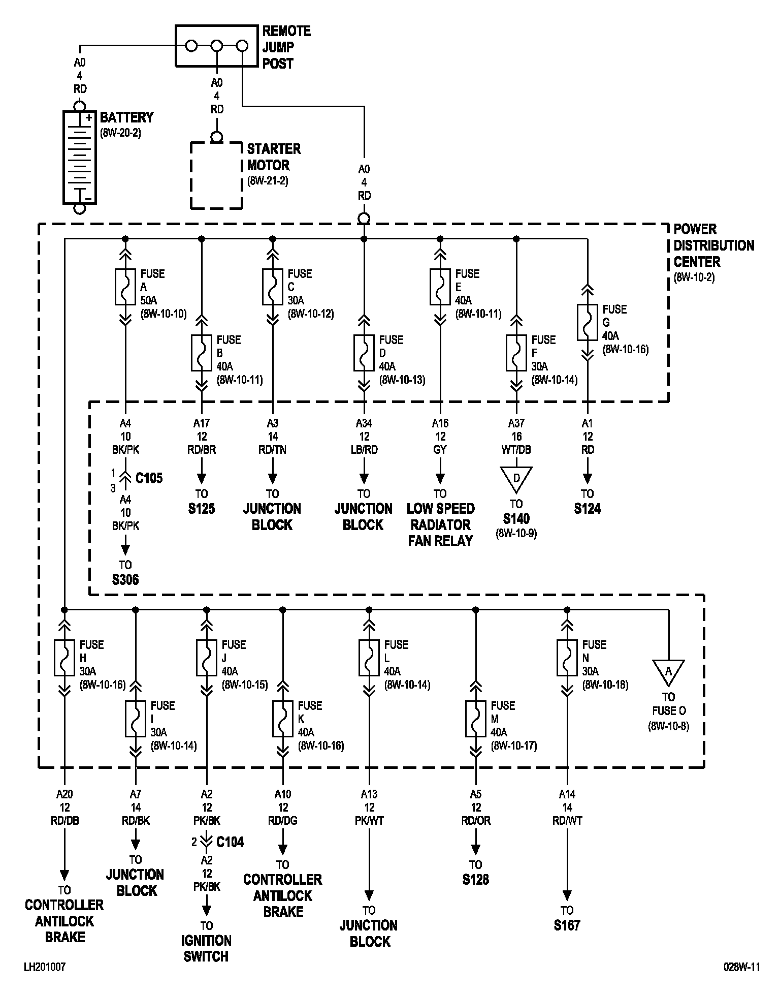
8w-10-7:




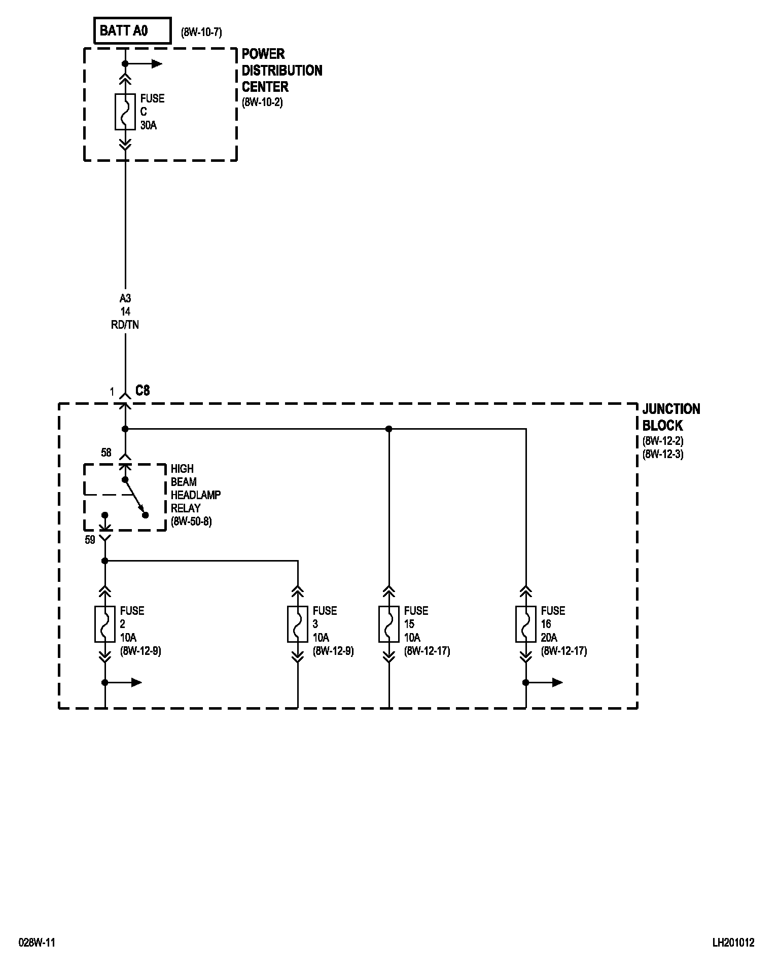
8w-10-8:




8w-10-9:




8w-10-10:




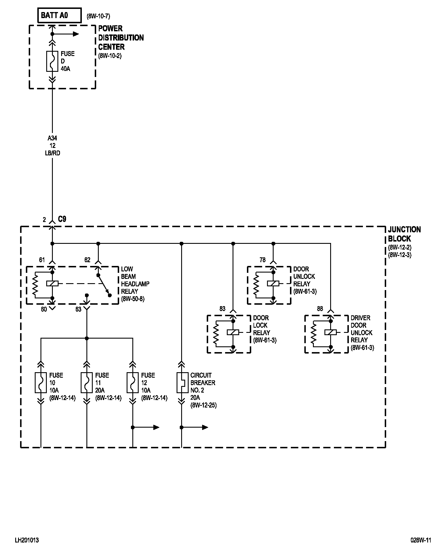
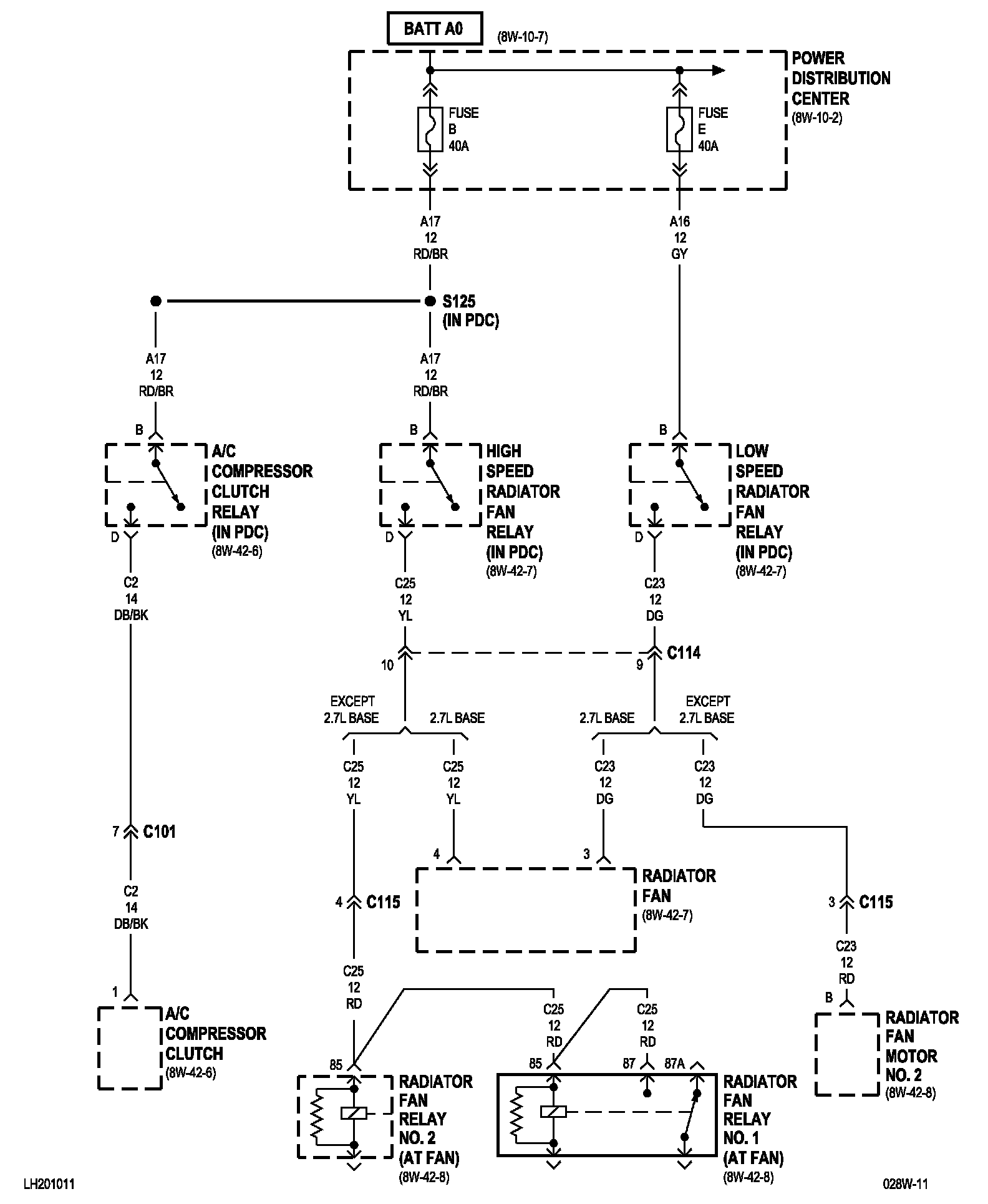
8w-10-11:




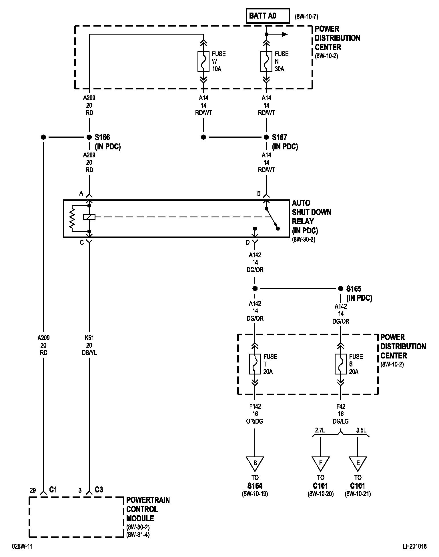
8w-10-12:




8w-10-13:




8w-10-14:




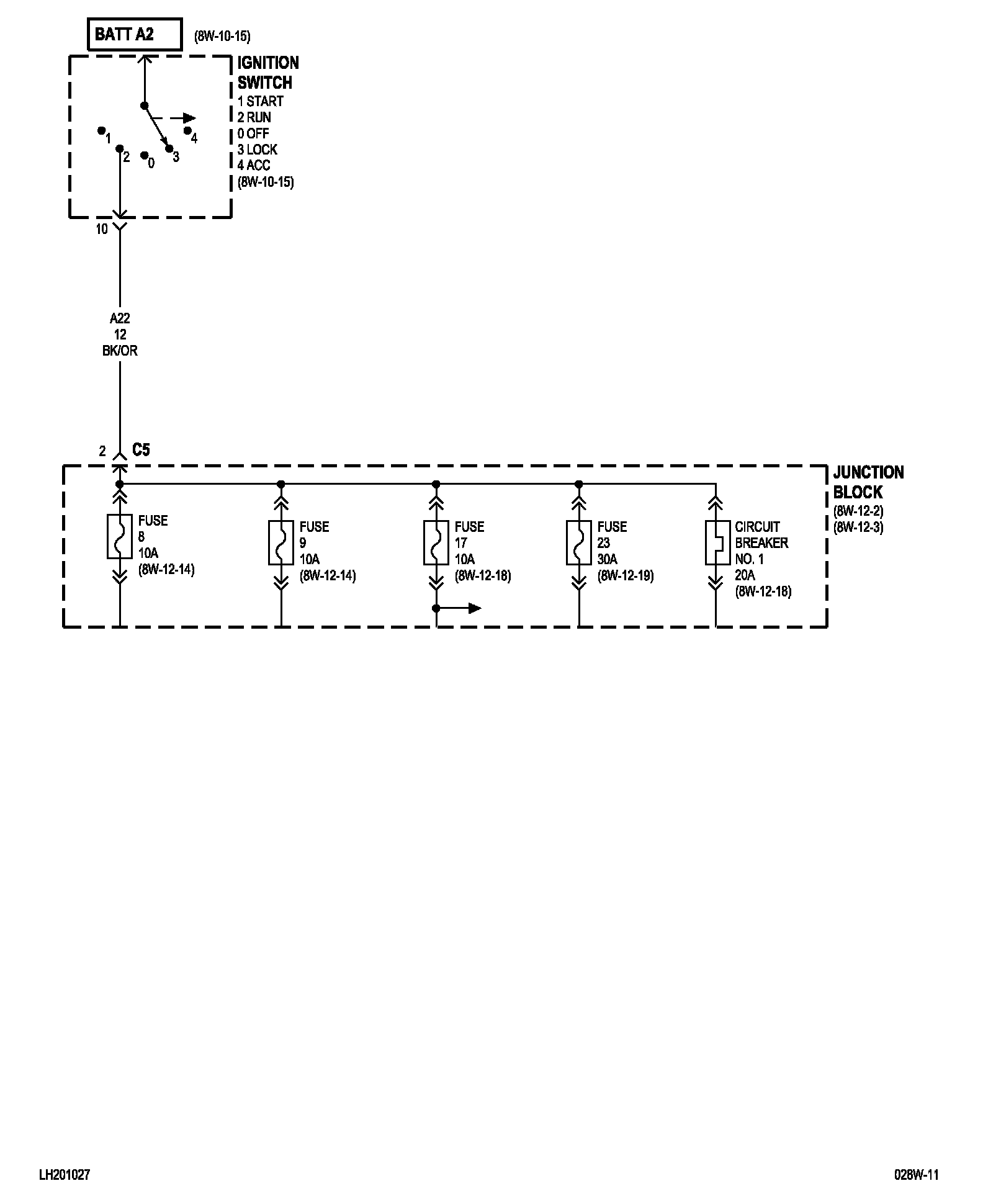
8w-10-15:




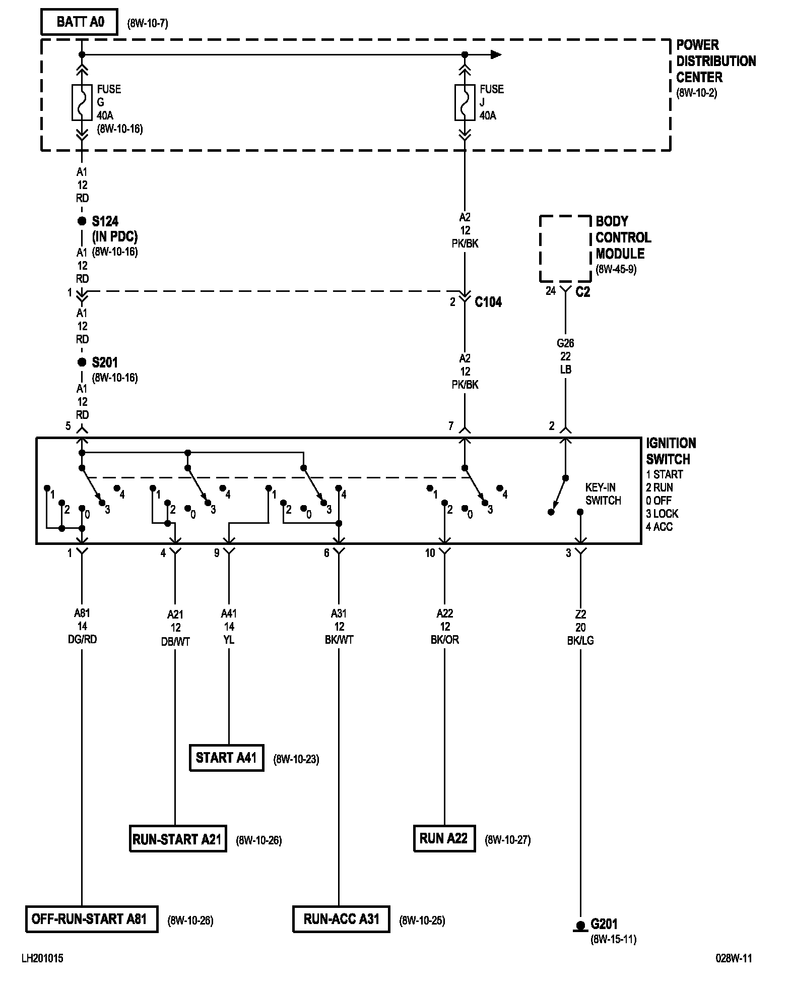
8w-10-16:




8w-10-17:




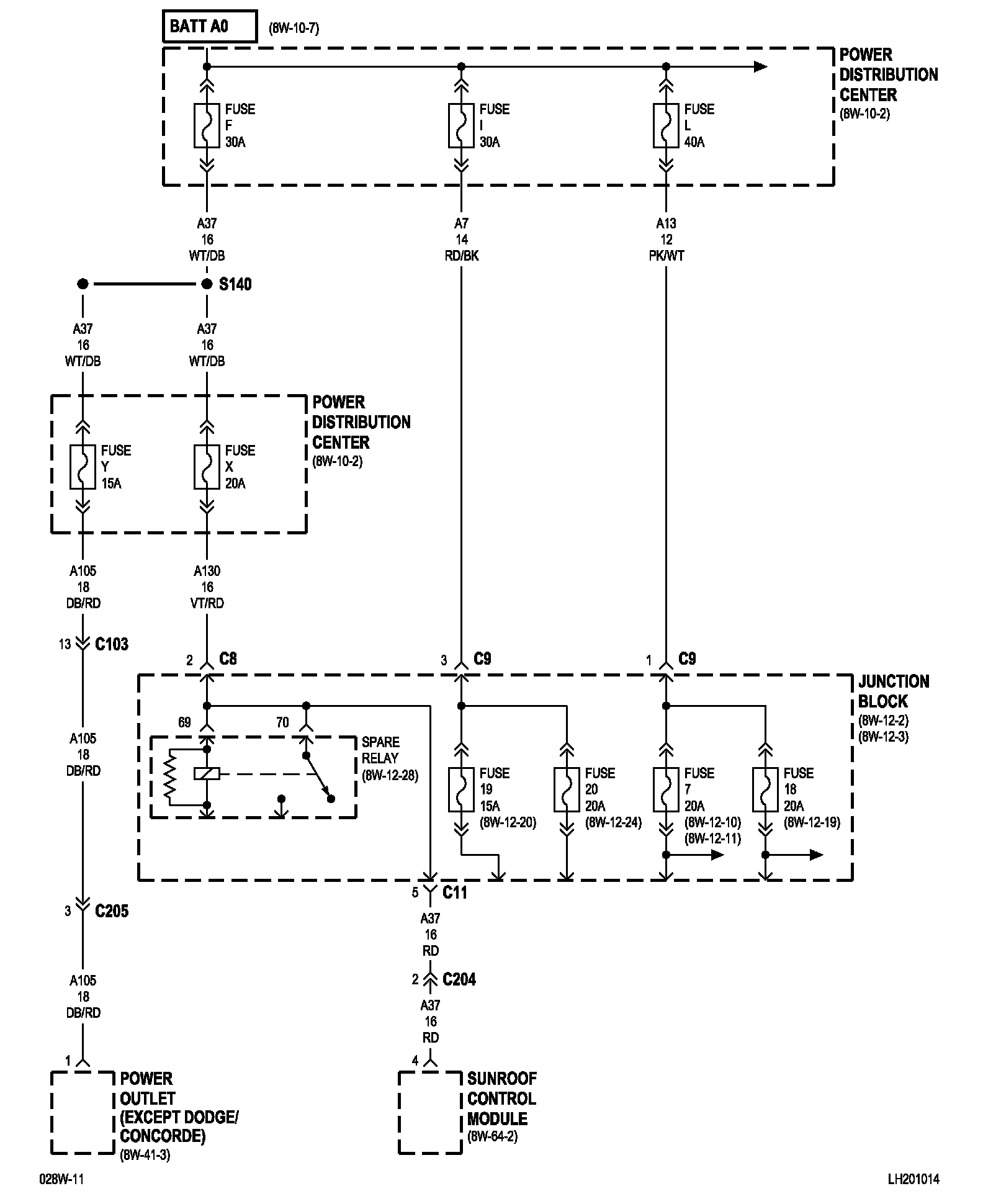
8w-10-18:




8w-10-19:




8w-10-20:




8w-10-22 (Built-Up-Export):




8w-10-23:




8w-10-24 (Built-Up-Export):




8w-10-25:




8w-10-26:




8w-10-27:






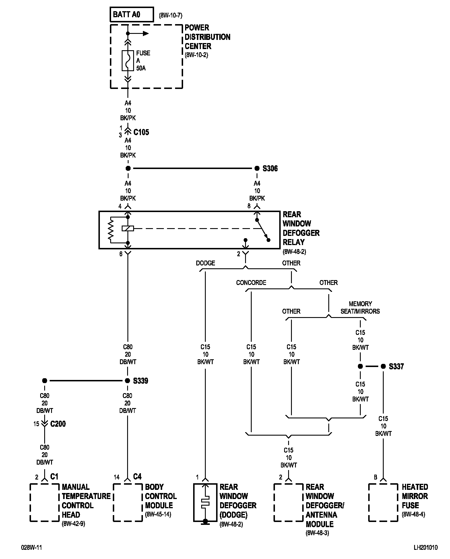
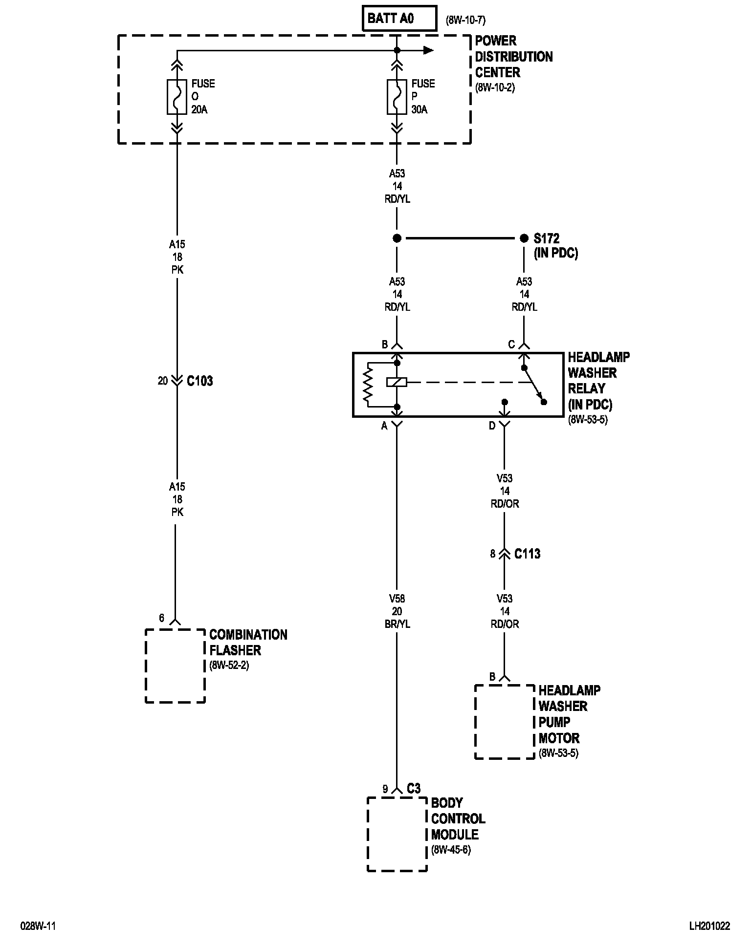
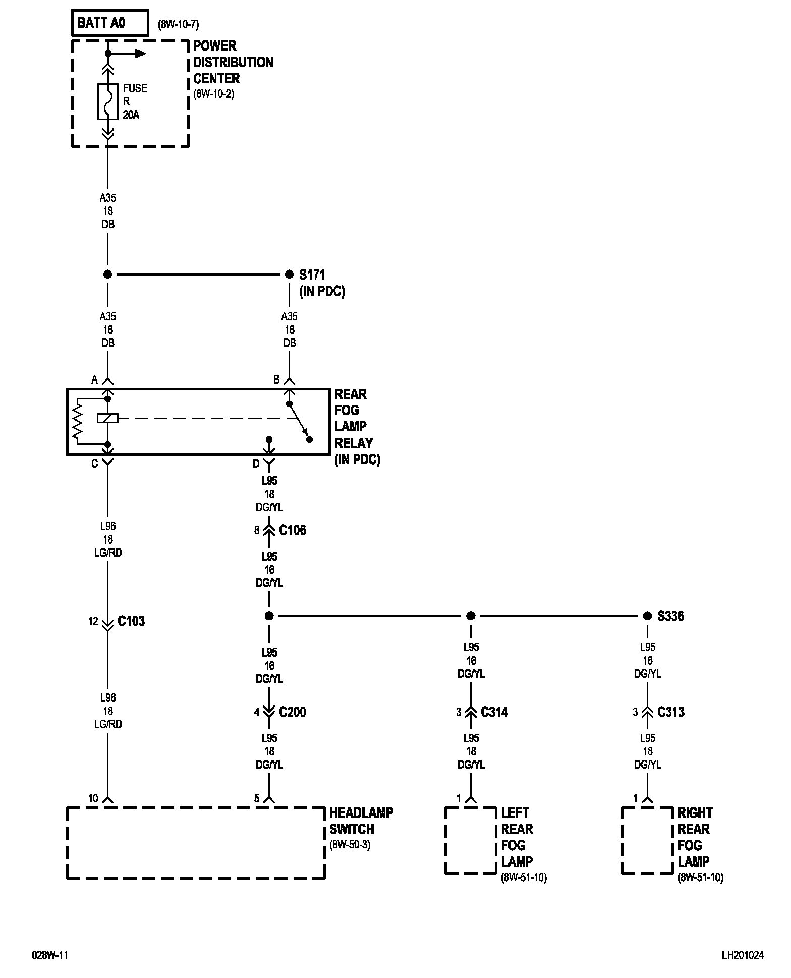
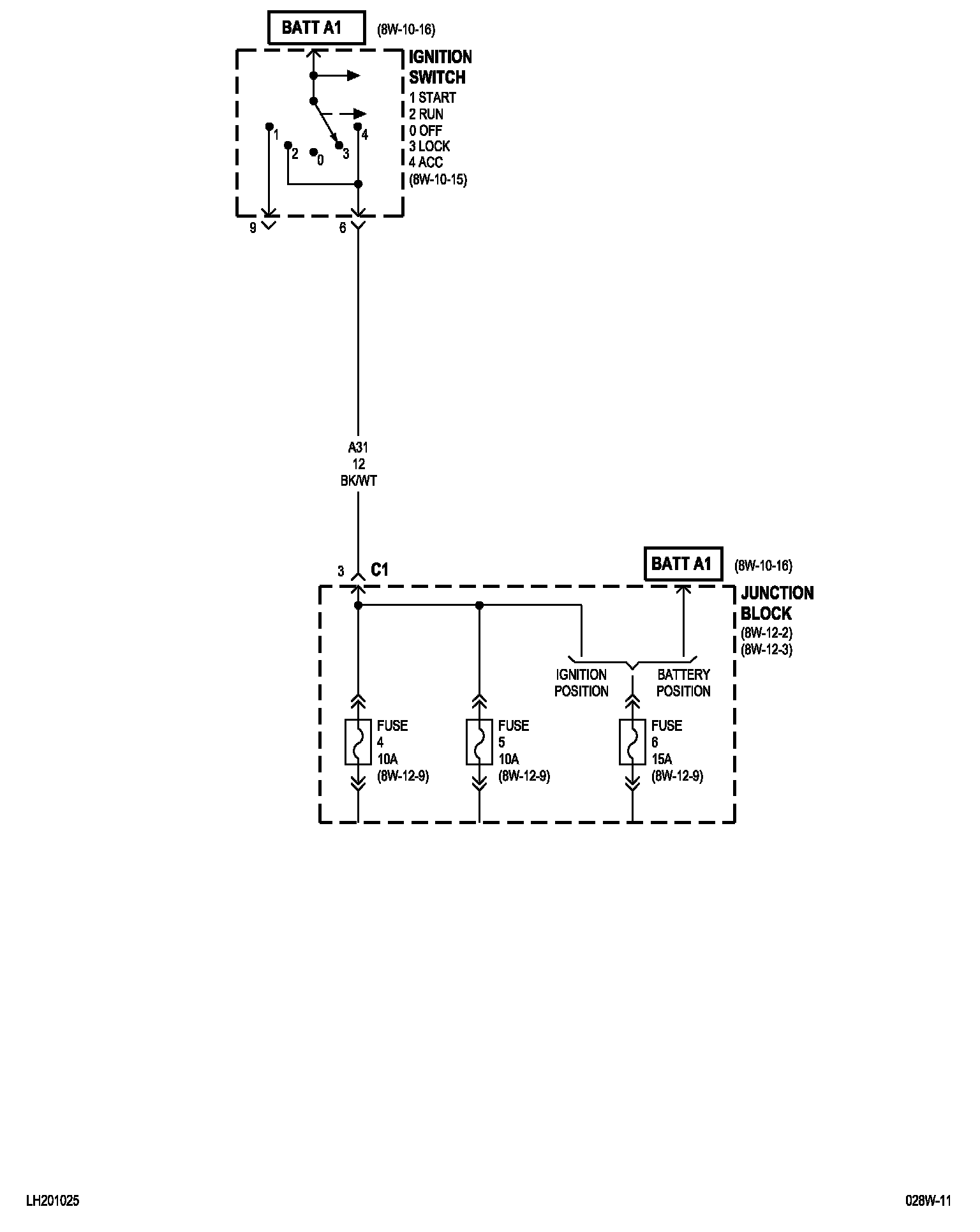
NOTE: To view sheets referred to in these diagrams, see Complete Body and Chassis Diagrams.