lemon-mirror:
Home >> Chrysler >> 2002 >> Intrepid (CANADA) V6-2.7L >> Repair and Diagnosis >> Diagrams >> Electrical Diagrams >> Power Distribution Module >> Ground Distribution

Ground Distribution

8w-15-2:




8w-15-3:




8w-15-4:




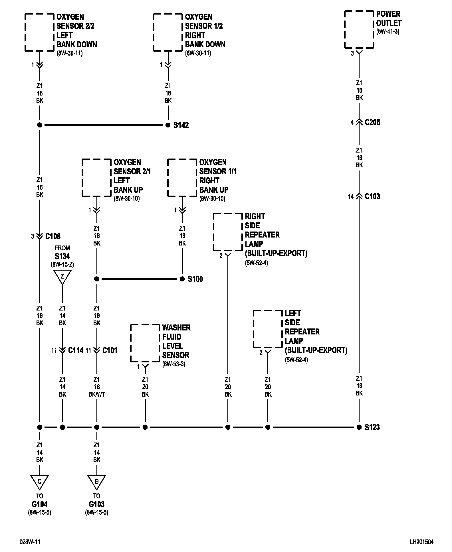
8w-15-5:




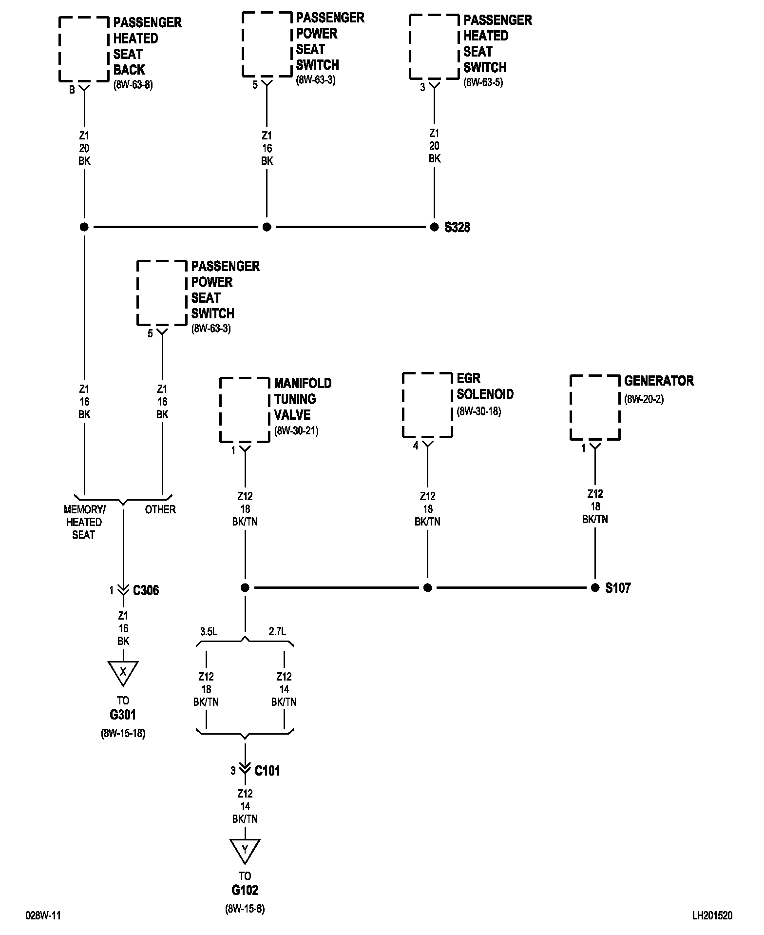
8w-15-6:




8w-15-7:




8w-15-8:




8w-15-9:




8w-15-10:




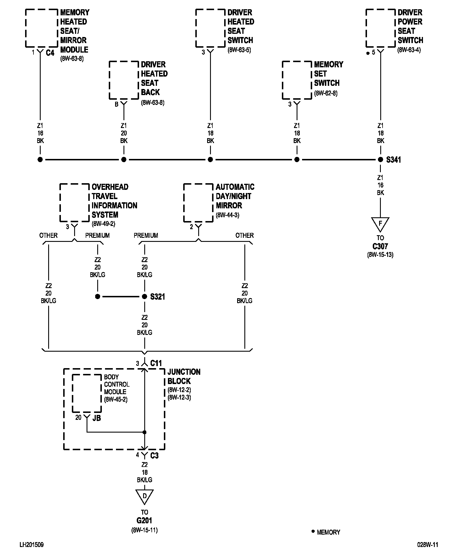
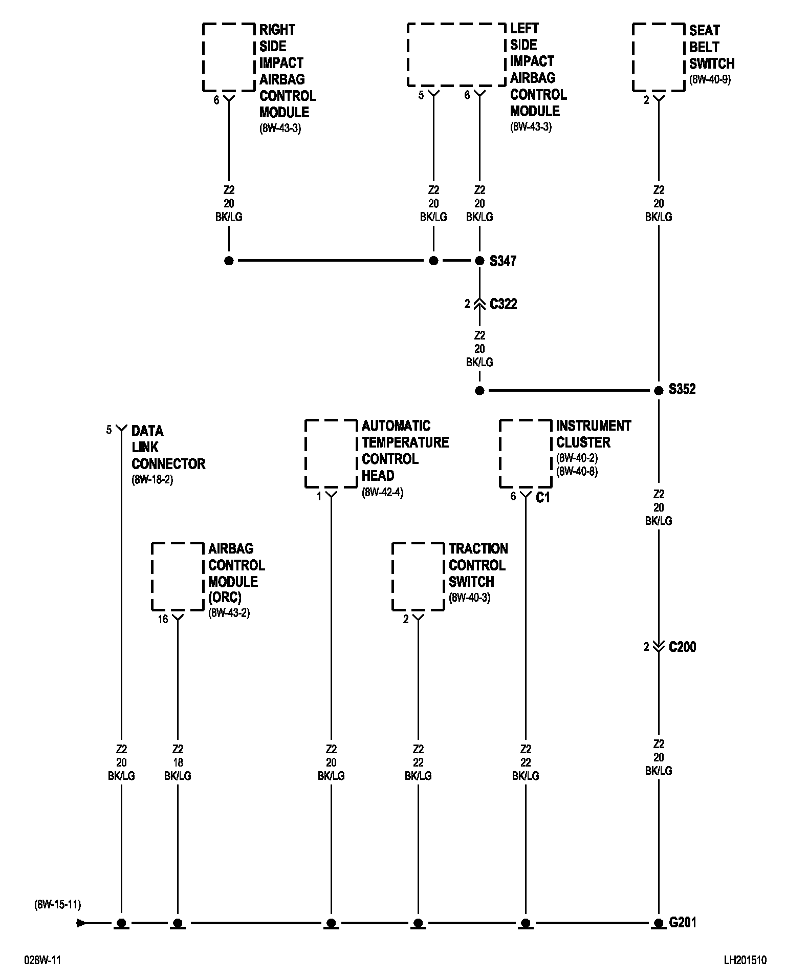
8w-15-11:




8w-15-12 (Except Built-Up-Export):




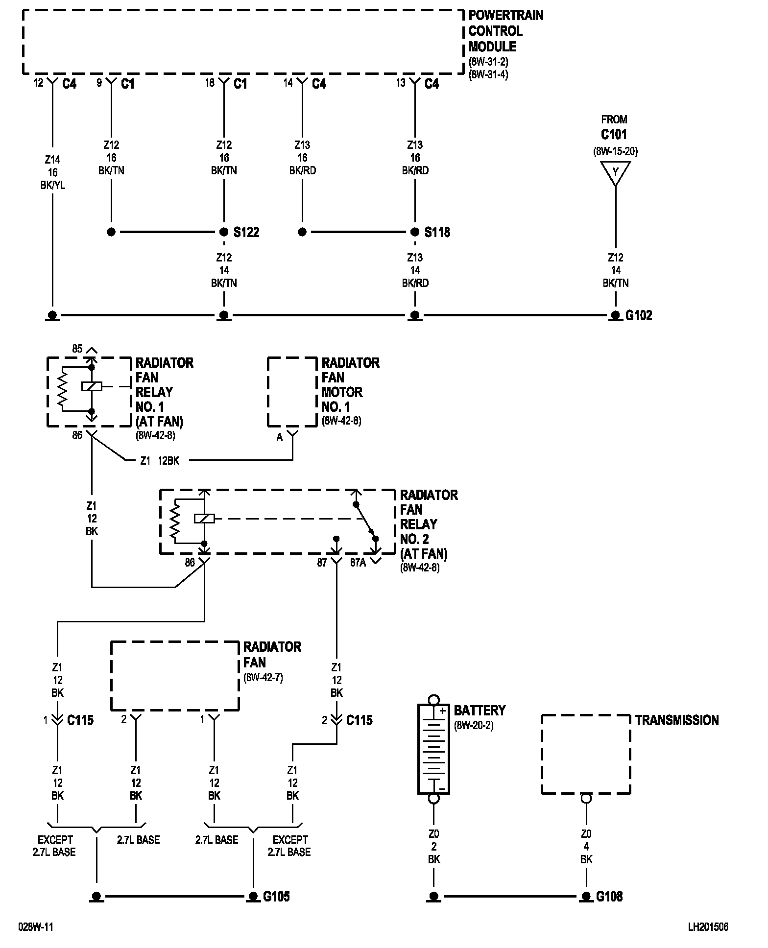
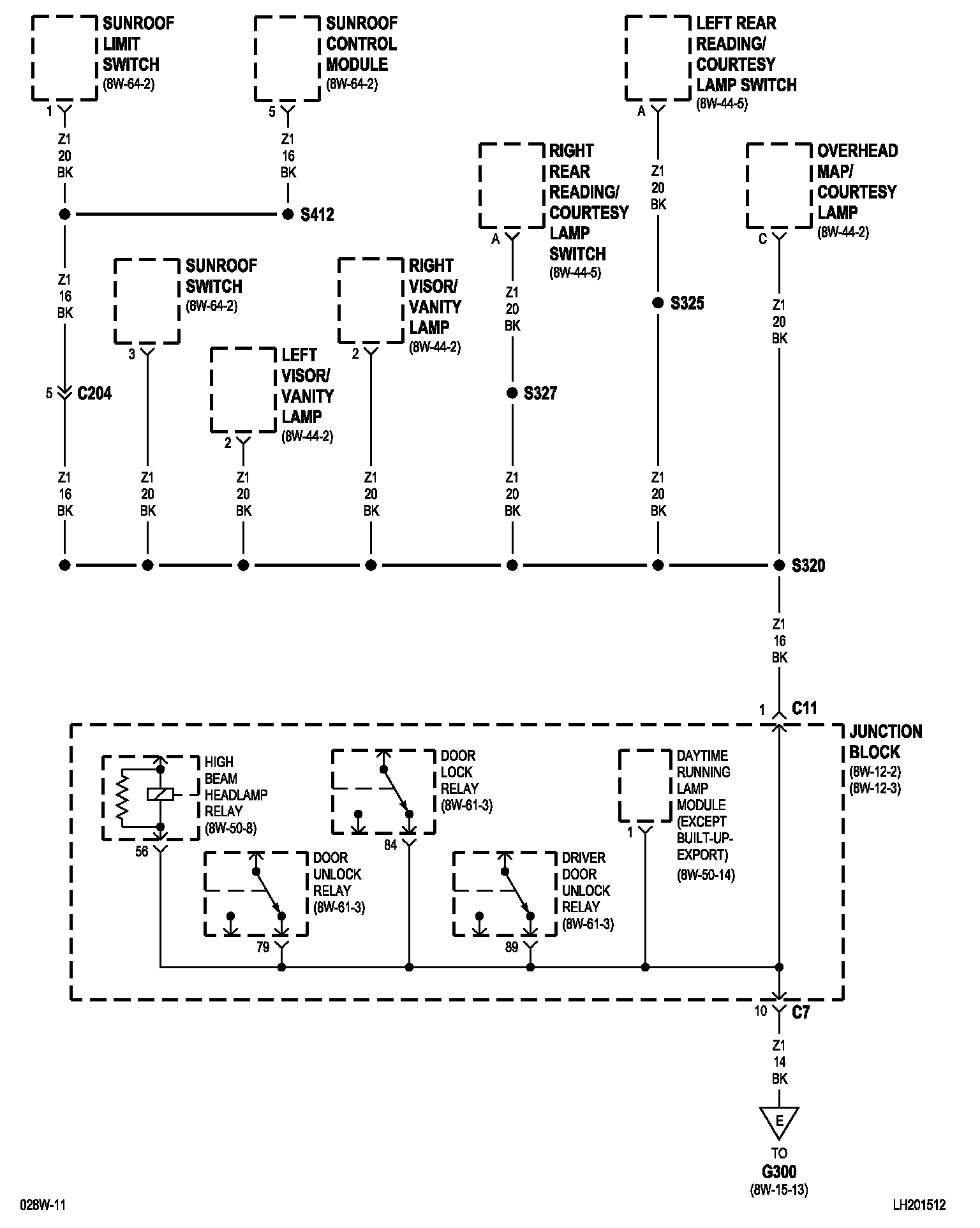
8w-15-13:




8w-15-14 (Except Built-Up-Export):




8w-15-15 (Built-Up-Export):




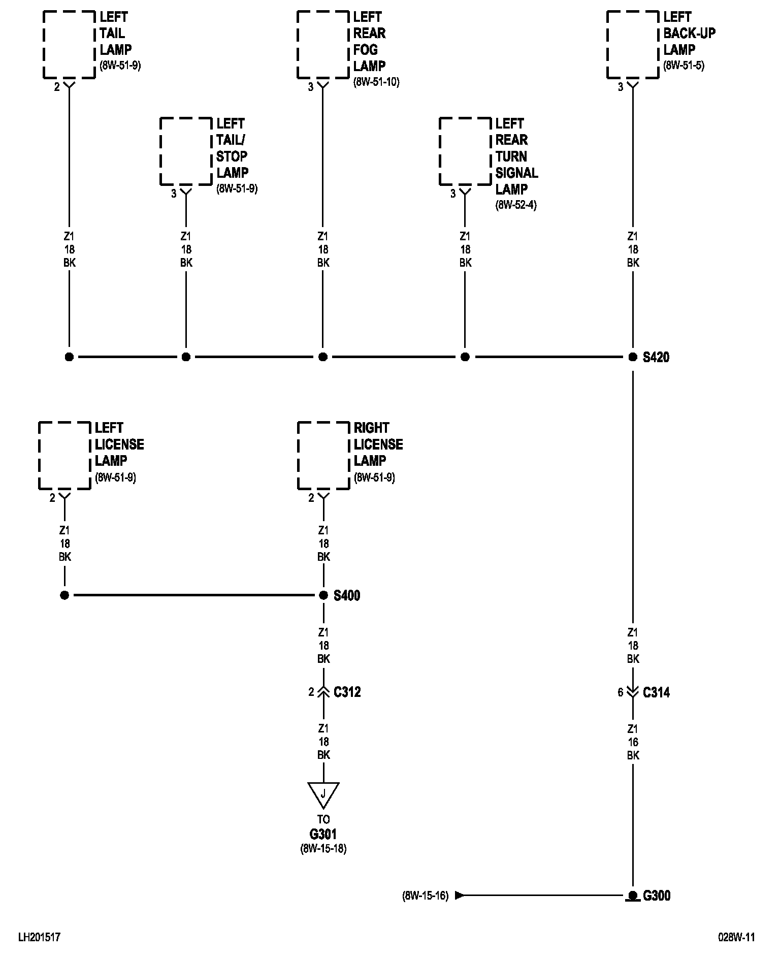
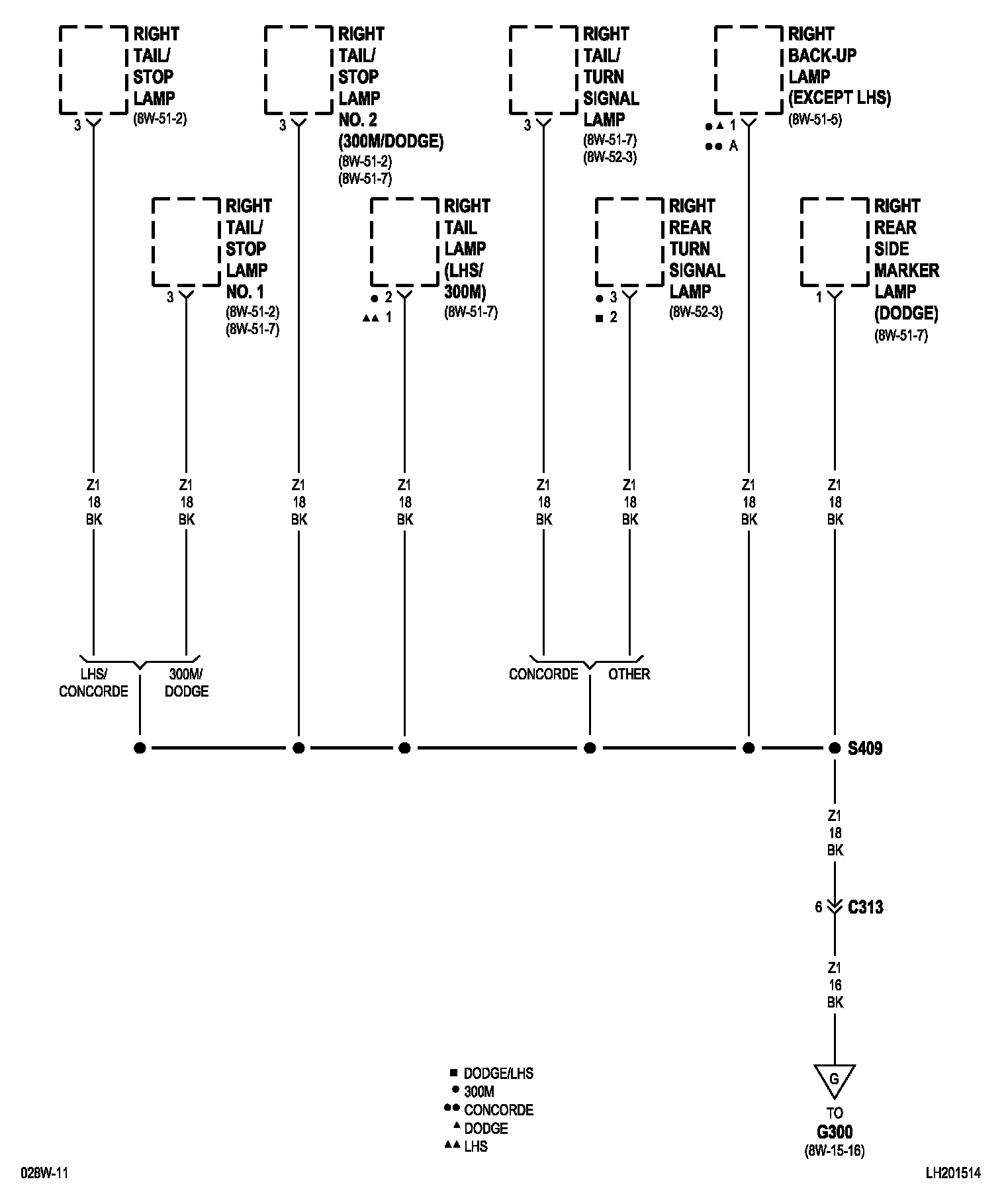
8w-15-16 (Except Built-Up-Export):




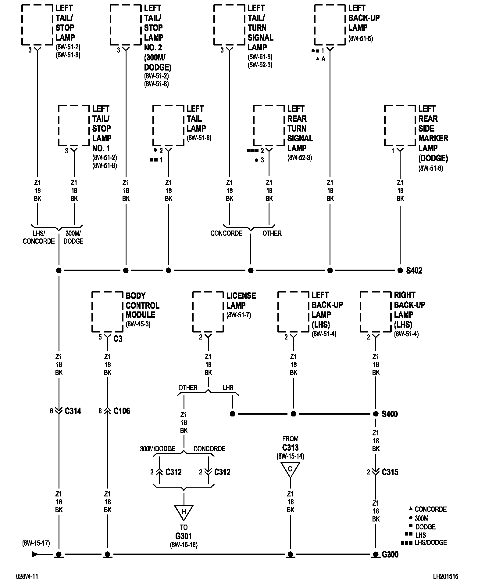
8w-15-17 (Built-Up-Export):




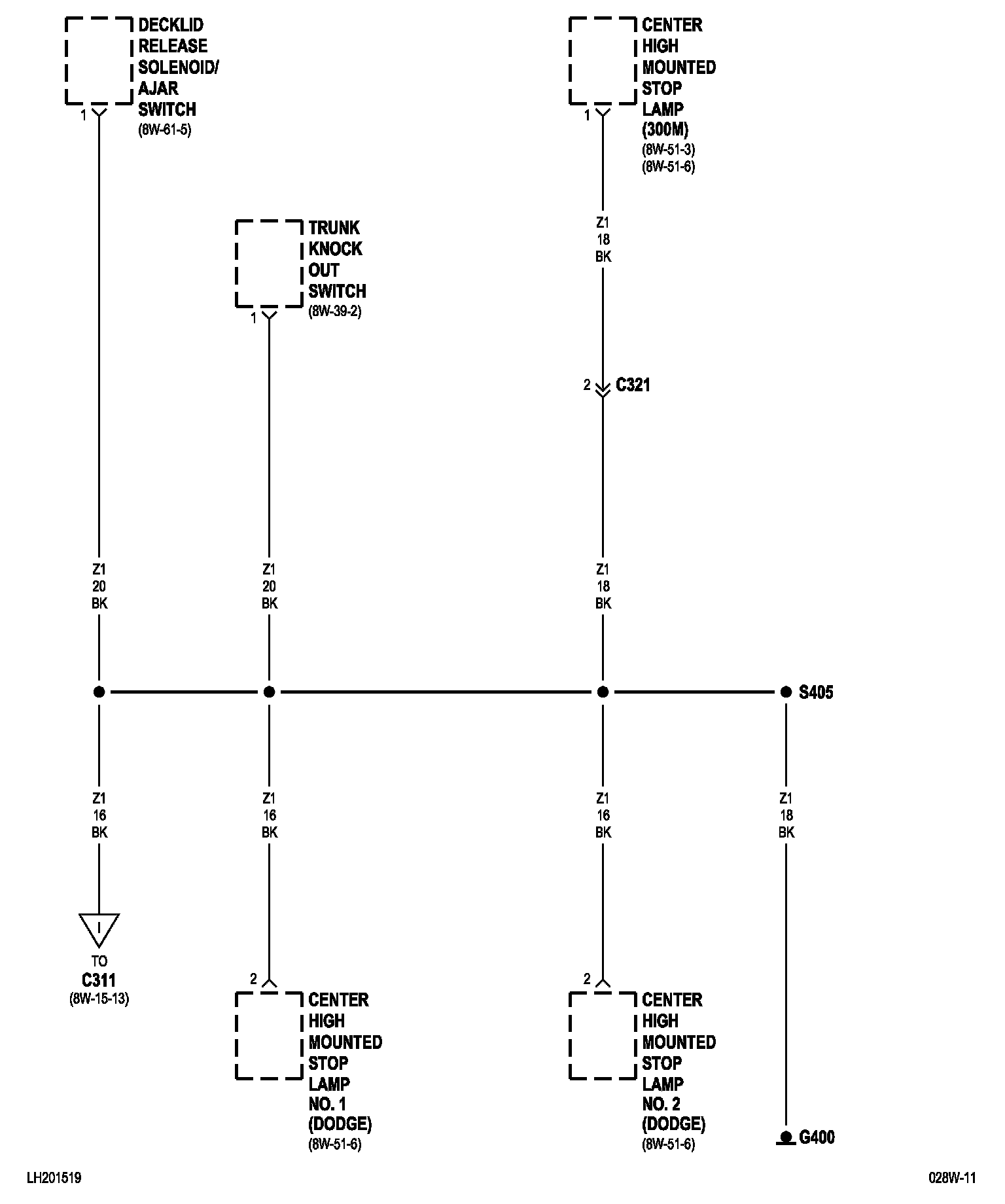
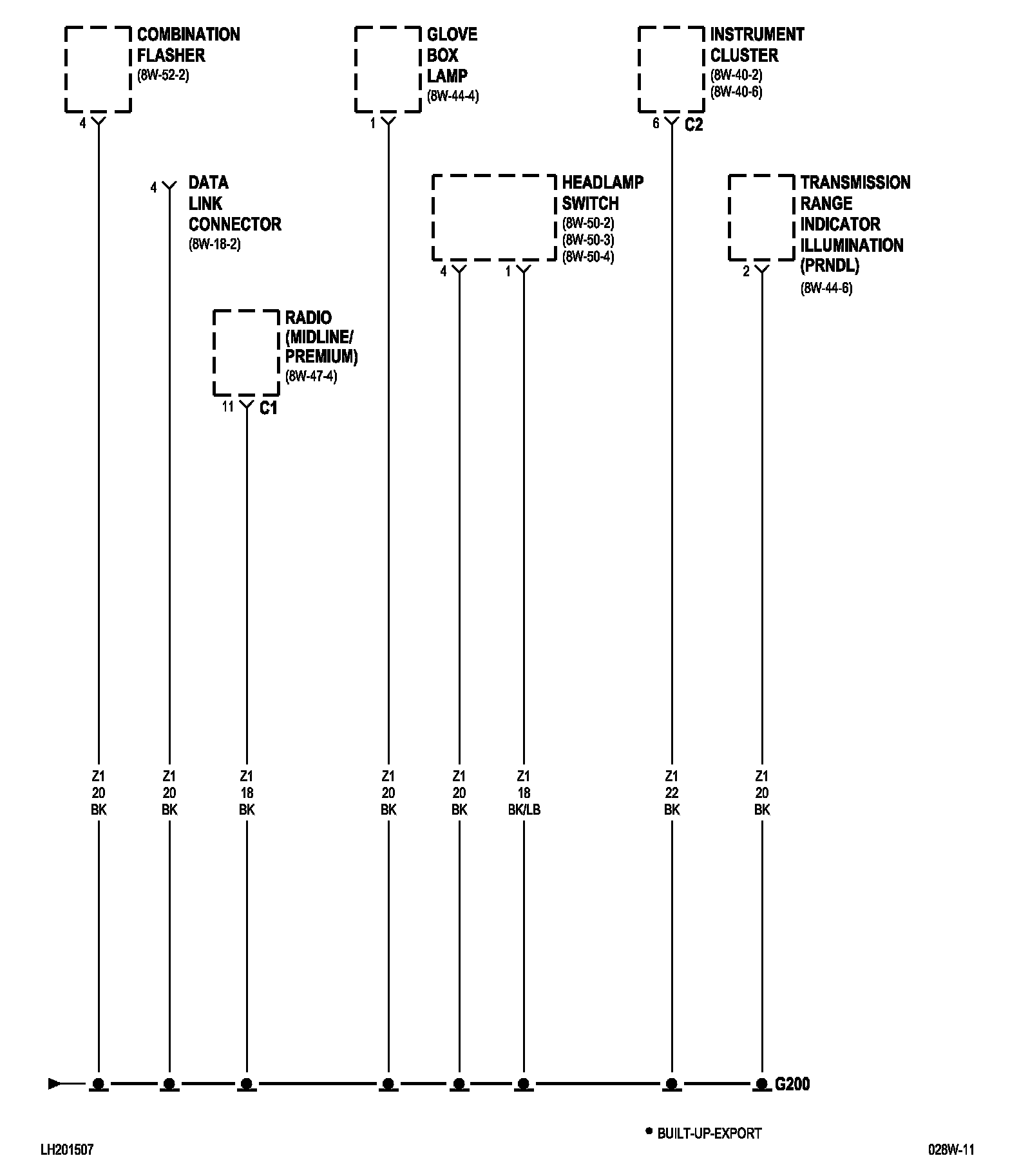
8w-15-18:




8w-15-19:




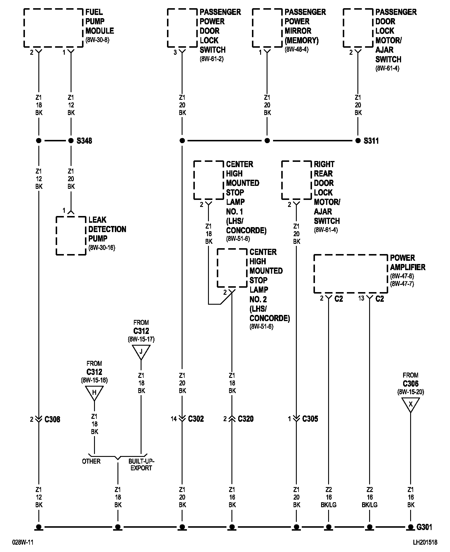
8w-15-20:






NOTE: To view sheets referred to in these diagrams, see Complete Body and Chassis Diagrams.