lemon-mirror:
Home >> Chrysler >> 2001 >> Sebring Convertible V6-2.7L VIN U >> Repair and Diagnosis >> Diagrams >> Electrical Diagrams >> Powertrain Management >> Computers and Control Systems >> Body Control Module

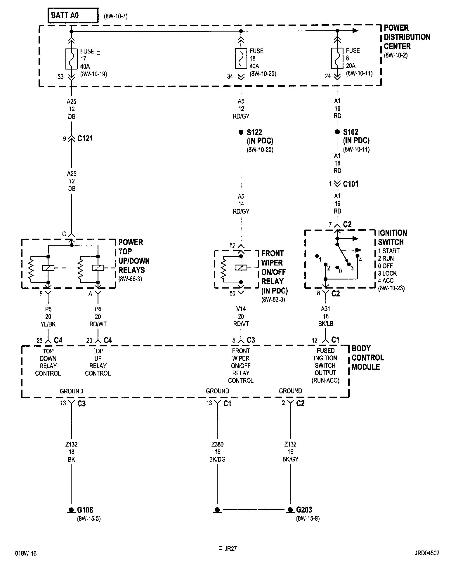
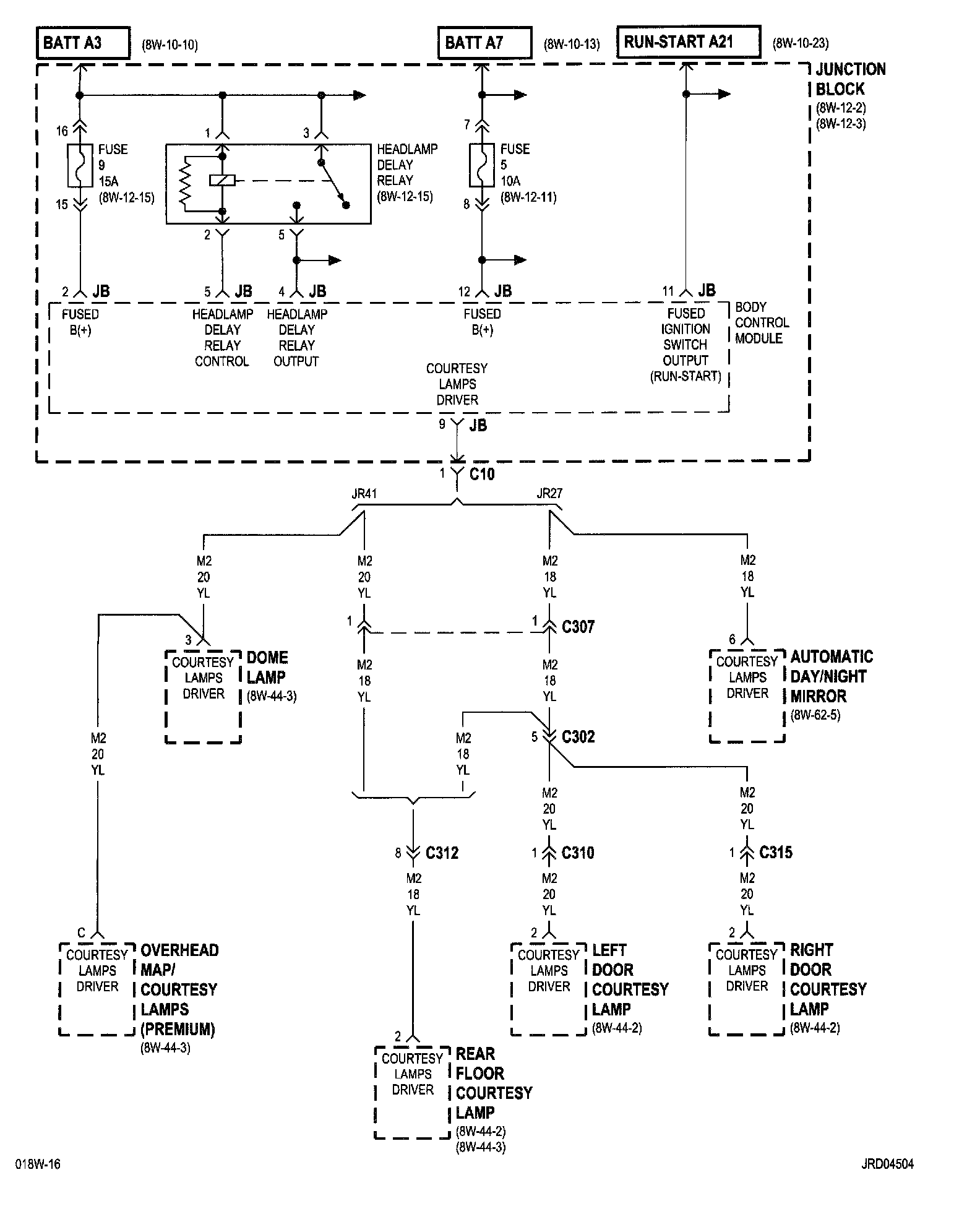
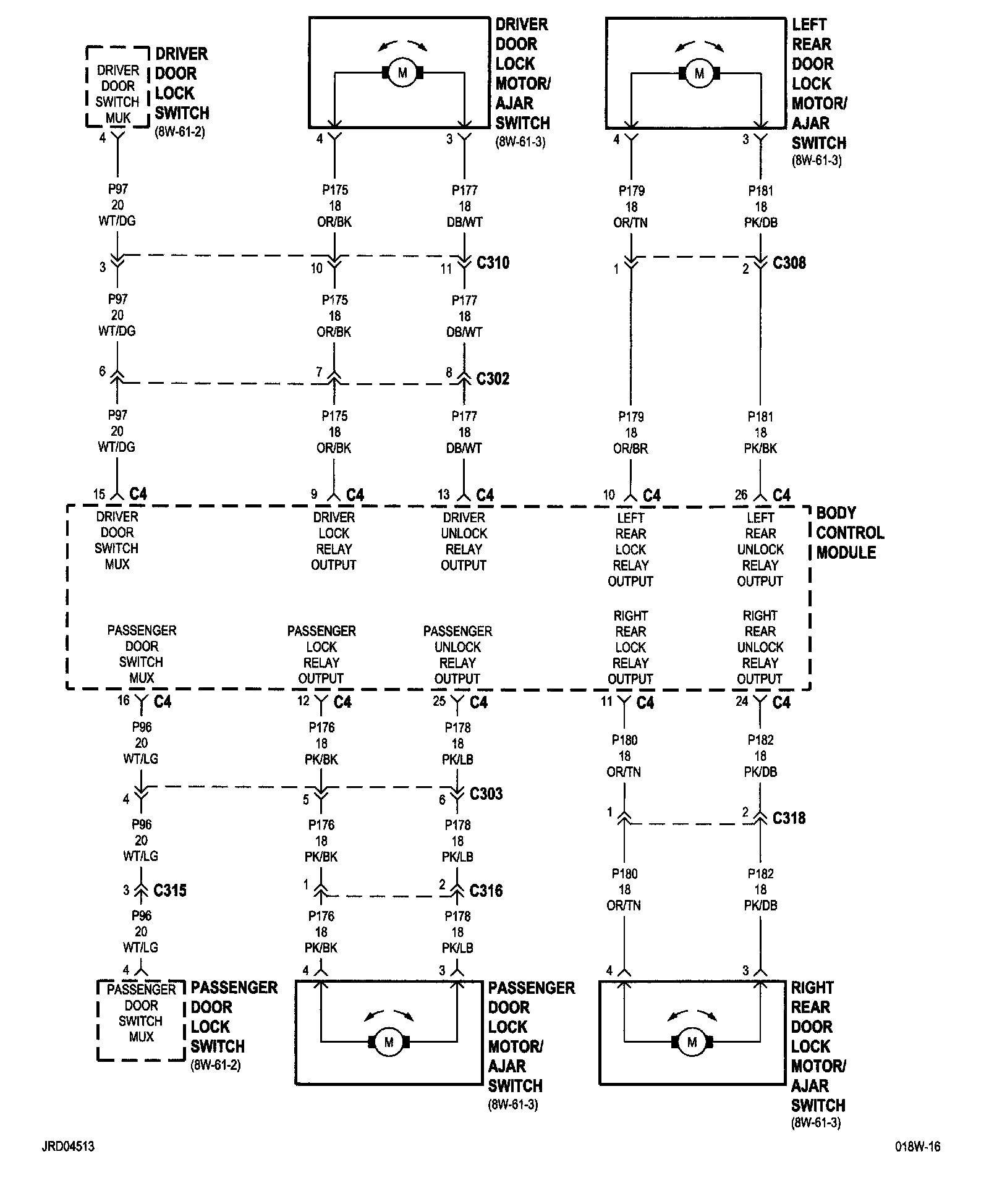
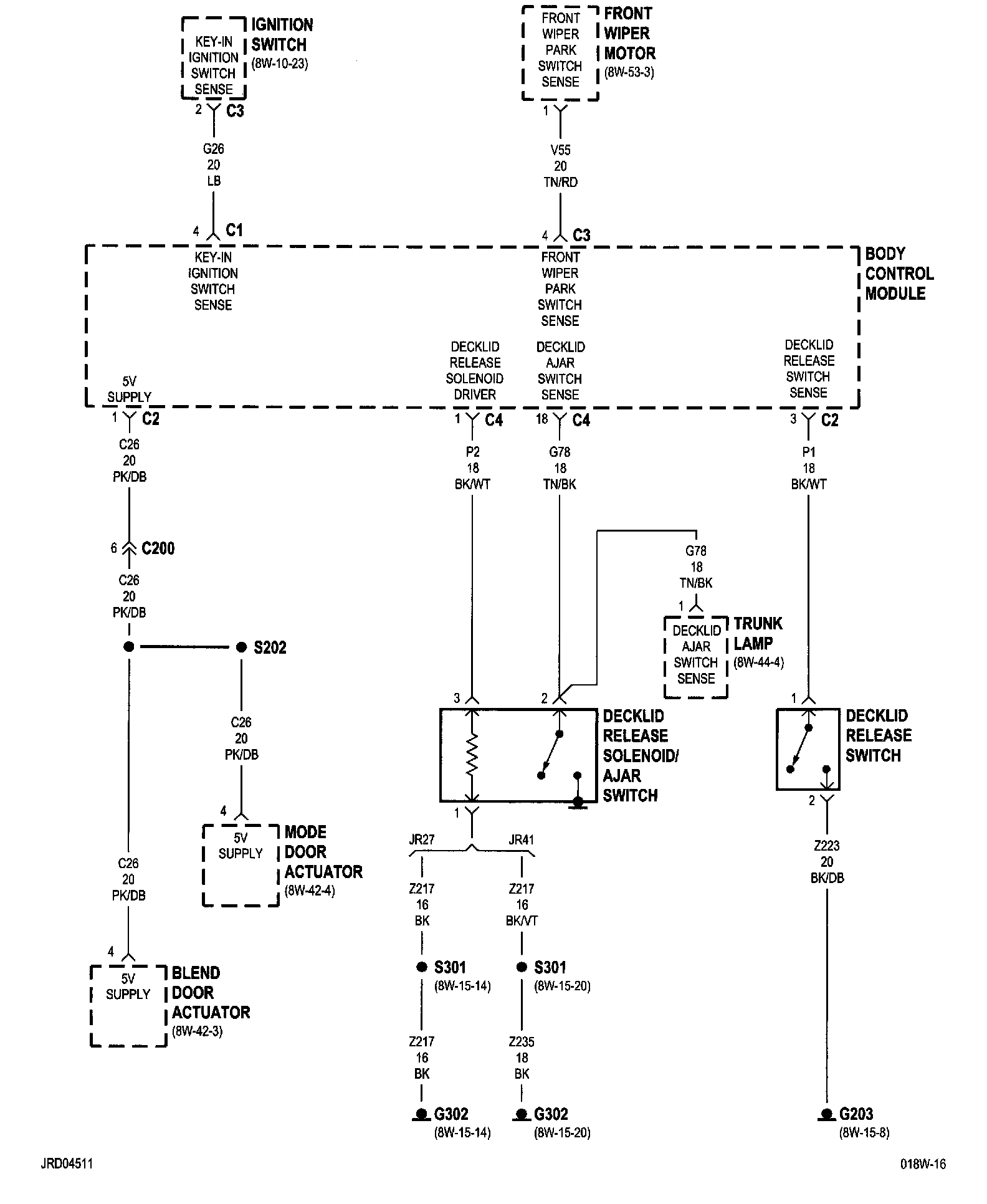
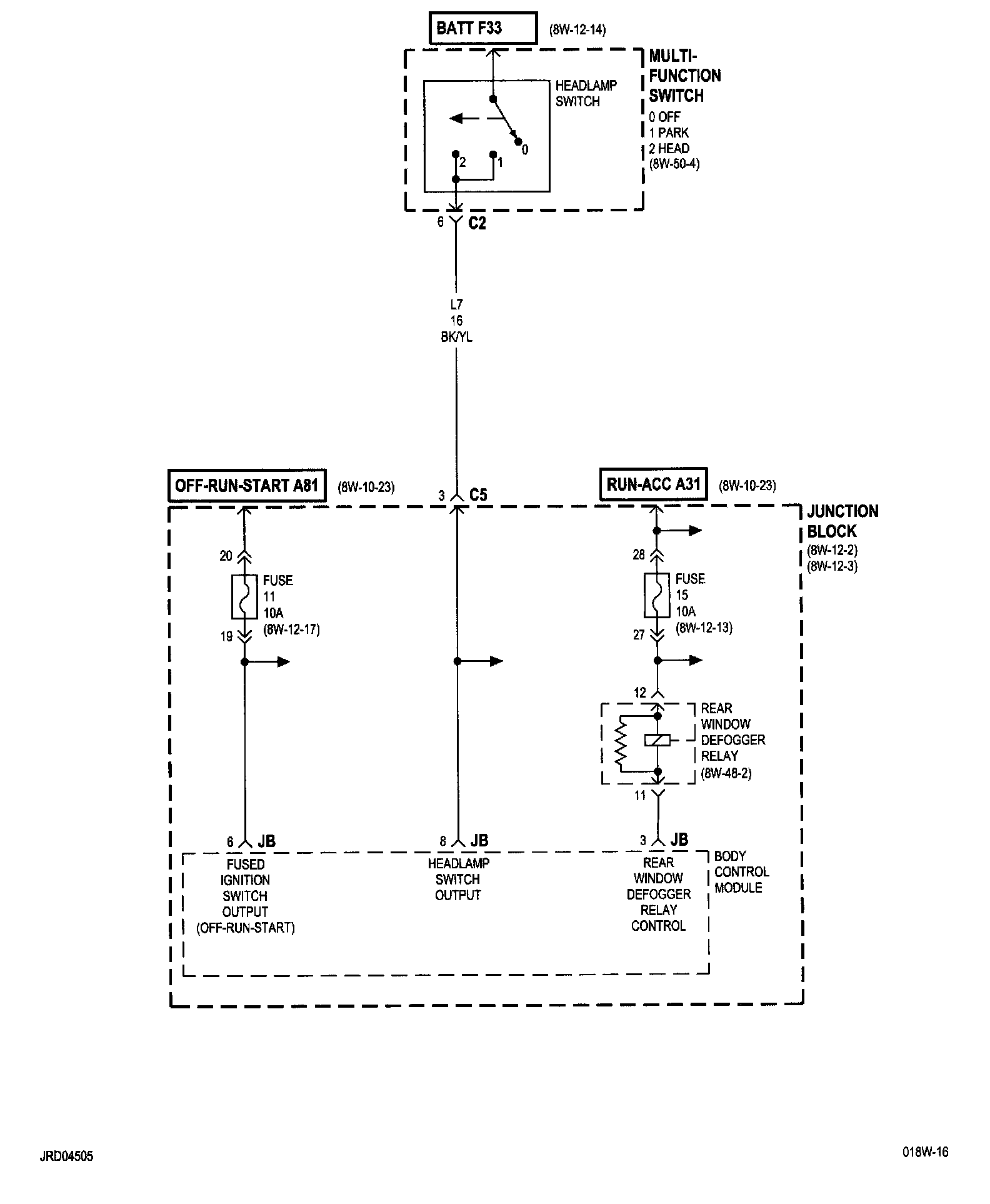
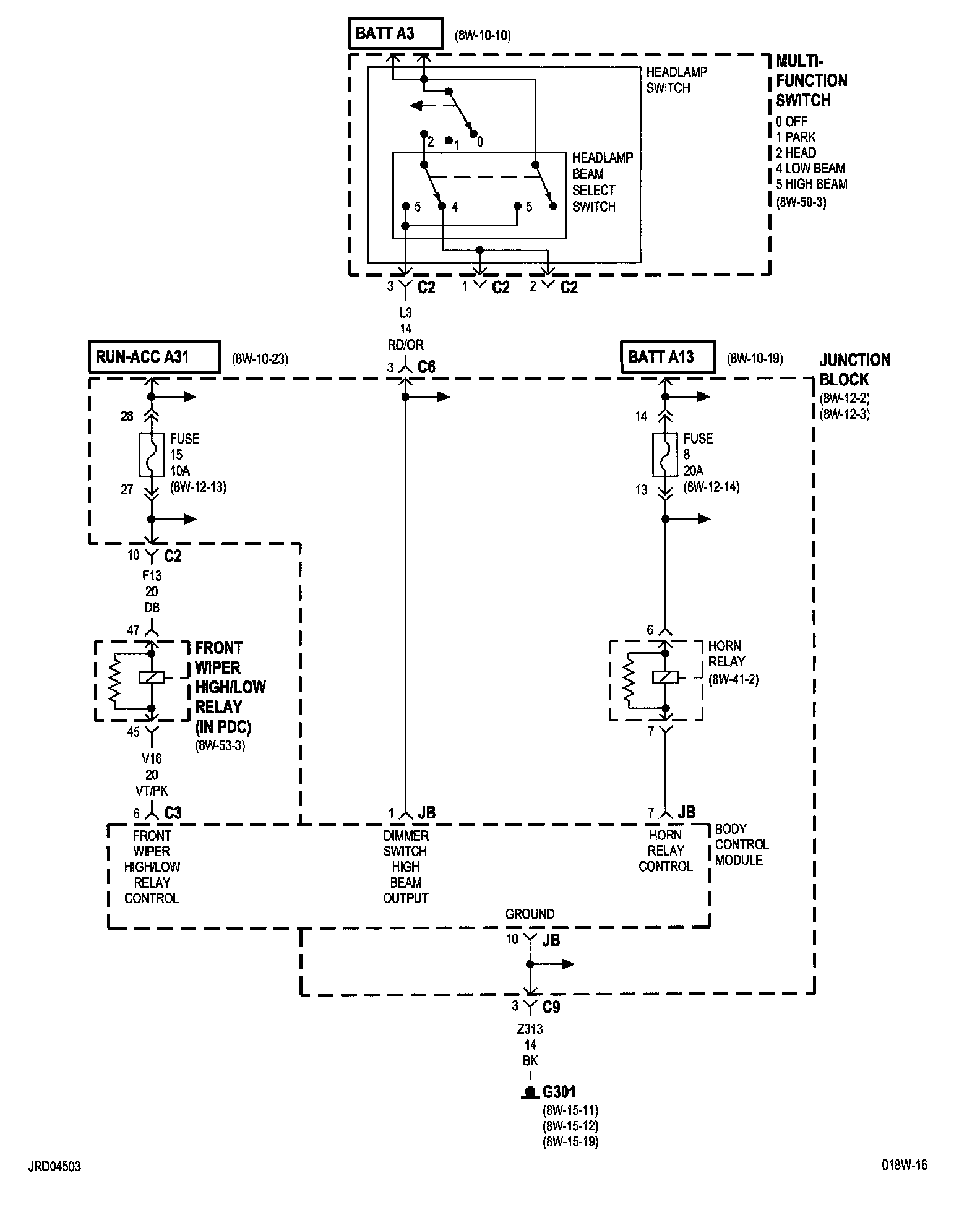
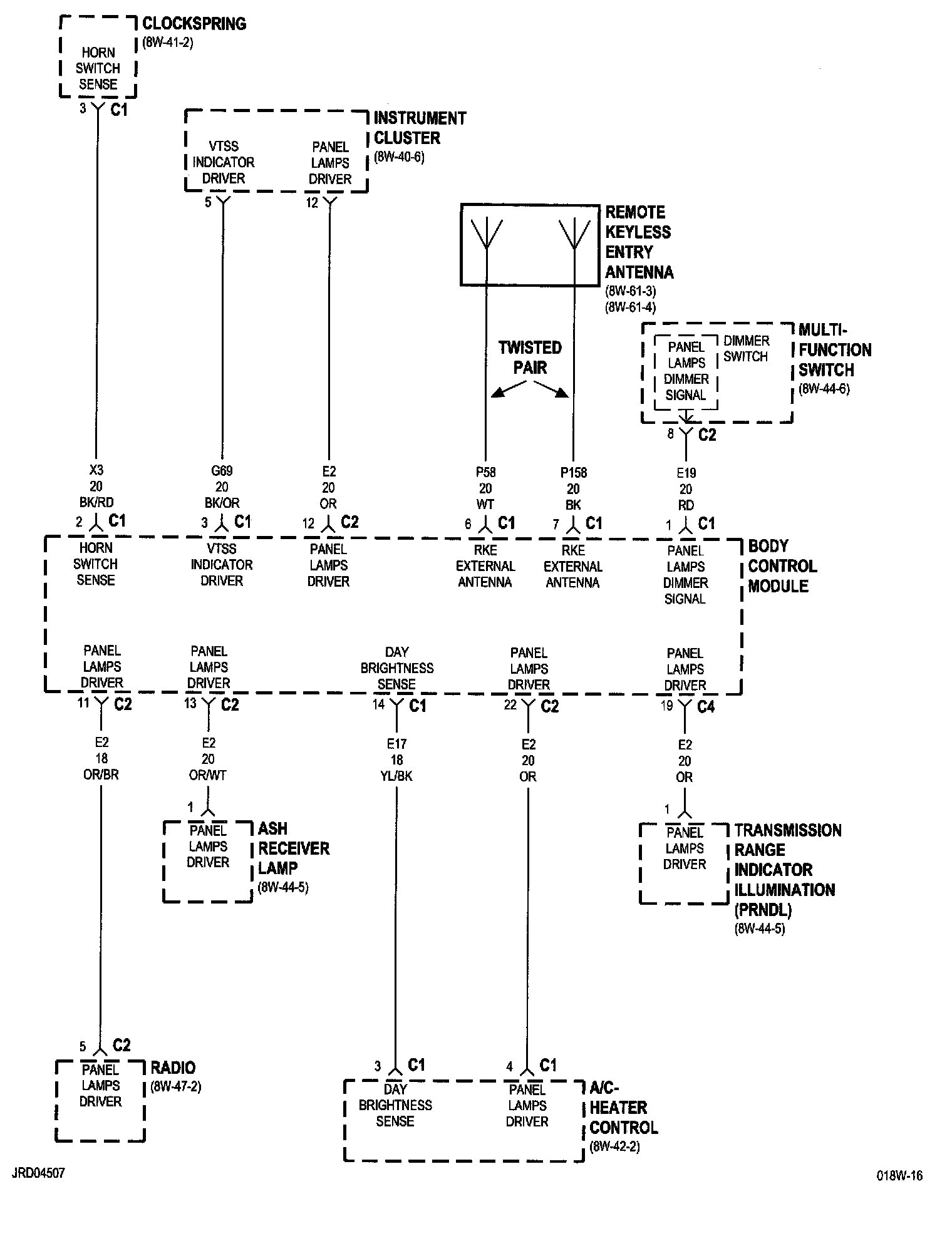
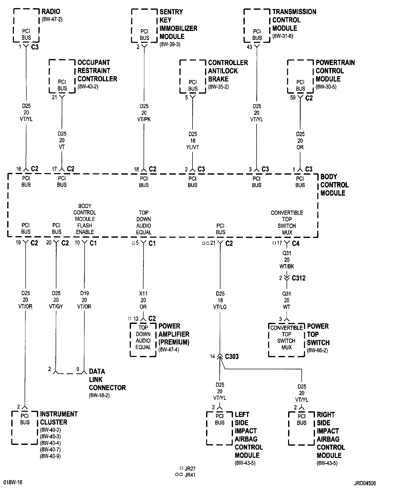
Body Control Module

8w-45-2:




8w-45-3:




8w-45-4:




8w-45-5:




8w-45-6:




8w-45-7:




8w-45-8:




8w-45-9:




8w-45-10:




8w-45-11:




8w-45-12 JR41:




8w-45-13 JR41:




8w-45-14 JR27:




8w-45-15 JR27:






NOTE: To view sheets referred to in these diagrams, see Complete Body and Chassis Diagrams.
Electrical Diagrams