lemon-mirror:
Home >> Chrysler >> 2001 >> PT Cruiser L4-2.4L VIN B >> Repair and Diagnosis >> Powertrain Management >> Computers and Control Systems >> Engine Control Module >> Diagrams >> Electrical Diagrams >> System Schematic

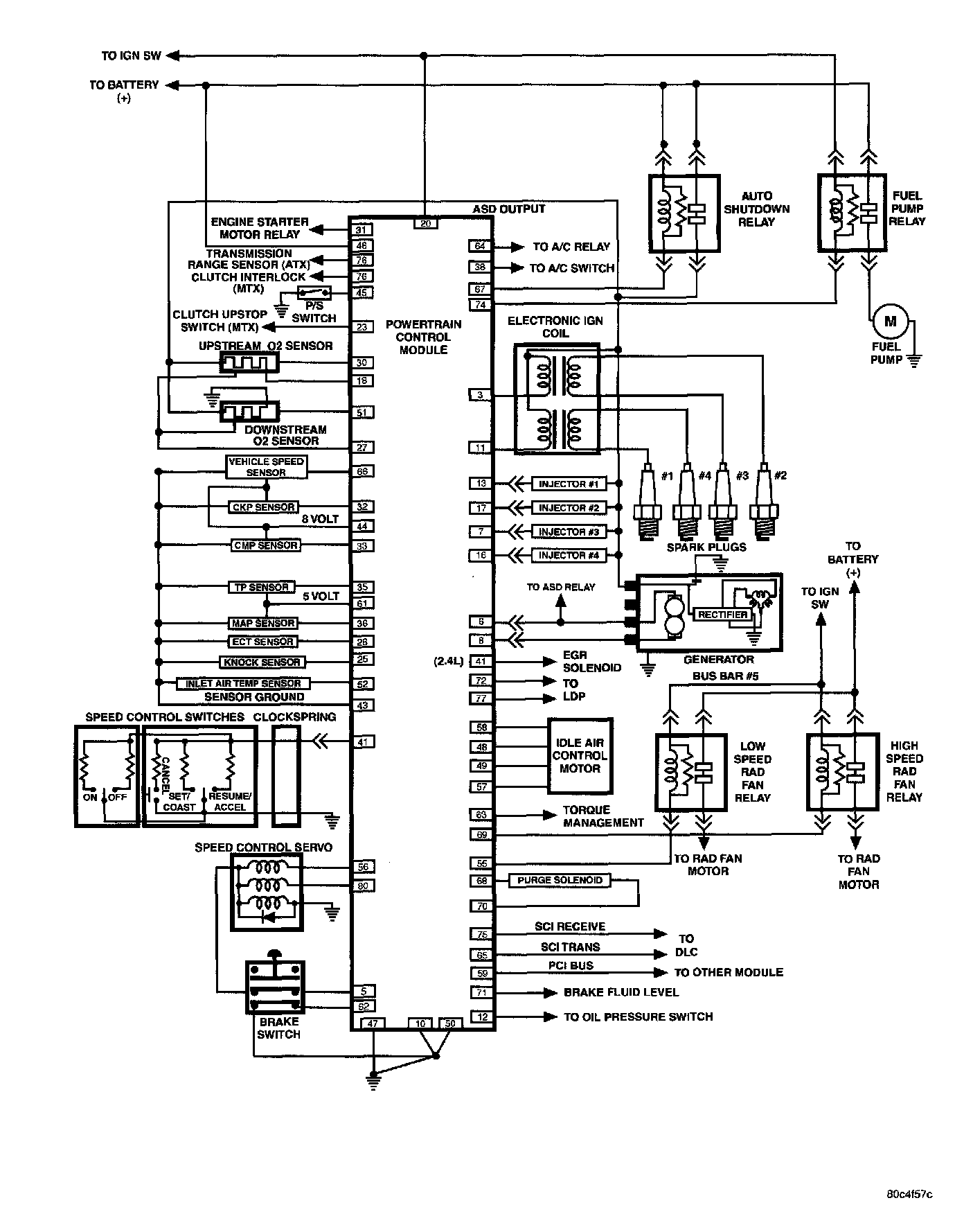
System Schematic

2001 PT: