lemon-mirror:
Home >> Chrysler >> 2001 >> Neon (CANADA) L4-2.0L >> Repair and Diagnosis >> Wiper and Washer Systems >> Wiper Control Module >> Service and Repair

Wiper Control Module: Service and Repair

REMOVAL

Fig.13 Battery Negative Cable Remove/Install:




1. Disconnect and isolate the battery negative cable.
2. Remove wiper arms.
3. Remove the left side cowl cover. Refer to Body, Exterior, Cowl Cover, Removal.
4. Disconnect the motor posi-lock harness connector.

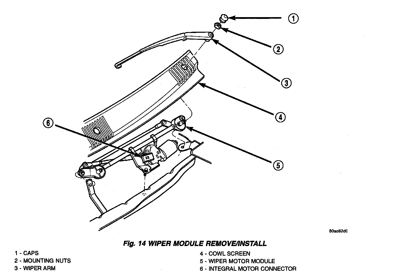
Fig.14 Wiper Module Remove/Install:




5. Remove the wiper module mounting screws and remove the module from vehicle.

INSTALLATION
1. Install the windshield wiper module into the vehicle.
2. Install the mounting screws and tighten to 7 to 9 Nm (60 to 80 in. lbs.) torque.
3. Connect the motor posi-lock harness connector.
4. Install the left side cowl cover.
5. Install the wiper arms.
6. Connect the battery negative cable.