lemon-mirror:
Home >> Chrysler >> 2001 >> Neon (CANADA) L4-2.0L >> Repair and Diagnosis >> Powertrain Management >> Computers and Control Systems >> Engine Control Module >> Diagrams >> Electrical Diagrams >> System Schematic

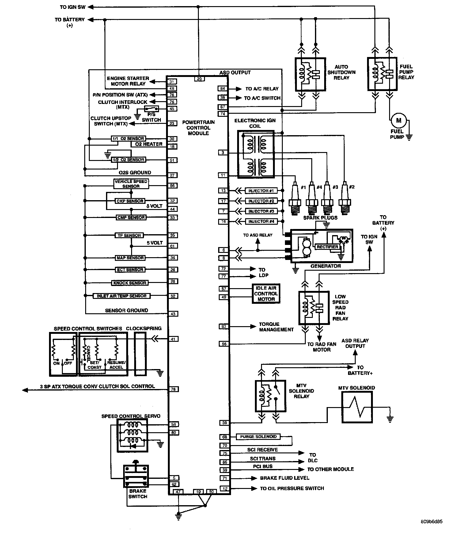
System Schematic

2000 PL: