lemon-mirror:
Home >> Chrysler >> 2001 >> Intrepid (CANADA) V6-3.2L >> Repair and Diagnosis >> Diagrams >> Electrical Diagrams >> Power Mirror Control Module

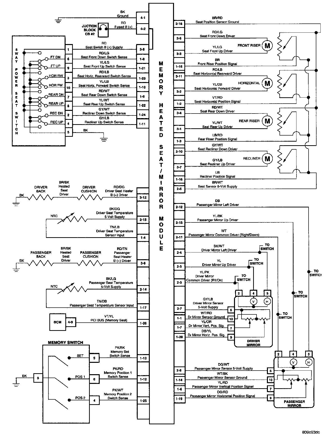
Power Mirror Control Module

Memory System: