lemon-mirror:
Home >> Chrysler >> 2001 >> Intrepid (CANADA) V6-3.2L >> Repair and Diagnosis >> Diagrams >> Connector Views >> Fuse Block

Fuse Block

Junction Block - C1:




Junction Block - C2:




Junction Block - C3:




Junction Block - C4:




Junction Block - C5:




Junction Block - C6:




Junction Block - C7:




Junction Block - C8:




Junction Block - C9:




Junction Block - C10:




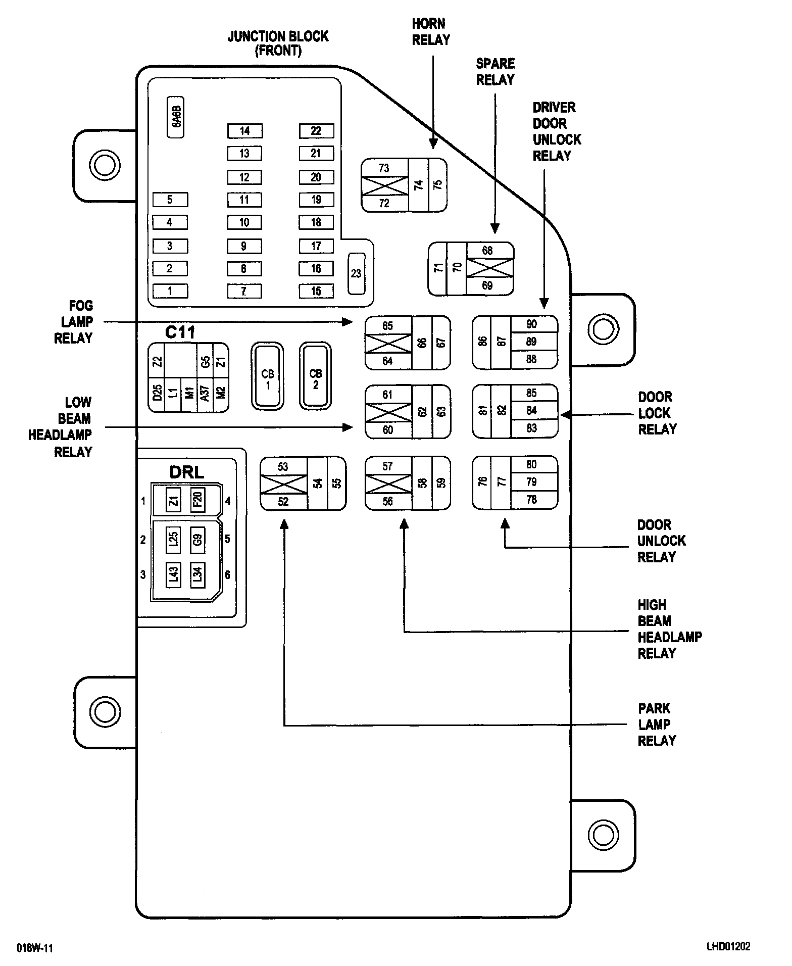
Junction Block - C11:




Junction Block (Back):




Junction Block Body Control Module - JB:




Junction Block Body Control Module - JB:





8w-12-2:




8w-12-3:




8w-12-7: