lemon-mirror:
Home >> Chrysler >> 2001 >> Intrepid (CANADA) V6-3.2L >> Repair and Diagnosis >> Diagrams >> Connector Views >> Body Control Module

Body Control Module

Body Control Module - C1:




Body Control Module - C2:




Body Control Module - C3:




Body Control Module - C4:




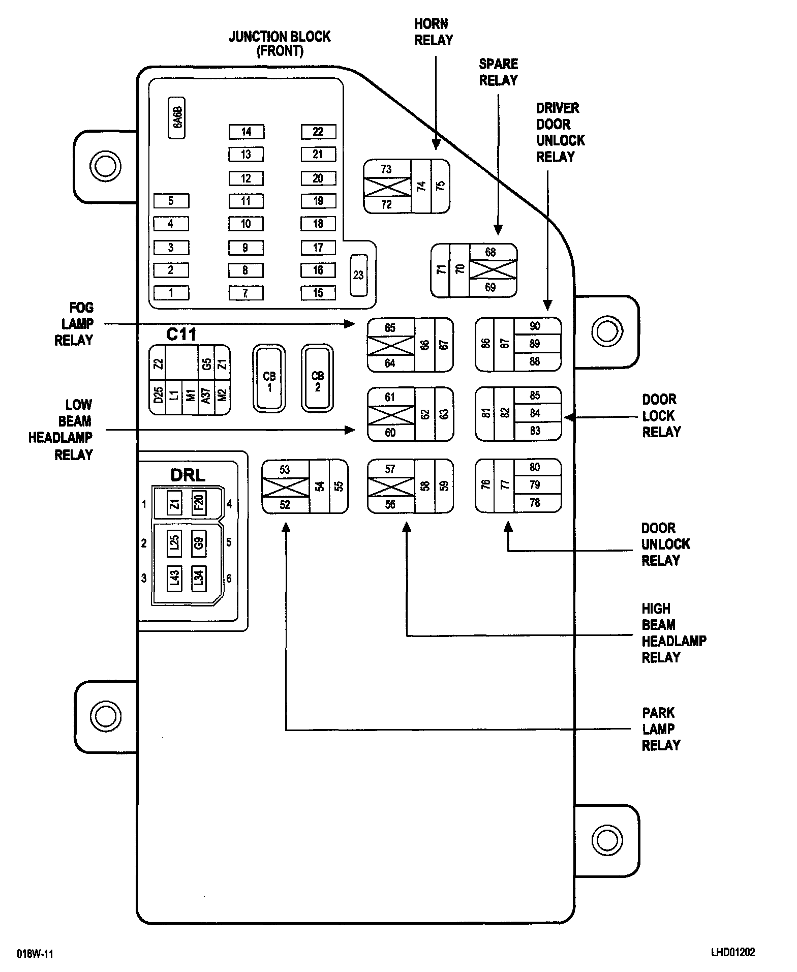
Junction Block:




Junction Block Body Control Module - JB: