lemon-mirror:
Home >> Chrysler >> 2000 >> Voyager L4-2.4L VIN B >> Repair and Diagnosis >> Diagrams >> Electrical Diagrams >> Powertrain Management >> Computers and Control Systems >> Engine Control Module >> System Schematic

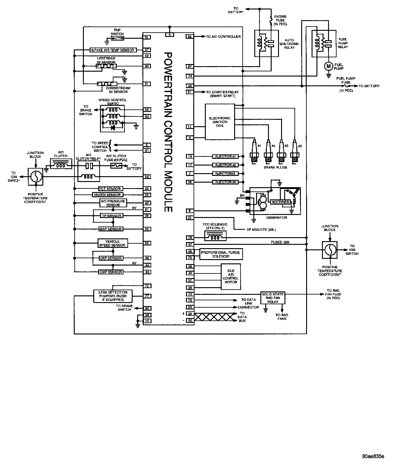
System Schematic

2000 NS: