lemon-mirror:
Home >> Chrysler >> 2000 >> Sebring V6-2.5L VIN N >> Repair and Diagnosis >> Powertrain Management >> Ignition System >> Service and Repair

Ignition System: Service and Repair





REMOVAL
To remove follow the steps listed in the image.

INSTALLATION




Distributor Installation
1. Turn the crankshaft clockwise to set the No.1 cylinder at the compression top dead center.
2. Align the housing's mating mark with the gear's mating mark.
3. Install the distributor to the cylinder head.




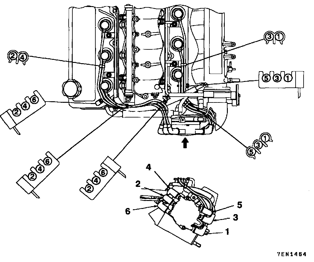
Spark Plug Cable Installation
Improper arrangement of spark plug cables will induce voltage between the cables, causing misfiring and developing a surge at acceleration in high-speed operation.

Therefore, be careful to arrange the spark plug cables properly by the following procedure.
1. Install the spark plug cable clamps as shown in the illustration.
2. The numerals on the support and clamp indicate the spark plug cable No.
3. Pay attention to the following items when the spark plug cables are installed.
1. Install the cables securely to avoid possible contact with metal parts.
2. Install the cables neatly, ensuring they are not too tight, loose, twisted or kinked.