lemon-mirror:
Home >> Chrysler >> 2000 >> Neon (CANADA) L4-2.0L >> Repair and Diagnosis >> Wiper and Washer Systems >> Wiper Control Module >> Service and Repair

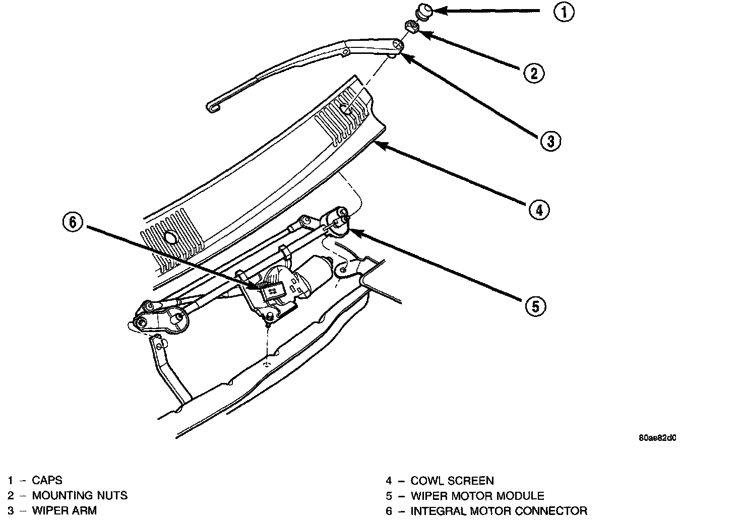
Wiper Control Module: Service and Repair

Windshield Wiper Module:




REMOVAL

Battery Negative Cable Remove/Install:




1. Disconnect and isolate the battery negative cable.
2. Remove wiper arms and blades.
3. Remove the left side cowl cover.
4. Disconnect motor posi-lock harness connector.
5. Remove windshield wiper module mounting screws and remove module from vehicle.

INSTALLATION
For installation, reverse the above procedures. Tighten the mounting screws to 7 to 9 Nm (60 to 80 in. lbs.) torque.