lemon-mirror:
Home >> Chrysler >> 2000 >> Intrepid (CANADA) V6-3.2L >> Repair and Diagnosis >> Diagrams >> Electrical Diagrams >> Powertrain Management >> Computers and Control Systems >> Engine Control Module >> System Schematic

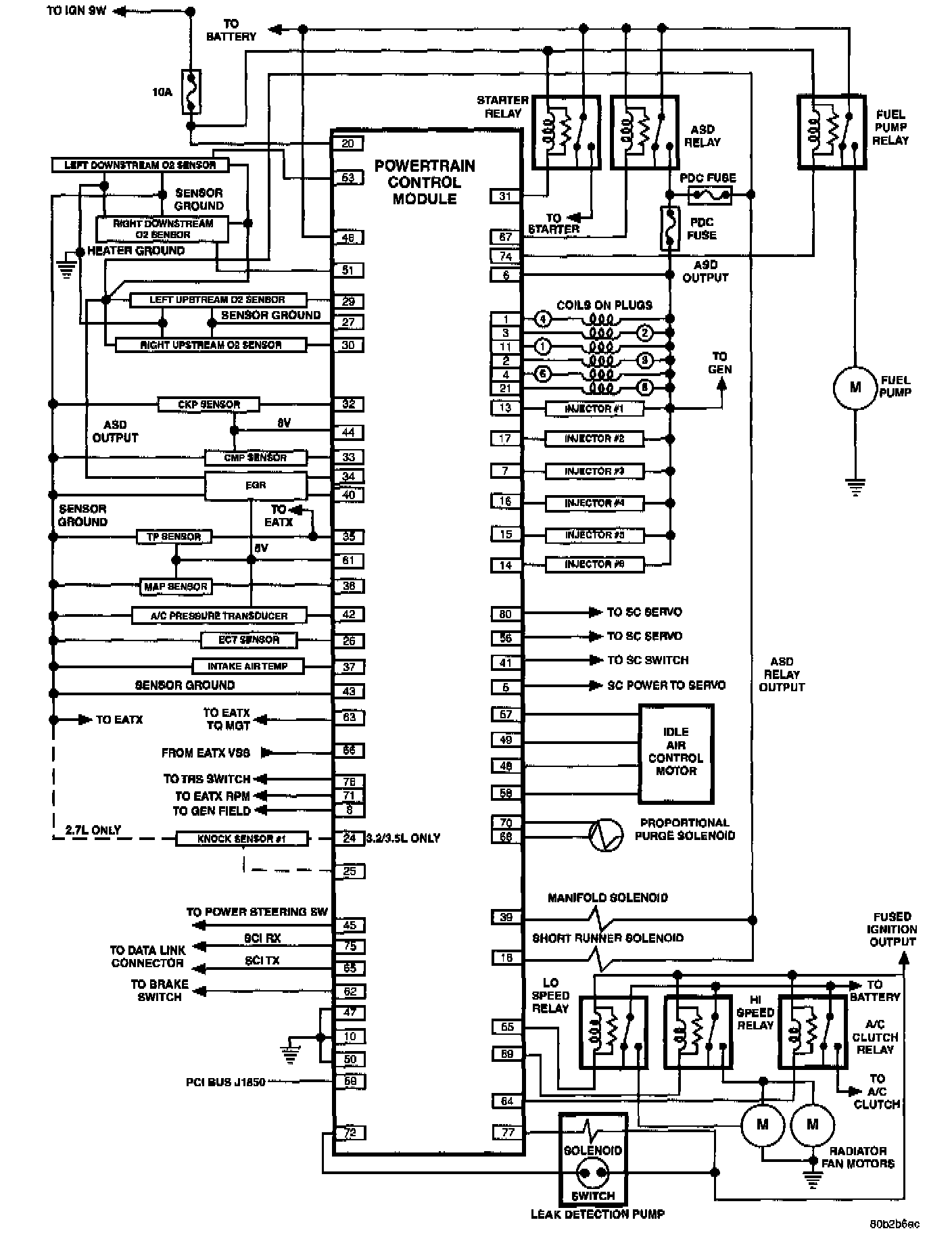
System Schematic

2000 LH Engine: