lemon-mirror:
Home >> Chrysler >> 2000 >> Intrepid (CANADA) V6-3.2L >> Repair and Diagnosis >> Diagrams >> Electrical Diagrams >> Memory Positioning Systems >> Memory/Heated

Memory/Heated

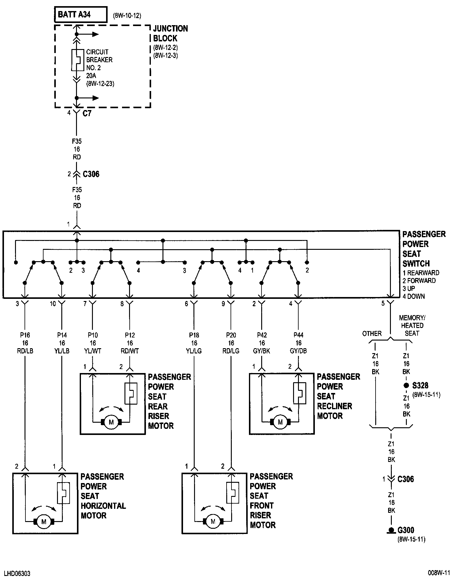
8W-63-3:




Circuit Breaker No.2 (JB)
G300
Junction Block
Passenger Power Seat Front Riser Motor
Passenger Power Seat Horizontal Motor
Passenger Power Seat Rear Riser Motor
Passenger Power Seat Recliner Motor
Passenger Power Seat Switch


8W-63-4 (Memory/Heated):




Driver Power Seat Front Riser Motor
Driver Power Seat Horizontal Motor
Driver Power Seat Rear Riser Motor
Driver Power Seat Recliner Motor
Driver Power Seat Switch
G300
Memory Heated Seat/Mirror Module


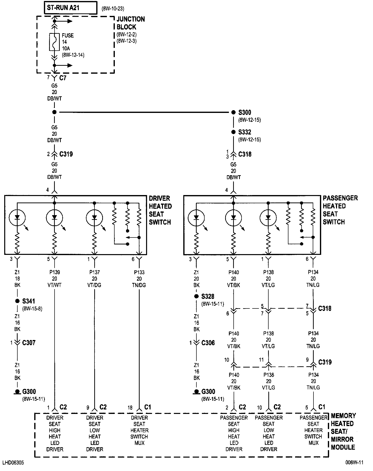
8W-63-5 (Memory/Heated):




Driver Heated Seat Switch
Fuse 14 (JB)
G300
Junction Block
Memory Heated Seat/Mirror Module
Passenger Heated Seat Switch


8W-63-6 (Memory/Heated):




Driver Power Seat Front Riser Motor Sensor
Driver Power Seat Horizontal Motor Sensor
Driver Power Seat Rear Riser Motor Sensor
Driver Power Seat Recliner Motor Sensor
Memory Heated Seat/Mirror Module


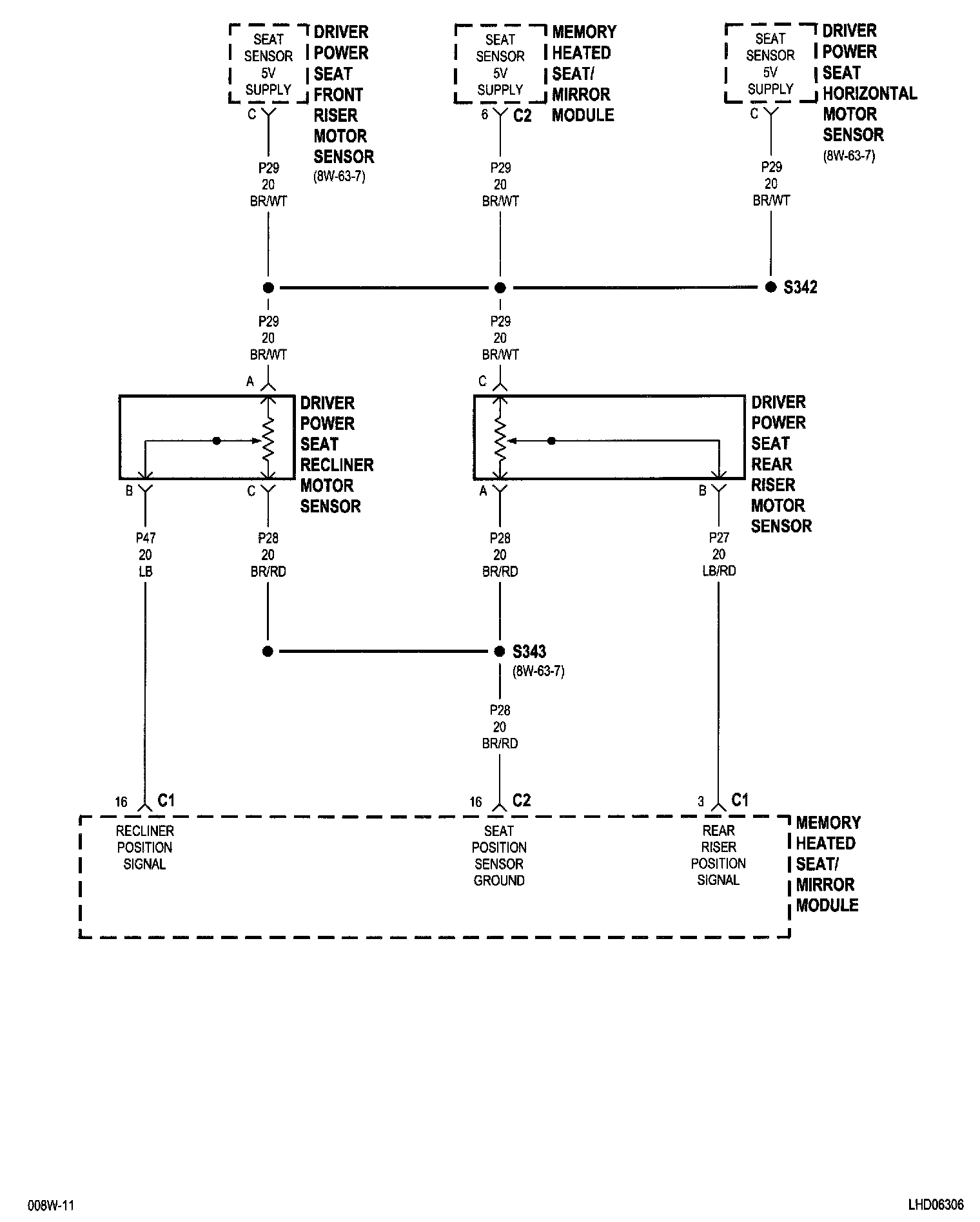
8W-63-7 (Memory/Heated):




Driver Power Seat Front Riser Motor Sensor
Driver Power Seat Horizontal Motor Sensor
Driver Power Seat Rear Riser Motor Sensor
Driver Power Seat Recliner Motor Sensor
Memory Heated Seat/Mirror Module


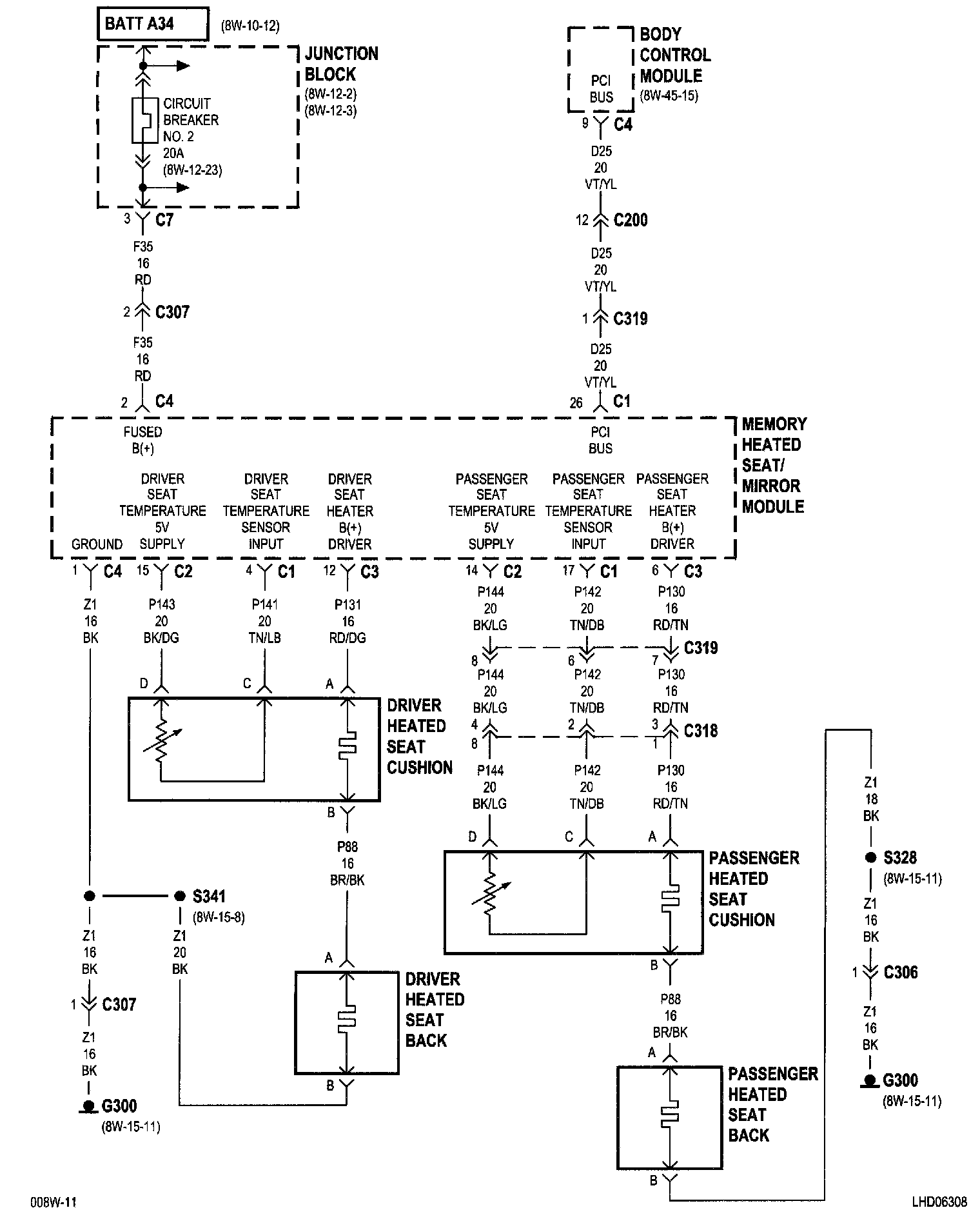
8W-63-8 (Memory/Heated):




Body Control Module
Circuit Breaker No.2 (JB)
Driver Heated Seat Back
Driver Heated Seat Cushion
G300
Junction Block
Memory Heated Seat/Mirror Module
Passenger Heated Seat Back
Passenger Heated Seat Cushion



NOTE: To view sheets referred to in these diagrams, see Complete Body and Chassis Diagrams.
Electrical Diagrams