lemon-mirror:
Home >> Chrysler >> 2000 >> Cirrus V6-2.5L VIN H >> Repair and Diagnosis >> Diagrams >> Electrical Diagrams >> Powertrain Management >> Computers and Control Systems >> Engine Control Module >> System Schematic

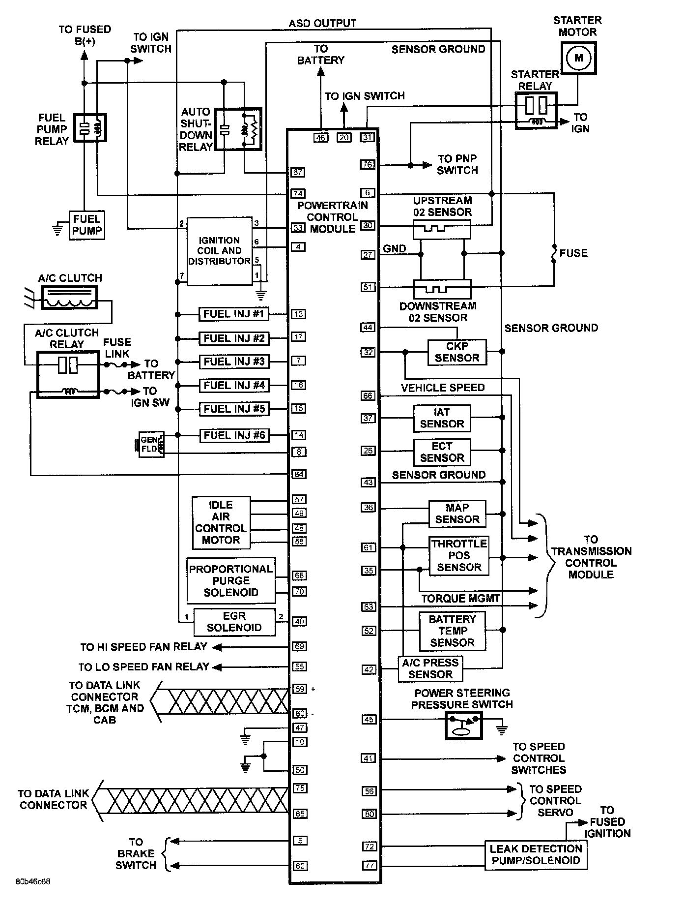
System Schematic

2000 JX Engine: