lemon-mirror:
Home >> Chrysler >> 2000 >> Cirrus L4-2.4L VIN X >> Repair and Diagnosis >> Diagrams >> Electrical Diagrams >> Powertrain Management >> Computers and Control Systems >> Engine Control Module >> System Schematic

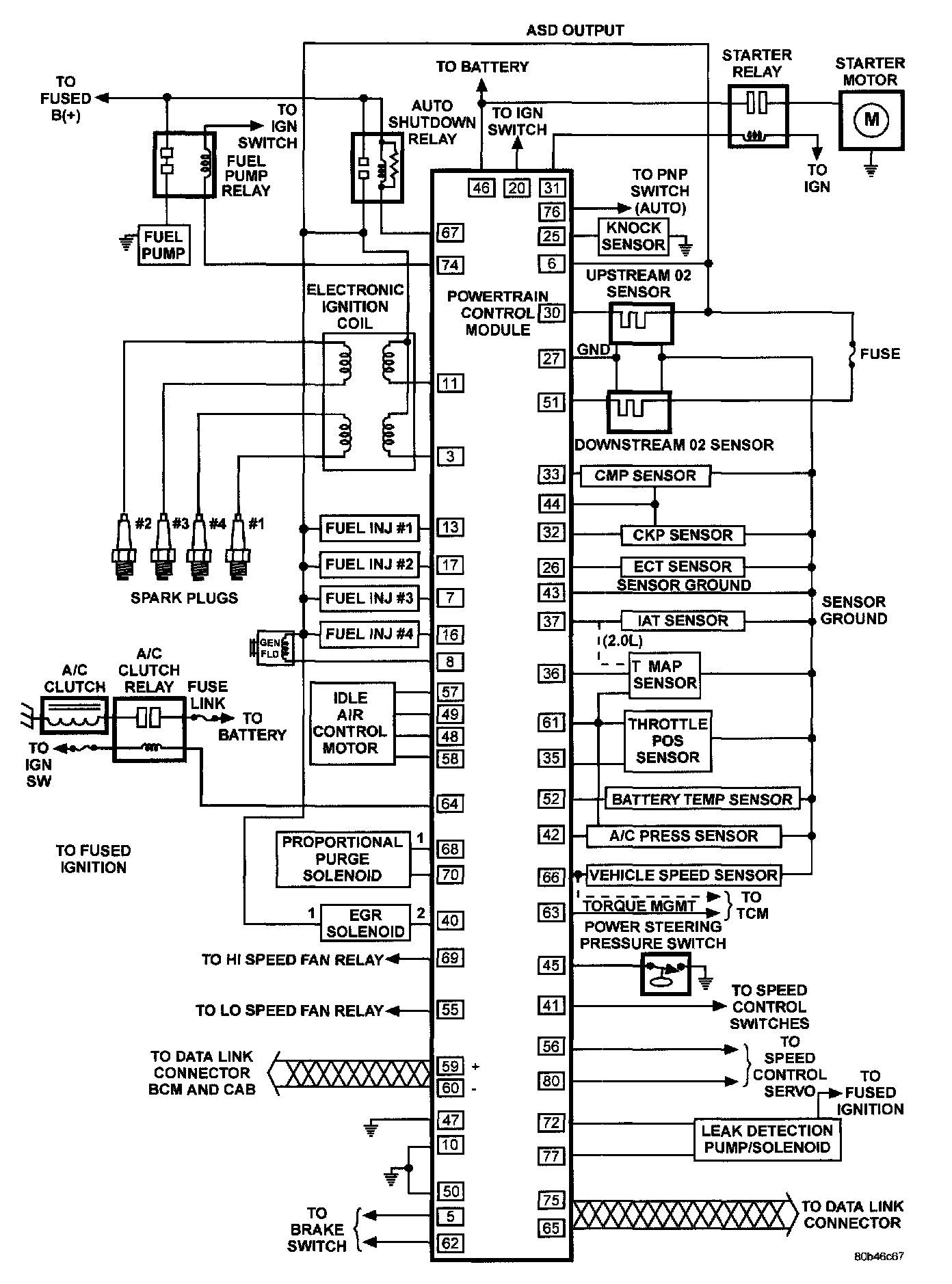
System Schematic

2000 JA: