lemon-mirror:
Home >> Chrysler >> 1983 >> Lebaron Convertible L4-156 2.6L >> Repair and Diagnosis >> Diagrams >> Exploded Views >> Cylinder Block Assembly >> Piston, Engine

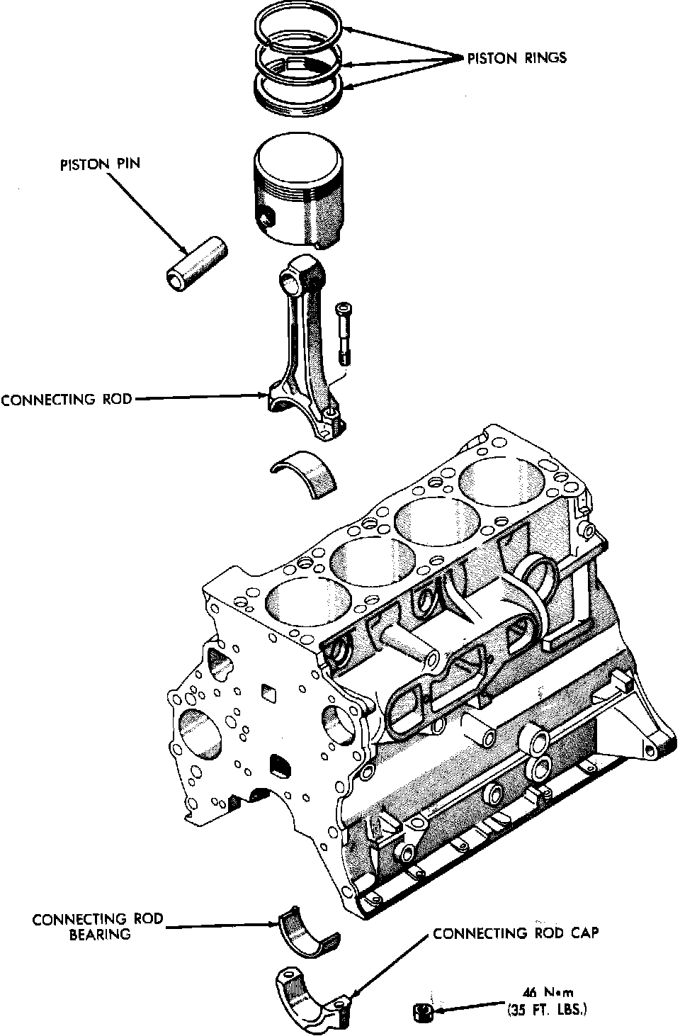
Piston, Engine

Cylinder block, piston & connecting rod assembly: