lemon-mirror:
Home >> Chevrolet >> 2013 >> Express 2500 V8-6.6L DSL Turbo >> Repair and Diagnosis >> Locations >> Component Locations >> Powertrain Component Views >> Engine Components

Engine Components




Powertrain Component Views

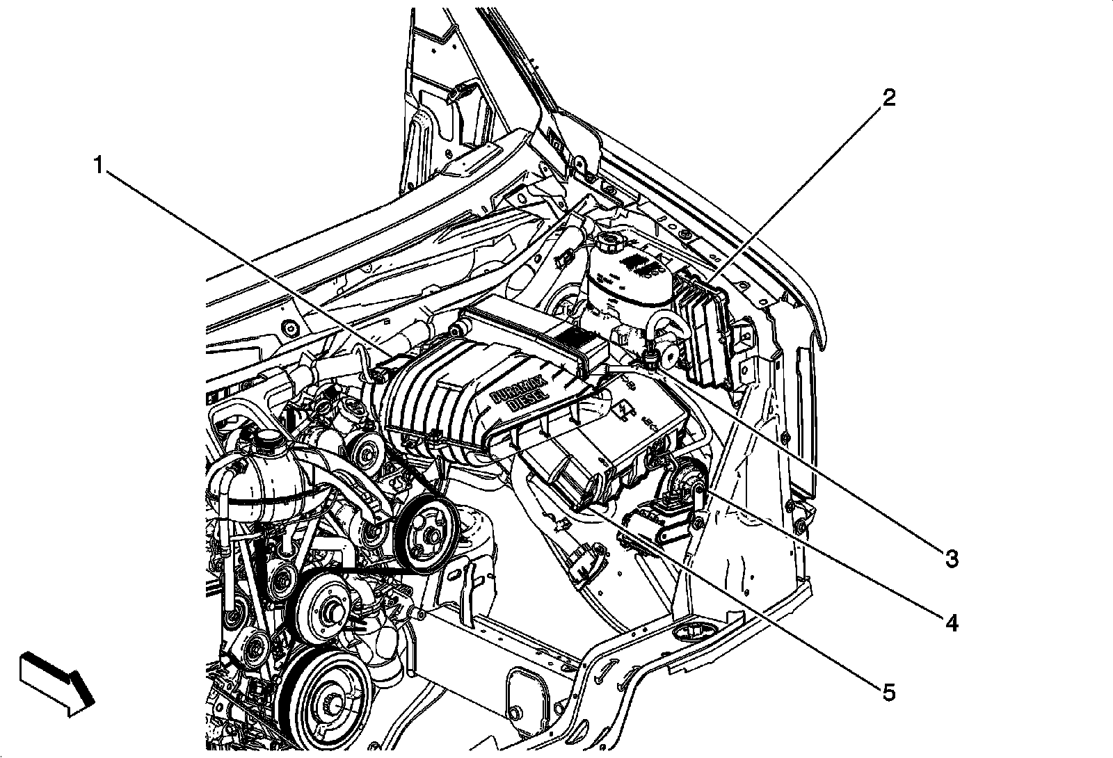
Engine Components (LGH)





1 - Mass Air Flow (MAF) Sensor/Intake Air Temperature (IAT) Sensor

2 - Engine Control Module (ECM)

3 - A/C Refrigerant Pressure Sensor

4 - Horn Assembly

5 - Fuse Block- Underhood