lemon-mirror:
Home >> Chevrolet >> 2013 >> Cruze L4-1.8L >> Repair and Diagnosis >> Specifications >> Mechanical Specifications >> Engine >> Intake Manifold

Intake Manifold









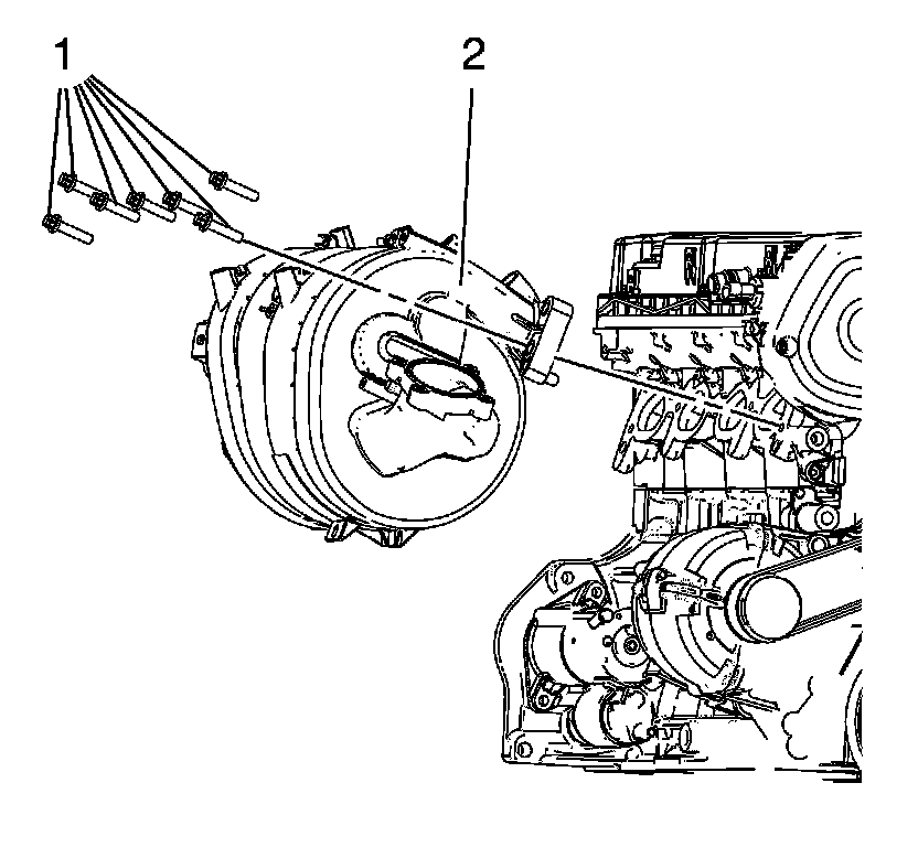
Install the NEW gaskets (1, 3) to the intake manifold (2).





Install the intake manifold (2) and the 7 intake manifold bolts (1) and tighten to 20 Nm (15 lb ft).