lemon-mirror:
Home >> Chevrolet >> 2013 >> Cruze L4-1.8L >> Repair and Diagnosis >> Powertrain Management >> Computers and Control Systems >> Knock Sensor >> Locations

Knock Sensor: Locations




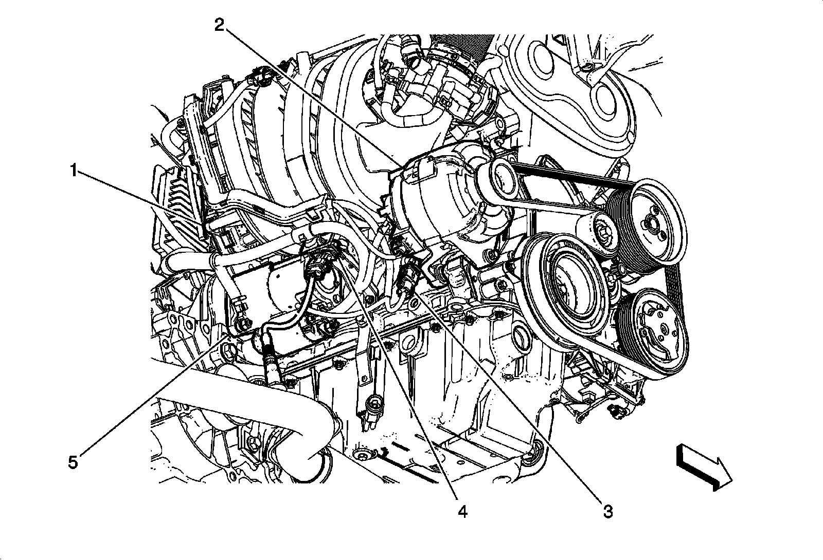
Powertrain Component Views

Right Rear of the Engine Components (LUW)





1 - Q22 Intake Manifold Tuning Solenoid Valve

2 - G13 Generator

3 - B68 Knock Sensor

4 - B52B Heated Oxygen Sensor 2

5 - M64 Starter Motor