lemon-mirror:
Home >> Chevrolet >> 2013 >> Camaro V8-6.2L SC >> Repair and Diagnosis >> Specifications >> Mechanical Specifications >> Engine >> Timing Cover

Timing Cover

- Tighten the cover bolts finger tight. Do not overtighten.





Note: Start the tool-to-front cover bolts. Do not tighten the bolts at this time.

- Install the J 41480 - alignment and tighten to 25 Nm (18 lb ft)




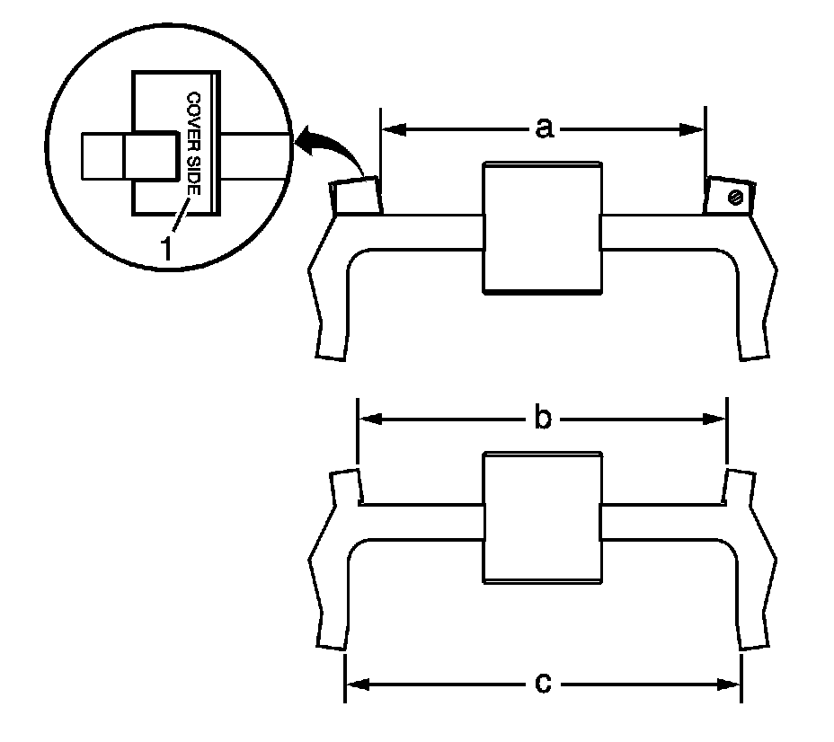
- Install the EN 48853-2 adapters as required for usage on the 141 mm (5.55 in) dimension (a) front cover. Position the adapters against the legs of the EN-48853 - tool with the words "cover side" (1) facing away from the tool.





Note: Align the tapered legs of the tool with the machined alignment surfaces on the front cover.

- Install the EN-48853 - tool (1).

- Install the crankshaft balancer bolt.

1. Tighten the crankshaft balancer bolt by hand until snug. Do not overtighten.

2. Tighten the J 41480 - alignment (2).

3. Tighten the engine front cover bolts to 25 Nm (18 lb ft)

- Remove the tools.