lemon-mirror:
Home >> Chevrolet >> 2012 >> Volt L4-1.4L Elect >> Repair and Diagnosis >> Heating and Air Conditioning >> Control Module HVAC >> Locations >> Blower Motor Control Module

Blower Motor Control Module




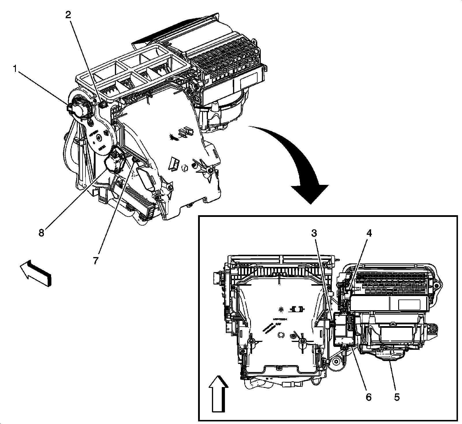
Instrument Panel/Center Console Component Views

Instrument Panel - HVAC Components




1 - M37 Mode Door Actuator
2 - B7F Air Temperature Sensor - Duct Upper
3 - B39 A/C Evaporator Temperature Sensor
4 - M46 Air Recirculation Door Motor
5 - M8 Blower Motor
6 - K8 Blower Motor Control Module
7 - B7B Air Temperature Sensor - Duct Lower
8 - M6 Air Temperature Door Actuator