lemon-mirror:
Home >> Chevrolet >> 2012 >> Sonic L4-1.8L >> Repair and Diagnosis >> Maintenance >> Fluids >> Engine Oil >> Service and Repair

Engine Oil: Service and Repair




Engine Oil and Oil Filter Replacement

Removal Procedure

1. Place a collecting pan underneath the oil filter.





2. Remove the oil filter cap (1).

3. Remove the oil filter cap seal (2)

Caution:
This engine uses a special high performance oil filter. Use of any other filter may lead to filter failure and/or severe engine damage.

4. Remove and properly dispose of the oil filter insert (3).

Caution:
Refer to Fastener Caution Fastener Caution.

5. Install a NEW oil filter (3) and a NEW seal (2) and tighten the oil filter cap (1) to 25 Nm (18 lb ft).

6. Raise the vehicle. Refer to Lifting and Jacking the Vehicle Service and Repair.

7. Place a collecting pan underneath the oil drain plug.





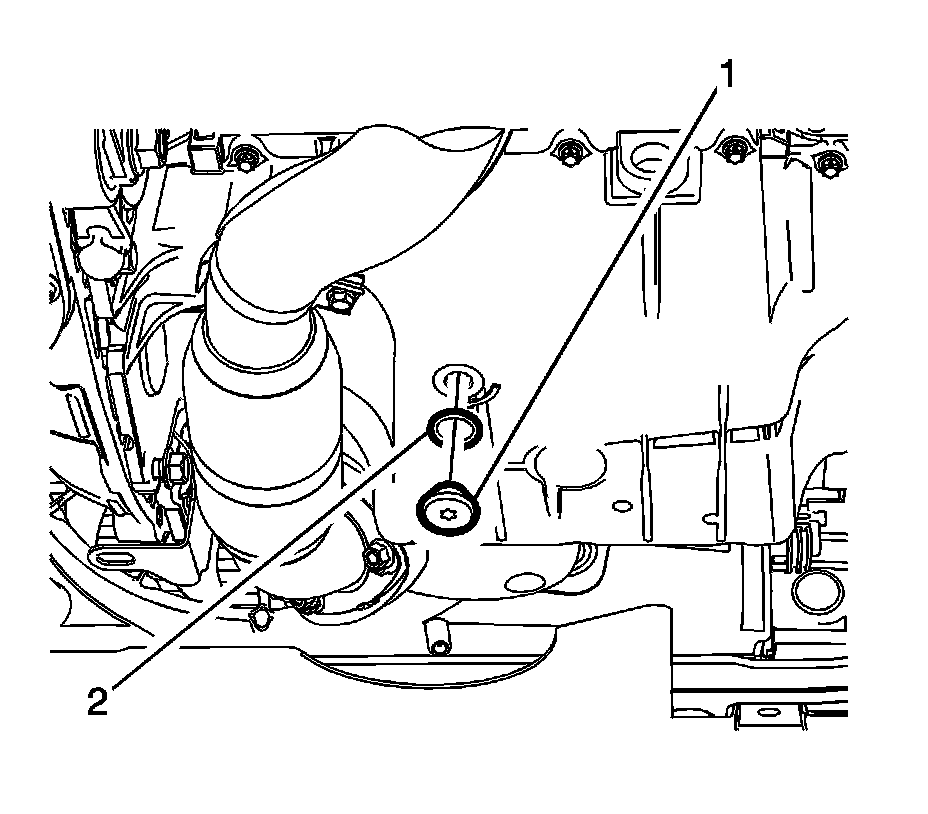
8. Remove the oil drain plug (1).

Installation Procedure

1. Clean the oil drain plug thread and the thread in the oil pan.





2. Install a NEW seal (2) to the oil drain plug (1).

Caution:
Refer to Fastener Caution Fastener Caution.

3. Install the oil drain plug to the oil pan and tighten to 14 Nm (124 lb in).

Caution:
Using engine oils of any viscosity other than those viscosities recommended could result in engine damage.

Note:

* Use specified volume of engine oil with the specified viscosity class.

* Start the engine and allow it to run until the oil pressure control indicator goes off.

* Inspect the engine oil level.

4. Fill in NEW engine oil. Refer to Engine Mechanical Specifications Service Limits & General Specifications.

5. Reset the service interval indicator.