lemon-mirror:
Home >> Chevrolet >> 2012 >> Sonic L4-1.8L >> Repair and Diagnosis >> Cruise Control >> Cruise Control Switch >> Service and Repair

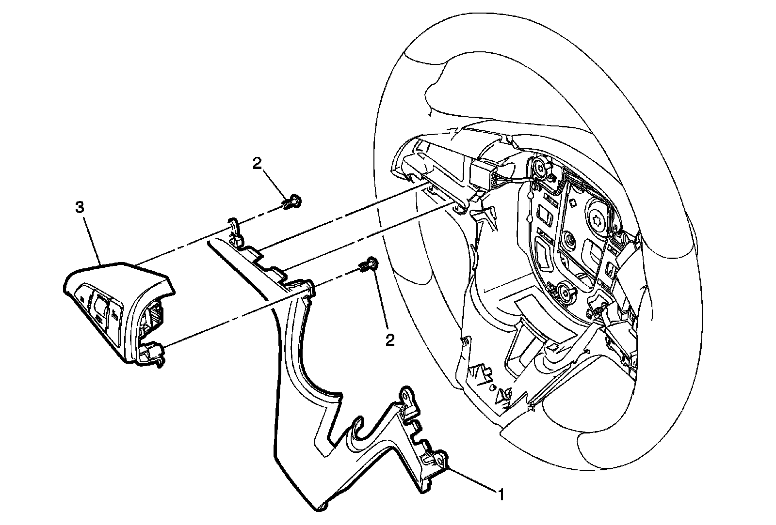
Cruise Control Switch: Service and Repair




Cruise Control Switch Replacement