lemon-mirror:
Home >> Chevrolet >> 2012 >> Silverado 2500 2WD V8-6.0L >> Repair and Diagnosis >> Powertrain Management >> Computers and Control Systems >> Vehicle Speed Sensor >> Locations

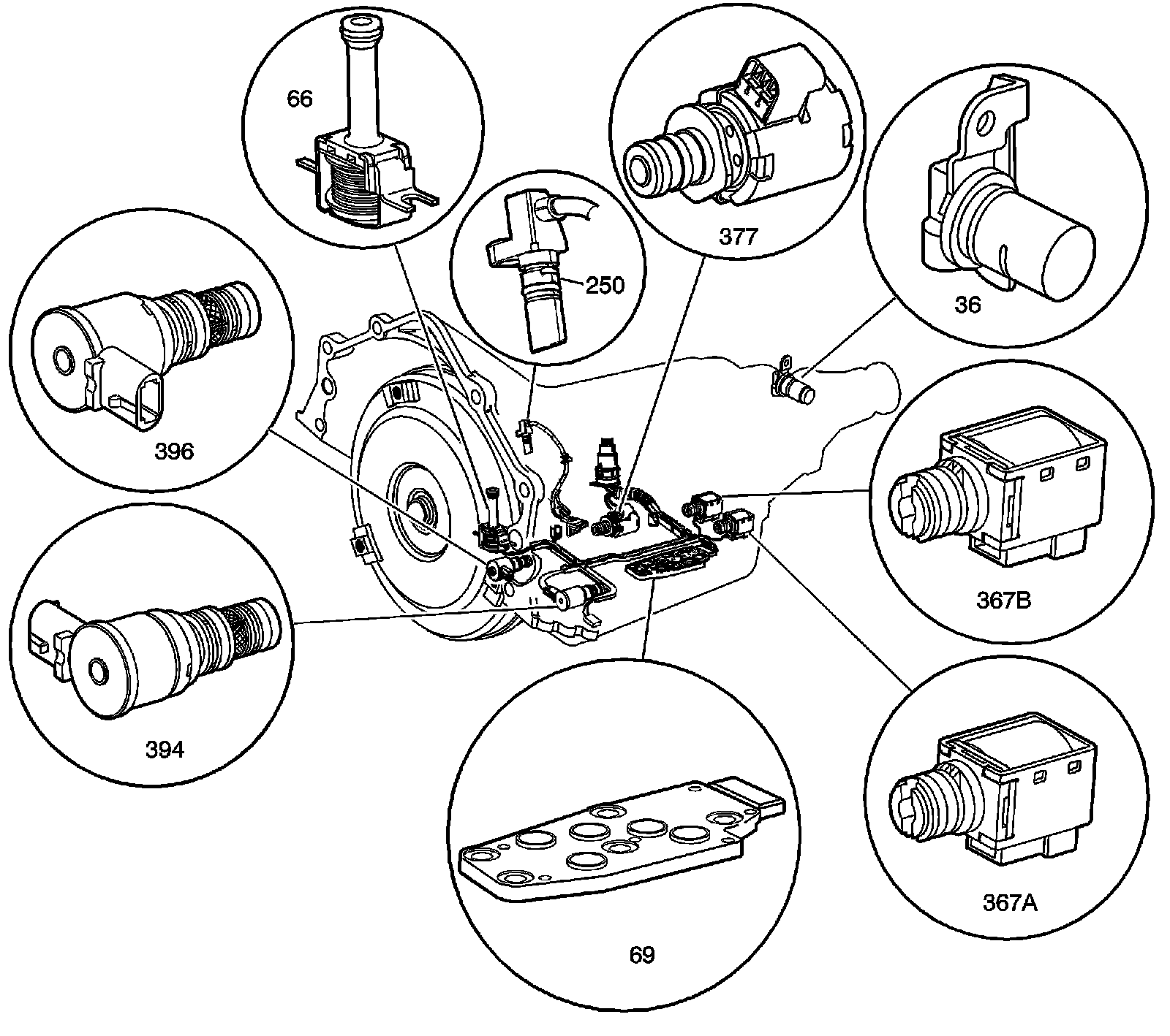
Vehicle Speed Sensor: Locations




Powertrain Component Views

Inside the Transmission (M30)




36 - Vehicle Speed Sensor (VSS)
66 - Torque Converter Clutch (TCC) Solenoid Valve
69 - Automatic Transmission Fluid Pressure (TFP) Manual Valve Position Switch
250 - Automatic Transmission Input Speed Sensor (ISS)
367a - 1-2 Shift Solenoid (SS) Valve
367b - 2-3 Shift Solenoid (SS) Valve
377 - Pressure Control (PC) Solenoid Valve
394 - 3-2 Shift Solenoid (SS) Valve
396 - Torque Converter Clutch (TCC) Pulse Width Modulation (PWM) Solenoid Valve