lemon-mirror:
Home >> Chevrolet >> 2012 >> Silverado 1500 2WD V6-4.3L >> Repair and Diagnosis >> Powertrain Management >> Computers and Control Systems >> Relays and Modules - Computers and Control Systems >> Engine Control Module >> Locations >> Component Locations >> Engine Control Module (ECM) >> Rear of the Engine Compartment Components

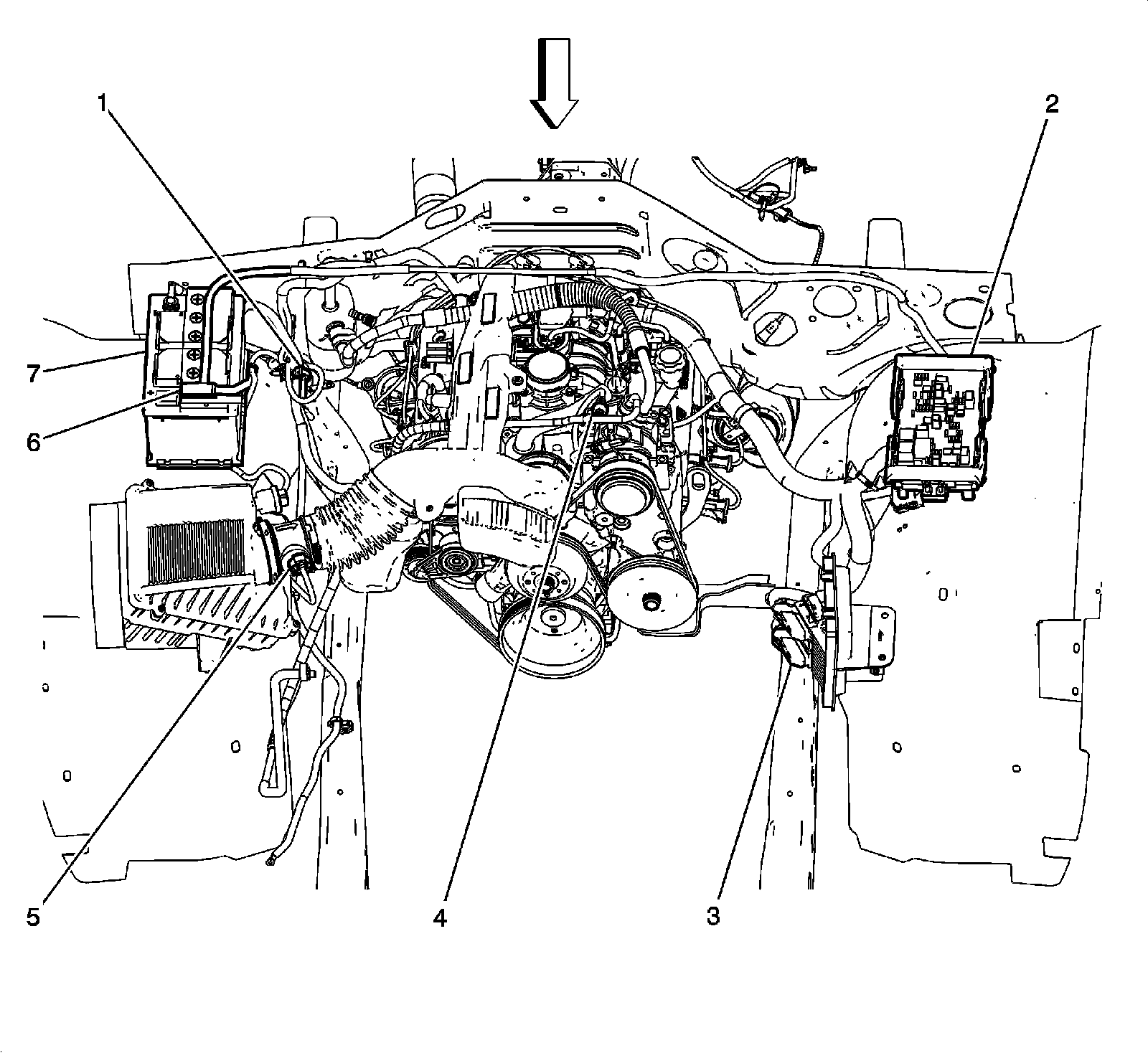
Rear of the Engine Compartment Components




Front of Vehicle/Engine Compartment Component Views

Rear of the Engine Compartment Components (4.3L)




1 - Battery Current Sensor (except MEX)
2 - Fuse Block - Underhood
3 - Engine Control Module (ECM)
4 - A/C Refrigerant Pressure Sensor (C67 or CJ2)
5 - Mass Airflow (MAF)/Intake Air Temperature (IAT) Sensor
6 - Fuse Holder
7 - Battery - Right