lemon-mirror:
Home >> Chevrolet >> 2012 >> Orlando (CANADA) L4-2.4L >> Repair and Diagnosis >> Powertrain Management >> Computers and Control Systems >> Fuel Level Sensor >> Service and Repair >> Fuel Level Sensor Replacement

Fuel Level Sensor Replacement




Fuel Level Sensor Replacement

Removal Procedure

Warning:
Refer to Gasoline/Gasoline Vapors Warning Service Precautions.


Warning:
Refer to Safety Goggles and Fuel Warning Safety Goggles and Fuel Warning.


Caution:
Use care while handling the fuel sender to prevent damage and incorrect fuel level readings.

1. Remove the fuel tank fuel pump module. Refer to Fuel Tank Fuel Pump Module Replacement Fuel Tank Fuel Pump Module Replacement.





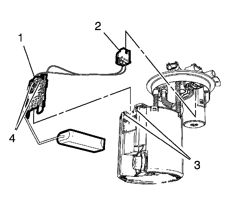
2. Disconnect the fuel level sensor wiring harness plug (2) from the fuel tank fuel pump module.

3. Unclip the 2 fuel level sensor retainer pins (4) from the fuel level sensor retainer pin holes (3).

4. Remove the fuel level sensor (1) from the fuel tank fuel pump module.

Installation Procedure





1. Install the fuel level sensor (1) to the fuel tank fuel pump module.

2. The fuel level sensor retainer pins (4) must engage audible in the fuel level sensor retainer pin holes (3).

3. Connect the fuel level sensor wiring harness plug (2) to the fuel tank fuel pump module.

4. Install the fuel tank fuel pump module. Refer to Fuel Tank Fuel Pump Module Replacement Fuel Tank Fuel Pump Module Replacement.